E
EPC Data

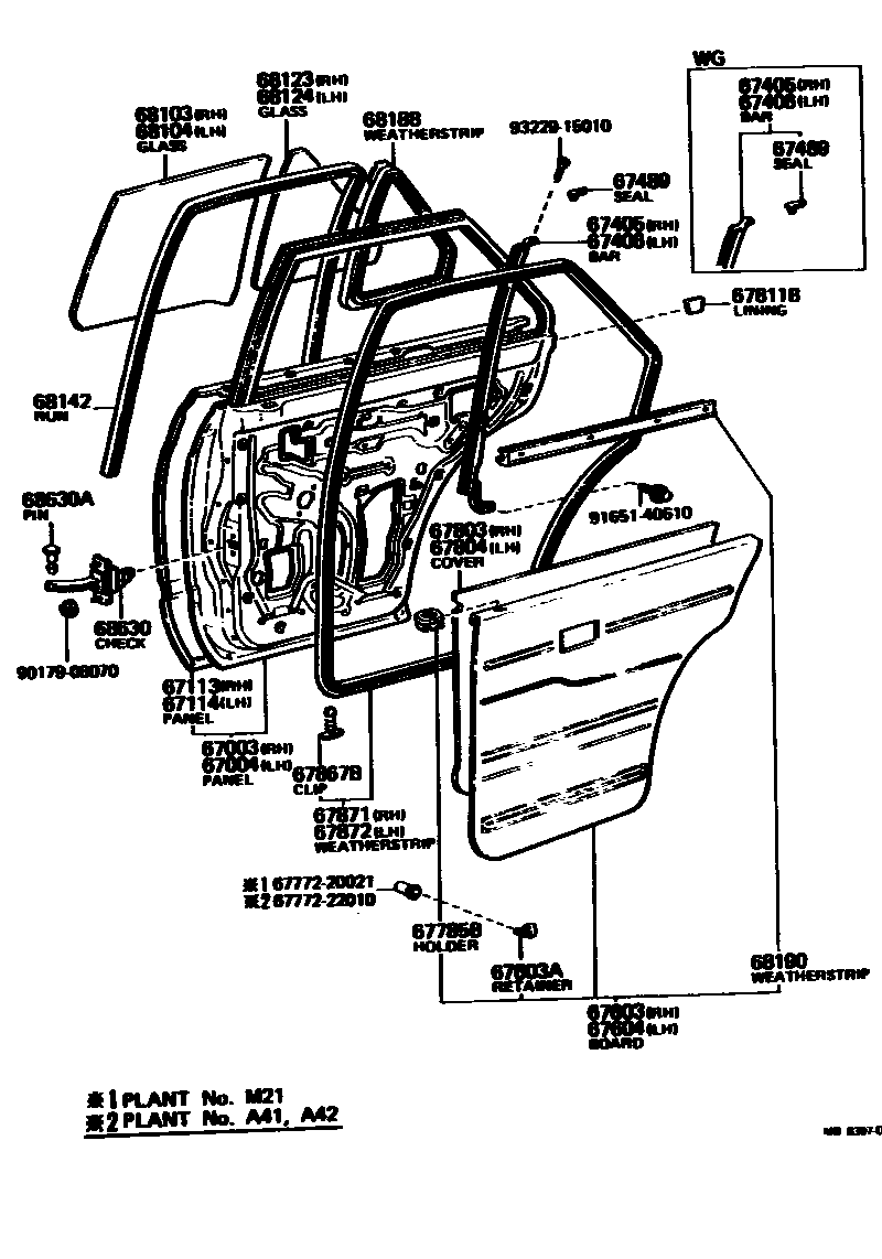
REAR DOOR PANEL & GLASS

Parts diagram
67003PANEL SUB-ASSY, REAR DOOR, RH
main67003-20130i197809-198112
main67003-20170i197809-198112
main67003-91260i197809-197908
main67003-91263i197908-198112
67004PANEL SUB-ASSY, REAR DOOR, LH
main67004-20130i197809-198112
main67004-20170i197809-198112
main67004-91260i197809-197908
main67004-91263i197908-198112
67113PANEL, REAR DOOR, OUTER RH
main67113-20070i197809-198112
67114PANEL, REAR DOOR, OUTER LH
main67114-20070i197809-198112
67405BAR SUB-ASSY, REAR DOOR WINDOW DIVISION, RH
main67407-20070i197809-198112
main67407-20080i197809-198112
main67407-91255i197809-198112
67406BAR SUB-ASSY, REAR DOOR WINDOW DIVISION, LH
main67408-20060i197809-198112
main67408-20070i197809-198112
main67408-91255i197809-198112
67489SEAL, REAR DOOR DIVISION BAR
main67481-20010i197809-198112
RH
main67482-20010i197809-198112
LH
67603BOARD SUB-ASSY, REAR DOOR TRIM, RH
main67630-20410-01i197809-198008
BLACK,BLACK
main67630-20410-02i197809-198008
DARK WINE,RED/MAROON
main67630-20410-05i197809-198008
BEIGE,BEIGE
main67630-20411-01i198008-198112
BLACK,BLACK
main67630-20411-02i198008-198112
DARK WINE,RED/MAROON
main67630-20411-06i198008-198112
LIGHT BROWN,BROWN
main67630-20440-01i197809-198008
BLACK,BLACK
main67630-20440-02i197809-198008
DARK WINE,RED/MAROON
main67630-20440-05i197809-198008
BEIGE,BEIGE
main67630-20470i197908-198008
SSV
main67630-20520-01i198008-198108
BLACK,BLACK
main67630-20520-02i198008-198108
DARK WINE,RED/MAROON
main67630-20520-06i198008-198108
LIGHT BROWN,BROWN
main67630-20540-01i198108-198112
BLACK,BLACK
main67630-20540-02i198108-198112
DARK WINE,RED/MAROON
main67630-20540-06i198108-198112
LIGHT BROWN,BROWN
67603ARETAINER(FOR REAR DOOR TRIM BOARD)
main67771-20022×18i197809-198112
67604BOARD SUB-ASSY, REAR DOOR TRIM, LH
main67640-20410-01i197809-198008
BLACK,BLACK
main67640-20410-02i197809-198008
DARK WINE,RED/MAROON
main67640-20410-05i197809-198008
BEIGE,BEIGE
main67640-20411-01i198008-198112
BLACK,BLACK
main67640-20411-02i198008-198112
DARK WINE,RED/MAROON
main67640-20411-06i198008-198112
LIGHT BROWN,BROWN
main67640-20440-01i197809-198008
BLACK,BLACK
main67640-20440-02i197809-198008
DARK WINE,RED/MAROON
main67640-20440-05i197809-198008
BEIGE,BEIGE
main67640-20470i197908-198008
SSV
main67640-20520-01i198008-198108
BLACK,BLACK
main67640-20520-02i198008-198108
DARK WINE,RED/MAROON
main67640-20520-06i198008-198108
LIGHT BROWN,BROWN
main67640-20540-01i198108-198112
BLACK,BLACK
main67640-20540-02i198108-198112
DARK WINE,RED/MAROON
main67640-20540-06i198108-198112
LIGHT BROWN,BROWN
67785BHOLDER, DOOR LOCKING BUTTON COLLAR(FOR REAR DOOR)
main69751-20040×2i197809-198112
67803COVER SUB-ASSY, REAR DOOR SERVICE HOLE, RH
main67841-20110i197809-198112
67804COVER SUB-ASSY, REAR DOOR SERVICE HOLE, LH
main67841-20110i197809-198112
67811BPAD, SIDE PANEL SILENCER
main67139-12010×2i197809-198112
67867BCLIP, DOOR WEATHERSTRIP(FOR REAR DOOR)
main67868-30040×40i197809-198112
67871WEATHERSTRIP, REAR DOOR, RH
main67871-20090i197809-198112
main67871-20110i197809-198112
main67871-91259i197809-198112
67872WEATHERSTRIP, REAR DOOR, LH
main67872-20090i197809-198112
main67872-20110i197809-198112
main67872-91259i197809-198112
68103GLASS SUB-ASSY, REAR DOOR, RH
main68113-20170i197809-198008
*TT,T=4.0
main68113-20180i197809-198008
*TT,T=4.0
main68113-20200i198008-198112
*TT,T=3.5
main68113-20210i198008-198112
*TT,T=3.5
main68113-91260i197809-198008
*TT,T=4.0
main68113-91262i198008-198112
*TT,T=3.5
68104GLASS SUB-ASSY, REAR DOOR, LH
main68114-20090i197809-198008
*TT,T=4.0
main68114-20100i197809-198008
*TT,T=4.0
main68114-20120i198008-198112
*TT,T=3.5
main68114-20130i198008-198112
*TT,T=3.5
main68114-91258i197809-198008
*TT,T=4.0
main68114-91260i198008-198112
*TT,T=3.5
68123GLASS, REAR DOOR WINDOW, RH
main68123-20220i197809-198008
*TT,T=4.0
main68123-20230i197809-198008
*TT,T=4.0
main68123-20250i198008-198112
*TT,T=3.5
main68123-20260i198008-198112
*TT,T=3.5
main68123-91261i197809-198112
*TT,T=3.5
68124GLASS, REAR DOOR WINDOW, LH
main68124-20140i197809-198008
*TT,T=4.0
main68124-20150i197809-198008
*TT,T=4.0
main68124-20170i198008-198112
*TT,T=3.5
main68124-20180i198008-198112
*TT,T=3.5
main68124-91259i197809-198112
*TT,T=3.5
68142RUN, REAR DOOR GLASS
main68142-20040×2i197809-198112
main68142-20050×2i197809-198112
68188WEATHERSTRIP, REAR DOOR QUARTER WINDOW, RH
main68188-20050i197809-198112
RH
main68188-20060i197809-198112
RH
main68188-91258i197809-198112
RH
main68189-20050i197809-198112
LH
main68189-20060i197809-198112
LH
main68189-91256i197809-198112
LH
68190WEATHERSTRIP ASSY, REAR DOOR GLASS, INNER
main68190-20120×2i197809-198112
68630CHECK ASSY, REAR DOOR
main68630-20020×2i197809-198101
main68630-20021×2i198101-198112
68630APIN(FOR REAR DOOR CHECK)
main68617-22010×2i197809-198112
6777220021WEATHERSTRIP, BACK DOOR TRIM, LH
6777222010WEATHERSTRIP, BACK DOOR TRIM, LH
9017906070
9165140610
9322915010

31 parts on this diagram · 1 diagram in section

REAR DOOR PANEL & GLASS — Toyota Parts Diagram with OEM Numbers & Prices | EPC Data