E
EPC Data

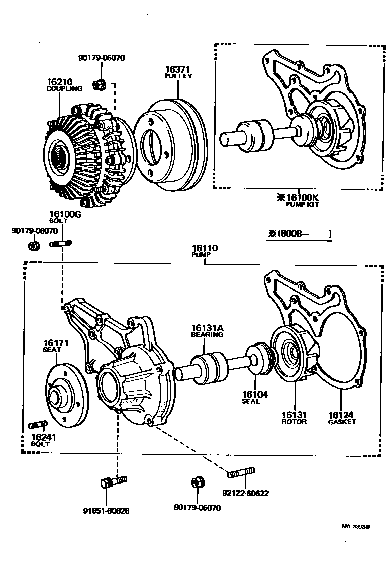
WATER PUMP

Parts diagram
16100GBOLT, STUD(FOR WATER PUMP SET)
main16193-38030i197809-198112
16100KPUMP KIT, WATER
main04161-35020i198008-198112
16104SEAL SET, WATER PUMP
main16104-41110i197809-198008
main16104-41111i198008-198112
16110PUMP ASSY, WATER, W/O COUPLING
main16100-39315i198008-198112
main16110-39035i197809-198008
16124GASKET, WATER PUMP COVER
main16129-35010i198008-198112
main16129-38030i197809-198008
16131ROTOR, WATER PUMP
main16131-35010i198008-198112
main16131-38020i197809-198008
16131ABEARING, WATER PUMP
main90369-30011i197809-198112
16171SEAT, WATER PUMP PULLEY
main16171-38022i197809-198112
16210COUPLING ASSY, FLUID
main16210-38050i197809-198112
main16210-38060i197809-198112
16241BOLT, STUD(FOR WATER PUMP COUPLING)
main16193-33030×4i198008-198112
main16241-28020×4i197809-198008
16371PULLEY, FAN
main16173-38011i197809-198112
9017906070
9165160628
9212260622

14 parts on this diagram · 1 diagram in section

WATER PUMP — Toyota Parts Diagram with OEM Numbers & Prices | EPC Data