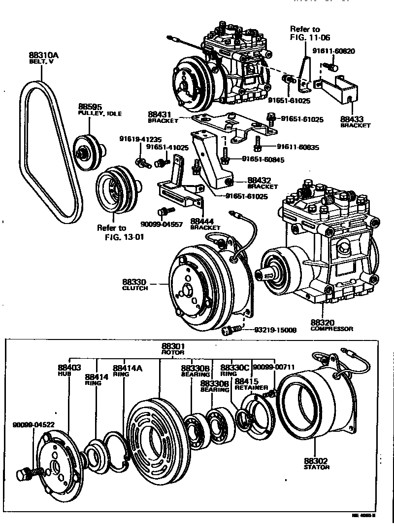
HEATING & AIR CONDITIONING - COMPRESSOR

1106TIMING GEAR COVER & REAR END PLATE
1301CRANKSHAFT & PISTON
88301ROTOR SUB-ASSY, MAGNET CLUTCH
88302STATOR SUB-ASSY, MAGNET CLUTCH
88310ABELT, V (COOLER COMPRESSOR TO CRANKSHAFT PULLEY), NO.1
88320COMPRESSOR ASSY, COOLER
TYPE 2C90
TYPE 2M
88330CLUTCH ASSY, MAGNET
88330BBEARING, MAGNET CLUTCH
88330CRING, SNAP (FOR MAGNET CLUTCH)
88403HUB SUB-ASSY, MAGNET CLUTCH
88414RING, SHIELD
88414ARING, SHIELD SNAP
88415RETAINER, MAGNET CLUTCH BEARING, NO.1
88431BRACKET, COMPRESSOR MOUNTING, NO.1
88432BRACKET, COMPRESSOR MOUNTING, NO.2
88433BRACKET, COMPRESSOR MOUNTING, NO.3
88444BRACKET, IDLE PULLEY
88595PULLEY, COOLER COMPRESSOR IDLE
9009900711
main90099-00711
9009904522
main90099-04522
9009904557
main90099-04557
9161160820
main91611-60820
9161160835
main91611-60835
9161941235
main91619-41235
9165141025
main91651-41025
9165160845
main91651-60845
9165161025
main91651-61025
9321915008
main93219-15008
28 parts on this diagram · 4 diagrams in section