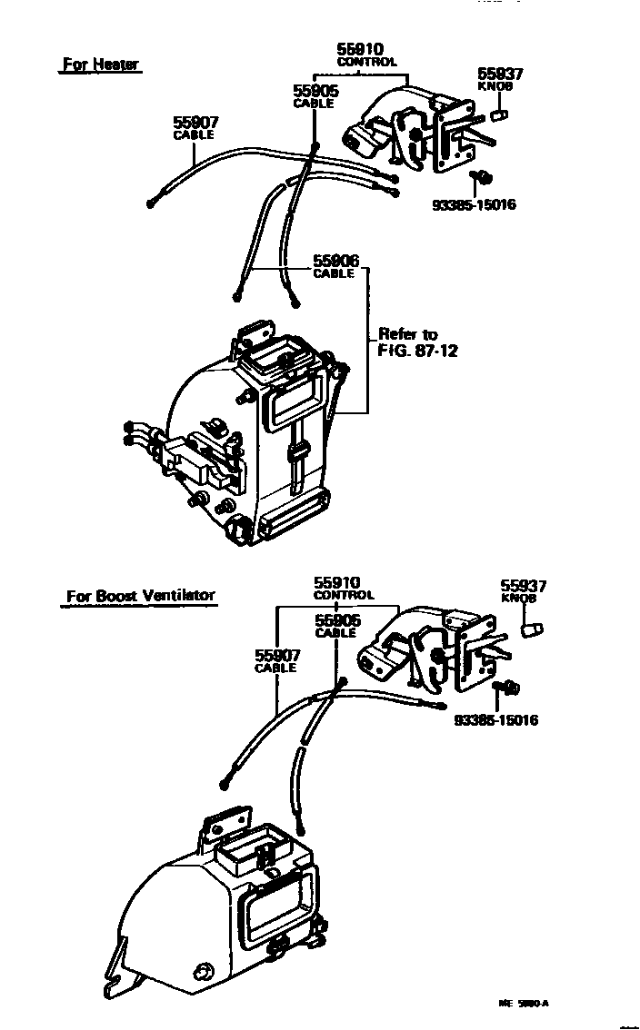
HEATING & AIR CONDITIONING - CONTROL & AIR DUCT

55905CABLE SUB-ASSY, DEFROST CONTROL
HEATER
HEATER
BOOST VENTILATOR
BOOST VENTILATOR
HEATER
HEATER
55906CABLE SUB-ASSY, HEATER CONTROL
HEATER
HEATER
HEATER
55907CABLE SUB-ASSY, HEATER AIR INLET BUTTERFLY
55910CONTROL ASSY, HEATER OR BOOST VENTILATOR
HEATER
HEATER
HEATER
BOOST VENTILATOR
BOOST VENTILATOR
BOOST VENTILATOR
HEATER
HEATER
HEATER
HEATER
BOOST VENTILATOR
55937KNOB, HEATER CONTROL LEVER
8712HEATING & AIR CONDITIONING - HEATER UNIT & BLOWER
9338515016
main93385-15016
7 parts on this diagram · 5 diagrams in section