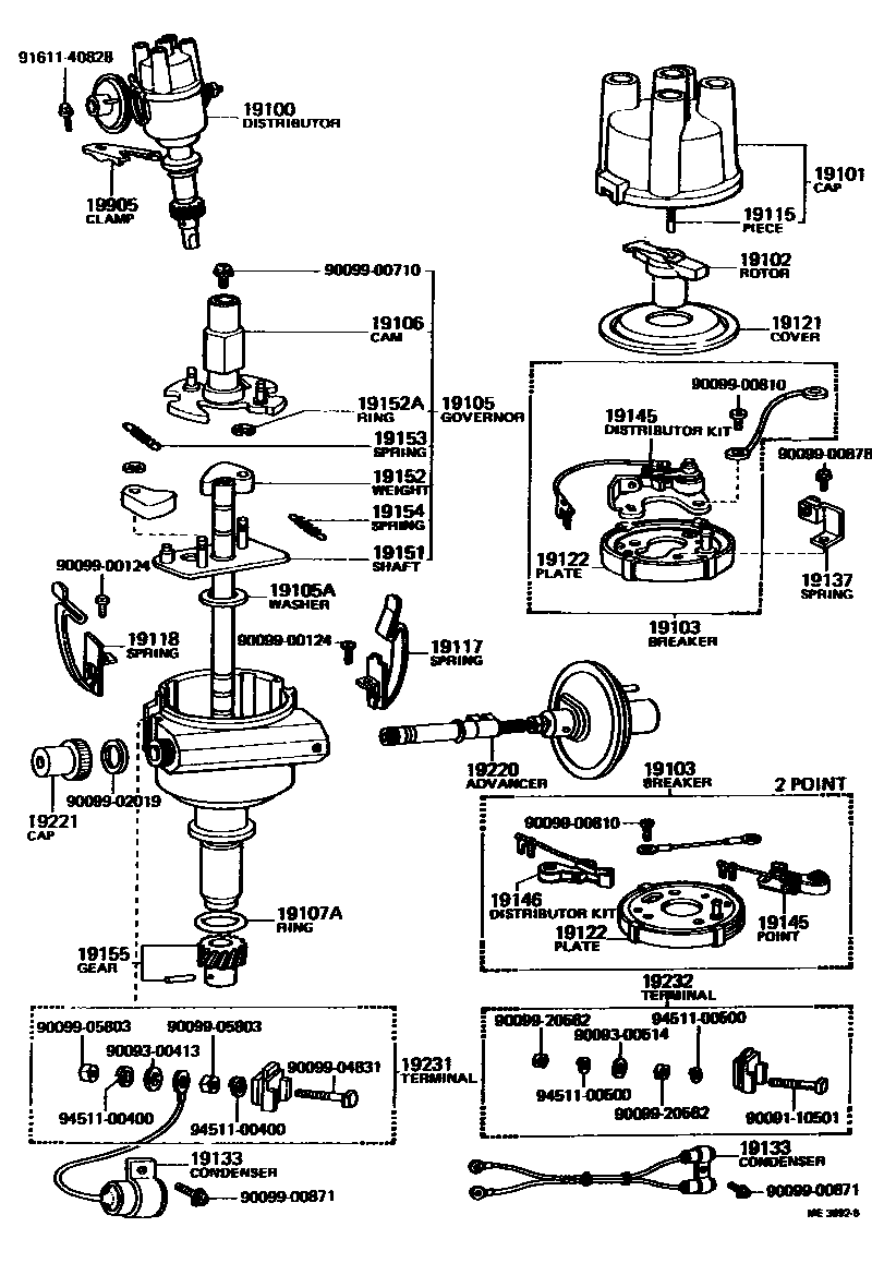
19100DISTRIBUTOR ASSY
main19100-34053i18RC..RT118..4F;18RC..RT104..3FC..STD197308-197408 main19100-34160i18RC..RT118..4F;18RC..RT104..3FC..STD197401-197408 2 POINT DIS.
main19100-34170i18RC..RT118..4F;18RC..RT104..3FC..STD197311-197408 W/EGR CALIFORNIA SPEC.
19101CAP SUB-ASSY, DISTRIBUTOR
main19101-33013i18RC..RT118..4F;20R..RT105..3FC..4D;18RC..RT104..3FC..STD197311-197507 main19101-38011i20R..RT119..3HC;20R..RT105..3FC..4D197507-197808 19102ROTOR SUB-ASSY, DISTRIBUTOR
main19102-33012i18RC..RT118..4F;20R..RT119..3HC;20R..RT105..3FC..4D;18RC..RT104..3FC..STD197308-197808 19103BREAKER SUB-ASSY, DISTRIBUTOR
main19103-33013i18RC..RT118..4F;20R..RT105..3FC..4D;18RC..RT104..3FC..STD197311-197509 main19103-34150i18RC..RT118..4F;18RC..RT104..3FC..STD197401-197408 2 POINT DIS.
main19103-38011i20R..RT119..3HC;20R..RT105..3FC..4D197509-197708 19105GOVERNOR SUB-ASSY
main19105-34043i18RC..RT118..4F;18RC..RT104..3FC..STD197308-197408 W/EGR CALIFORNIA SPEC.
main19105-34052i18RC..RT118..4F;18RC..RT104..3FC..STD197308-197408 main19105-34160i18RC..RT118..4F;18RC..RT104..3FC..STD197401-197408 2 POINT DIS.
main19105-38011i20R..RT119..3HC;20R..RT105..3FC..4D197509-197708 19105AWASHER(FOR GOVERNOR SHAFT THRUST)
main90099-01385i18RC..RT118..4F;18RC..RT104..3FC..STD197308-197408 T=2.5,T=2.5
main90099-01386i18RC..RT118..4F;18RC..RT104..3FC..STD197308-197408 T=2.7,T=2.7
main90099-01387i18RC..RT118..4F;18RC..RT104..3FC..STD197308-197408 T=2.9,T=2.9
main90099-01412i18RC..RT118..4F;18RC..RT104..3FC..STD197308-197408 T=2.3,T=2.3
main90099-01417i20R..RT119..3HC;20R..RT105..3FC..4D197408-197808 19106CAM SUB-ASSY, DISTRIBUTOR
main19106-34090i18RC..RT118..4F;18RC..RT104..3FC..STD197308-197408 main19106-34150i18RC..RT118..4F;18RC..RT104..3FC..STD197401-197408 2 POINT DIS.
main19106-38011i20R..RT119..3HC;20R..RT105..3FC..4D197509-197608 19107ARING, O, DISTRIBUTOR HOUSING
main90099-14020i18RC..RT118..4F;20R..RT119..3HC;20R..RT105..3FC..4D;18RC..RT104..3FC..STD197308-197808 19115PIECE, DISTRIBUTOR CAP, CENTER
main19115-50010i18RC..RT118..4F;20R..RT119..3HC;20R..RT105..3FC..4D;18RC..RT104..3FC..STD197308-197808 19117SPRING, DISTRIBUTOR CAP, A
main19117-33011i18RC..RT118..4F;20R..RT105..3FC..4D;18RC..RT104..3FC..STD197308-197505 19118SPRING, DISTRIBUTOR CAP, B
main19118-33011i18RC..RT118..4F;20R..RT105..3FC..4D;18RC..RT104..3FC..STD197308-197505 19121COVER, DUST PROOF
main19121-25070i20R..RT119..3HC;20R..RT105..3FC..4D197507-197608 main19121-33011i18RC..RT118..4F;20R..RT105..3FC..4D;18RC..RT104..3FC..STD197308-197507 19122PLATE, STATIONARY, DISTRIBUTOR
main19122-33013i20R..RT119..3HC;20R..RT105..3FC..4D197509-197708 main19122-34150i18RC..RT118..4F;18RC..RT104..3FC..STD197401-197408 2 POINT DIS.
19133CONDENSER, DISTRIBUTOR
main90099-52050i18RC..RT118..4F;18RC..RT104..3FC..STD197308-197408 main90099-52055i18RC..RT118..4F;18RC..RT104..3FC..STD197401-197408 2 POINT DIS.
19137SPRING SUB-ASSY, DAMPER
main19137-33011i18RC..RT118..4F;20R..RT105..3FC..4D;18RC..RT104..3FC..STD197308-197507 main19137-33012i20R..RT119..3HC;20R..RT105..3FC..4D197507-197708 19145POINT, DISTRIBUTOR
main19145-26060i18RC..RT118..4F;18RC..RT104..3FC..STD197308-197408 main19145-34150i18RC..RT118..4F;18RC..RT104..3FC..STD197401-197408 2 POINT DIS.
19146DISTRIBUTOR KIT, NO.2
main19145-34160i18RC..RT118..4F;18RC..RT104..3FC..STD197401-197408 2 POINT DIS.
19151SHAFT, GOVERNOR
main19151-33011i18RC..RT118..4F;18RC..RT104..3FC..STD197308-197408 19152WEIGHT, GOVERNOR
main19152-33011×2i18RC..RT118..4F;18RC..RT104..3FC..STD197308-197405 main19152-45060×2i18RC..RT118..4F;20R..RT119..3HC;20R..RT105..3FC..4D;18RC..RT104..3FC..STD197405-197808 19152ARING, SNAP(FOR GOVERNOR WEIGHT)
main90099-07011×2i18RC..RT118..4F;20R..RT119..3HC;20R..RT105..3FC..4D;18RC..RT104..3FC..STD197308-197608 19153SPRING, GOVERNOR, A
main19153-34043i18RC..RT118..4F;18RC..RT104..3FC..STD197308-197408 W/EGR CALIFORNIA SPEC.
main19153-34052i18RC..RT118..4F;18RC..RT104..3FC..STD197308-197408 main19153-38011i20R..RT119..3HC;20R..RT105..3FC..4D197509-197708 19154SPRING, GOVERNOR, B
main19154-34043i18RC..RT118..4F;18RC..RT104..3FC..STD197308-197408 W/EGR CALIFORNIA SPEC.
main19154-34052i18RC..RT118..4F;18RC..RT104..3FC..STD197308-197408 main19154-34160i18RC..RT118..4F;18RC..RT104..3FC..STD197401-197408 2 POINT DIS.
main19154-38011i20R..RT119..3HC;20R..RT105..3FC..4D197509-197708 19155GEAR, SPIRAL, DISTRIBUTOR
main19195-33011i18RC..RT118..4F;18RC..RT104..3FC..STD197308-197408 main19195-38010i20R..RT119..3HC;20R..RT105..3FC..4D197408-197808 19220ADVANCER ASSY, VACUUM, DISTRIBUTOR
main19220-34044i18RC..RT118..4F;18RC..RT104..3FC..STD197308-197408 main19220-34170i18RC..RT118..4F;18RC..RT104..3FC..STD197311-197408 W/EGR CALIFORNIA SPEC.
main19220-38010i20R..RT119..3HC;20R..RT105..3FC..4D197408-197608 CALIFORNIA & CANADA SPEC.
19221CAP, ADJUSTER, DISTRIBUTOR
main19221-30030i18RC..RT118..4F;18RC..RT104..3FC..STD197308-197408 main19221-45060i20R..RT119..3HC;20R..RT105..3FC..4D197408-197708 19231TERMINAL, DISTRIBUTOR
main19231-33011i18RC..RT118..4F;18RC..RT104..3FC..STD197308-197408 main19231-38011i20R..RT119..3HC;20R..RT105..3FC..4D197507-197708 19232TERMINAL, DISTRIBUTOR, NO.2
main19231-34150i18RC..RT118..4F;18RC..RT104..3FC..STD197401-197408 2 POINT DIS.
19905CLAMP SUB-ASSY, DISTRIBUTOR
main19955-33010i18RC..RT118..4F;18RC..RT104..3FC..STD197308-197408