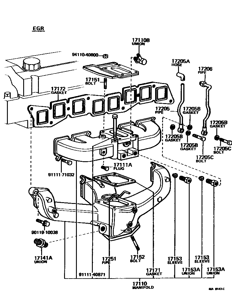
17110MANIFOLD ASSY
main17110-34050i18RC..RT118..4F;18RC..RT104..3FC..STD197308-197408 main17110-34061i18RC..RT118..4F;18RC..RT104..3FC..STD197308-197408 W/EGR CALIFORNIA SPEC.
17110BUNION(FOR VENTILATION HOSE TO MANIFOLD)
main90404-10206i18RC..RT118..4F;18RC..RT104..3FC..STD197308-197408 main90404-17326i20R..RT119..3HC;20R..RT105..3FC..4D197408-197608 17111MANIFOLD, INTAKE
main17111-38011i20R..RT119..3HC;20R..RT105..3FC..4D197509-197608 17141MANIFOLD, EXHAUST
main17141-39015i20R..RT119..3HC;20R..RT105..3FC..4D197408-197608 17141AUNION(FOR EXHAUST GAS RECIRCULATION OUTLET)
main90404-26284i18RC..RT118..4F;18RC..RT104..3FC..STD197308-197408 17151BOLT, STUD(FOR MANIFOLD TO CARBURETOR)
main90116-08018×2i20R..RT119..3HC;20R..RT105..3FC..4D197408-197607 L=44,S=11&23
main90119-08019×2i20R..RT119..3HC;20R..RT105..3FC..4D197408-197808 L=48
main92132-40828×4i18RC..RT118..4F;18RC..RT104..3FC..STD197308-197408 17152BOLT, STUD(FOR MANIFOLD TO EXHAUST PIPE)
main90116-10001×3i20R..RT119..3HC;20R..RT105..3FC..4D197408-197808 L=36,S=15&15
main92122-41022×3i18RC..RT118..4F;18RC..RT104..3FC..STD197308-197408 L=34,S=12&12
17153SLEEVE, BALL(FOR AUTOMATIC CHOKE STOVE PIPE)
main90410-06003×2i18RC..RT118..4F;18RC..RT104..3FC..STD197308-197408 17153AUNION(FOR AUTOMATIC CHOKE STOVE PIPE)
main90404-14022×2i18RC..RT118..4F;18RC..RT104..3FC..STD197308-197408 17171GASKET, INTAKE TO EXHAUST MANIFOLD
main17171-40010i18RC..RT118..4F;18RC..RT104..3FC..STD197308-197408 17172GASKET, MANIFOLD TO CYLINDER HEAD
main17172-33010i18RC..RT118..4F;18RC..RT104..3FC..STD197308-197408 17205PIPE, AUTOMATIC CHOKE STOVE INLET
main17205-34010i18RC..RT118..4F;18RC..RT104..3FC..STD197308-197408 17205AHOSE(FOR AUTOMATIC CHOKE STOVE PIPE)
main90910-05017i18RC..RT118..4F;18RC..RT104..3FC..STD197308-197408 17205BGASKET(FOR AUTOMATIC CHOKE STOVE PIPE)
main90430-08033×4i18RC..RT118..4F;18RC..RT104..3FC..STD197308-197408 17205CBOLT, UNION(FOR AUTOMATIC CHOKE STOVE PIPE)
main90401-08012×2i18RC..RT118..4F;18RC..RT104..3FC..STD197308-197408 17206PIPE, AUTOMATIC CHOKE STOVE OUTLET
main17206-34020i18RC..RT118..4F;18RC..RT104..3FC..STD197308-197408 17251PIPE,AUTOMATIC CHOKE STOVE
main17251-33020i18RC..RT118..4F;18RC..RT104..3FC..STD197308-197408