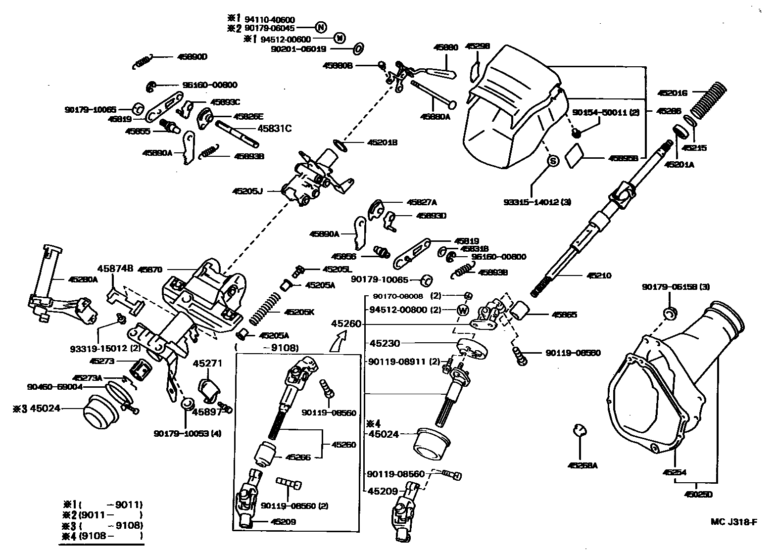
STEERING COLUMN & SHAFT

45024COVER SUB-ASSY, STEERING COLUMN, LOWER
45025DCOVER SUB-ASSY, STEERING COLUMN HOLE, NO.1
45201ABEARING(FOR STEERING MAIN SHAFT)
45201BRING, SHAFT SNAP(FOR STEERING MAIN SHAFT)
T=1.20; T=1.20,W(TILT STEERING)
45201GSPRING, COMPRESSION(FOR STEERING MAIN SHAFT)
45205ABUSH(FOR STEERING COLUMN TUBE)
W(MEMORY & AUTOMATIC TILT STEERING)
45205JTUBE SUB-ASSY, STEERING COLUMN, UPPER
W(MEMORY & AUTOMATIC TILT STEERING)
45205KSPRING(FOR STEERING COLUMN TUBE)
45205LSCREW(FOR STEERING COLUMN TUBE)
45209YOKE SUB-ASSY, STEERING SLIDING
45210SHAFT ASSY, STEERING MAIN
W(TILT STEERING)
45215COLLAR, MAIN SHAFT BEARING THRUST
45230COUPLING ASSY, FLEXIBLE
45254SHIELD, STEERING COLUMN HOLE
45260SHAFT ASSY, STEERING INTERMEDIATE, NO.2
45266COVER, STEERING INTERMEDIATE SHAFT DUST
45268ANUT(FOR STEERING INTER SHAFT DUST SEAL COVER)
45271CLAMP, STEERING COLUMN, UPPER
45273BUSH, STEERING MAIN SHAFT
45273ARING, HOLE SNAP(FOR STEERING MAIN SHAFT BUSH)
45280ABRACKET ASSY, STEERING COLUMN, UPPER
45286COVER, STEERING COLUMN
RED,TRIM3#
SHADOW GRAY,TRIM1#
DARK BLUE,DARK BLUE,TRIM8#
W(CRUISE CONTROL),CHOCOLATE BROWN,TRIM4#
RED,TRIM3#; W(TILT STEERING),RED,TRIM3#
SHADOW GRAY,TRIM1#; W(TILT STEERING),SHADOW GRAY,TRIM1#
DARK BLUE,TRIM8#; W(TILT STEERING),DARK BLUE,TRIM8#
CHOCOLATE BROWN,TRIM4#; W(TILT STEERING),CHOCOLATE BROWN,TRIM4#
RED,TRIM3#
SHADOW GRAY,TRIM1#
DARK BLUE,TRIM8#
CHOCOLATE BROWN,TRIM4#
RED,TRIM3#; W(TILT STEERING),RED,TRIM3#
SHADOW GRAY,TRIM1#; W(TILT STEERING),SHADOW GRAY,TRIM1#
DARK BLUE,TRIM8#; W(TILT STEERING),DARK BLUE,TRIM8#
CHOCOLATE BROWN,TRIM4#; W(TILT STEERING),CHOCOLATE BROWN,TRIM4#
W(MEMORY & AUTOMATIC TILT STEERING),RED,TRIM3#
SHADOW GRAY,TRIM1#
DARK BLUE,TRIM8#
CHOCOLATE BROWN,TRIM4#; W(MEMORY & AUTOMATIC TILT STEERING),CHOCOLATE BROWN,TRIM4#
W(MEMORY & AUTOMATIC TILT STEERING),RED,TRIM3#
W(MEMORY & AUTOMATIC TILT STEERING),SHADOW GRAY,TRIM1#
W(MEMORY & AUTOMATIC TILT STEERING),DARK BLUE,TRIM8#
CHOCOLATE BROWN,TRIM4#; W(MEMORY & AUTOMATIC TILT STEERING),CHOCOLATE BROWN,TRIM4#
45298PLUG, STEERING COLUMN COVER
RED,TRIM3#
SHADOW GRAY,TRIM1#
DARK BLUE,TRIM8#
SABLE,TRIM4#
45819RETAINER, TILT LEVER
W(MEMORY & AUTOMATIC TILT STEERING)
45826LEVER, STEERING TILT
45826ELEVER, STEERING TILT(FOR TILT ADJUST)
45827ALEVER, STEERING TILT SUB
W(MEMORY & AUTOMATIC TILT STEERING)
45831BSPACER(FOR TILT LEVER LOCK SHAFT)
45831CSHAFT, TILT LEVER LOCK
45855BOLT, TILT STEERING, NO.1
OD=9.989-9.998
OD=9.998-10.007,W(MEMORY & AUTOMATIC TILT STEERING)
OD=9.989-9.998
45856BOLT, TILT STEERING, NO.2
OD=9.989-9.998,W(MEMORY & AUTOMATIC TILT STEERING)
OD=9.993-9.998,W(MEMORY & AUTOMATIC TILT STEERING)
OD=9.989-9.998
45865COLLAR, STEERING MAIN SHAFT
45870TUBE ASSY, STEERING COLUMN
W(TILT STEERING)
W(TILT STEERING)
W(MEMORY & AUTOMATIC TILT STEERING)
W(MEMORY & AUTOMATIC TILT STEERING)
45874BPROTECTOR, STEERING COLUMN, NO.1
W(MEMORY & AUTOMATIC TILT STEERING)
45880LEVER ASSY, STEERING TILT
45880ABOLT(FOR STEERING TILT LEVER)
W(MEMORY & AUTOMATIC TILT STEERING)
45880BSCREW(FOR STEERING TILT LEVER)
45890APAWL ASSY, TILT STEERING
RH
LH
45890DSPRING, TENSION(FOR TILT STEERING PAWL ASSY)
45893BSPRING, TENSION(FOR TILT STEERING PAWL STOPPER)
LH
W(MEMORY & AUTOMATIC TILT STEERING),LH
RH
45893CSTOPPER, STEERING PAWL, RH
MARK 1
MARK 2
MARK 3
MARK 4
MARK 5
MARK 6
MARK 7
MARK 1
MARK 2
MARK 3
MARK 4
MARK 5
45893DSTOPPER, STEERING PAWL, LH
MARK A
MARK B
MARK C
MARK D
MARK E
MARK F
MARK G
45895BPLATE, TILT LEVER INSTRUCTION
W(MEMORY & AUTOMATIC TILT STEERING)
45897BOLT, STEERING LOCK SET
9011908560
main90119-08560
9011908911
main90119-08911
9015450011
main90154-50011
9017008008
main90170-08008
9017906045
main90179-06045
9017906158
main90179-06158
9017910053
main90179-10053
9017910065
main90179-10065
9020106019
main90201-06019
9046069004
main90460-69004
9331514012
main93315-14012
9331915012
main93319-15012
9411040600
main94110-40600
9451200600
main94512-00600
9451200800
main94512-00800
9616000800
main96160-00800
60 parts on this diagram · 3 diagrams in section