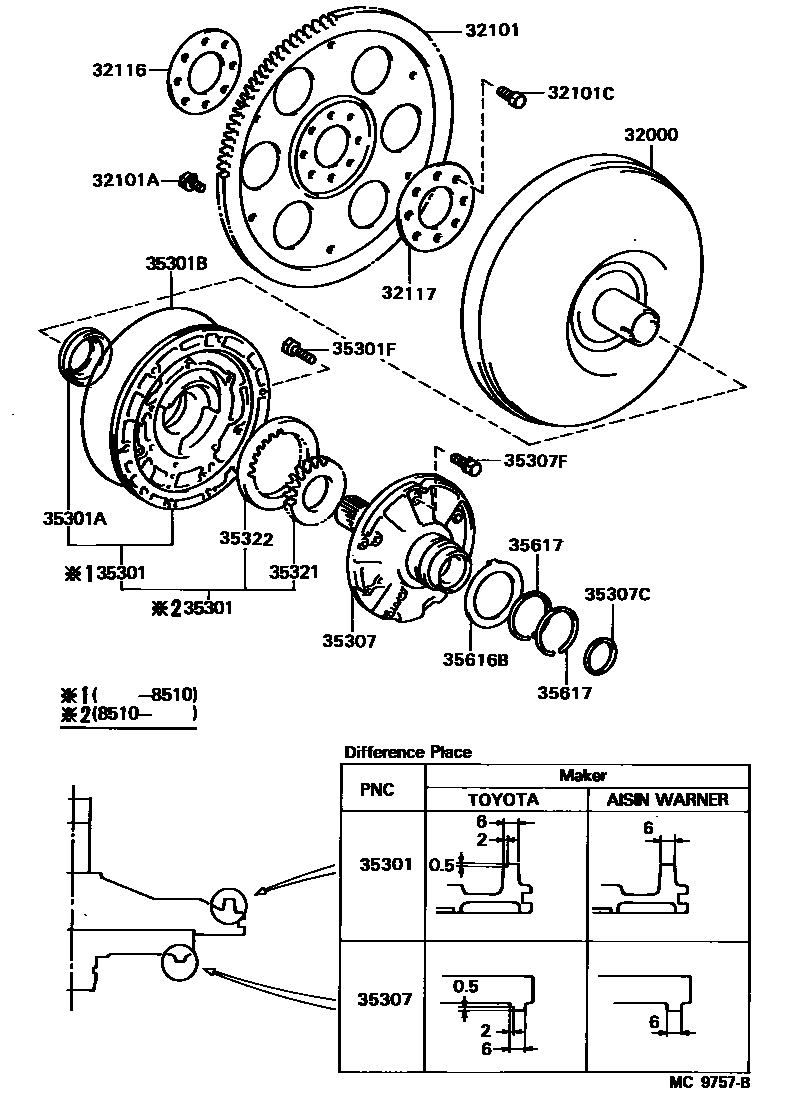
TORQUE CONVERTER, FRONT OIL PUMP & CHAIN (ATM)

32000CONVERTER ASSY, TORQUE
32101GEAR SUB-ASSY, DRIVE PLATE & RING
32101ABOLT(FOR DRIVE PLATE & TORQUE CONVERTER SETTING)
*8-1.25PX12-8.4,GREEN
*8-1.25PX12-8,BLACK
32101CBOLT, HEXAGON(FOR DRIVE PLATE SETTING)
*10-1.25PX22-16
32116SPACER, DRIVE PLATE, FRONT
32117SPACER, DRIVE PLATE, REAR
35301BODY SUB-ASSY, FRONT OIL PUMP
AISIN WARNER
TOYOTA
AISIN WARNER
TOYOTA
35301ASEAL, OIL (FOR FRONT OIL PUMP)
35301BRING, O (FOR FRONT OIL PUMP BODY)
35301FBOLT (FOR FRONT OIL PUMP SETTING)
*8-1.25PX28-28
35307SHAFT SUB-ASSY, STATOR
AISIN WARNER
TOYOTA
35307CRACE, THRUST BEARING (FOR STATOR SHAFT)
T=0.8,T=0.8
T=1.4,T=1.4
35307FBOLT (FOR STATOR SHAFT)
35321GEAR, FRONT OIL PUMP DRIVE
T=9.465-9.440
T=9.440-9.456,MARK A OR D
T=9.456-9.474,MARK B OR E
T=9.474-9.490,MARK C OR F
35322GEAR, FRONT OIL PUMP DRIVEN
T=9.465-9.440
T=9.440-9.456,MARK A OR D
T=9.456-9.474,MARK B OR E
T=9.474-9.490,MARK C OR F
35616BWASHER, CLUTCH DRUM THRUST (FOR STATOR SHAFT)
35617RING, CLUTCH DRUM OIL SEAL
17 parts on this diagram · 1 diagram in section