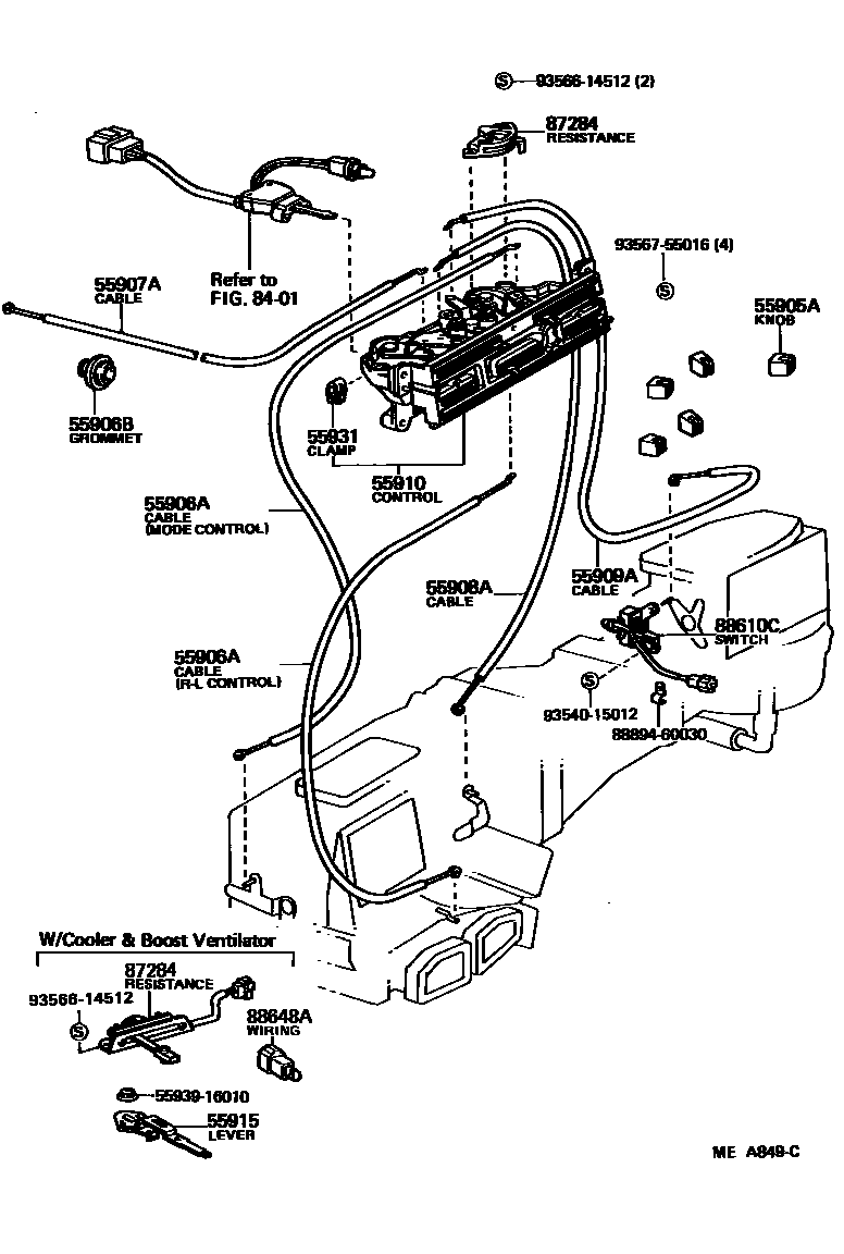
HEATING & AIR CONDITIONING - CONTROL & AIR DUCT

55905AKNOB, HEATER CONTROL
55906ACABLE SUB-ASSY, DEFROSTER DAMPER CONTROL
L=470
L=585
55906BGROMMET(FOR HEATER CONTROL CABLE)
55907ACABLE SUB-ASSY, WATER VALVE CONTROL
55908ACABLE SUB-ASSY, AIR INLET DAMPER CONTROL
55909ACABLE SUB-ASSY, AIRMIX DAMPER CONTROL
55910CONTROL ASSY, HEATER OR BOOST VENTILATOR
W/BOOST VENTILATOR
W/COOLER & BOOST VENTILATOR
55915LEVER, COOLER CONTROL
W/COOLER & BOOST VENTILATOR
55931CLAMP, HEATER CONTROL WIRE
8401SWITCH & RELAY & COMPUTER
87284RESISTOR SUB-ASSY, VARIABLE
W/COOLER & BOOST VENTILATOR
88610CSWITCH ASSY, COOLER CONTROL
MICRO SWITCH
88648AWIRING, COOLER
5593916010ORNAMENT, HEATER CONTROL
main55939-16010
8889460030
main88894-60030
9354015012
main93540-15012
9356614512
main93566-14512
9356755016
main93567-55016
18 parts on this diagram · 3 diagrams in section