E
EPC Data

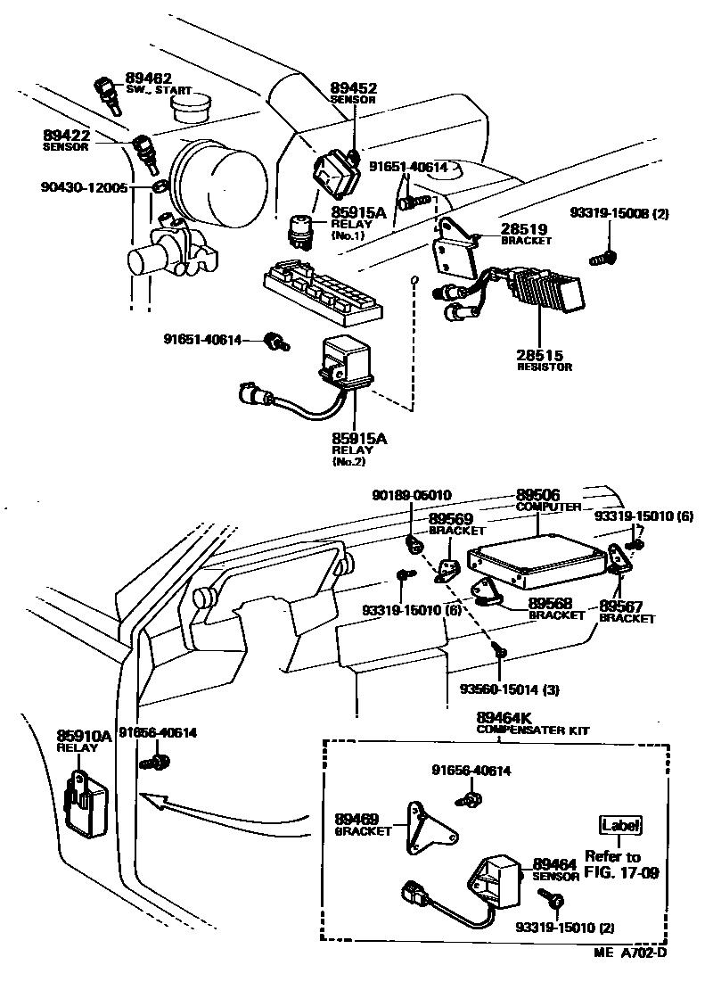
ELECTRONIC FUEL INJECTION SYSTEM

Parts diagram
1709CAUTION PLATE & NAME PLATE (ENGINE)
28515RESISTOR, SOLENOID
main28515-26030i198208-198507
main28515-43010i198108-198512
28519BRACKET, SOLENOID RESISTOR
main28519-14010i198208-198507
main28519-24020i198108-198512
85910ARELAY ASSY, CIRCUIT OPENING (FOR EFI)
main85910-14020i198108-198507
main85910-22040i198208-198512
85915ARELAY, MAIN
main85915-14050i198108-198512
NO.2
main90987-02004i198108-198512
NO.1
89422SENSOR, WATER TEMPERATURE (FOR E.F.I.)
main89422-30020i198108-198512
89452SENSOR, THROTTLE POSITION (FOR E.F.I.)
main89452-14020i198108-198408
main89452-14040i198208-198408
main89452-22010i198208-198408
main89452-28010i198408-198507
main89452-28040i198505-198512
89462SWITCH, START INJECTOR TIME
main89462-30011i198208-198512
main89462-40010i198108-198212
89464SWITCH, ALTITUDE COMPENSATION
main89464-14010i198108-198208
89464KCONPENSATER KIT, HIGH ALTITUDE
main04215-43020i198108-198208
89469BRACKET, ALTITUDE COMPENSATION SWITCH
main89469-14020i198108-198208
89506COMPUTER SET, FUEL INJECTION
main89561-14090i198108-198111
main89561-14100i198108-198111
main89561-14120i198111-198208
main89561-14130i198111-198208
main89561-14170i198208-198212
main89561-14171i198212-198308
main89561-14172i198308-198408
main89561-14180i198208-198212
main89561-14181i198212-198308
main89561-14182i198308-198408
main89661-14020i198308-198408
PERFORMANCE PACK
main89661-22040i198208-198408
main89661-22050i198208-198408
main89661-22080i198408-198512
main89661-22090i198408-198512
main89661-35010i198408-198507
89567BRACKET, FUEL INJECTION COMPUTER
main89567-14080i198108-198512
89568BRACKET, FUEL INJECTION COMPUTER
main89568-14070i198108-198512
89569BRACKET, FUEL INJECTION COMPUTER
main89569-14060i198108-198512
9018905010
9043012005
9165140614
9165640614
9331915008
9331915010
9356015014

22 parts on this diagram · 1 diagram in section

ELECTRONIC FUEL INJECTION SYSTEM — Toyota Parts Diagram with OEM Numbers & Prices | EPC Data