E
EPC Data

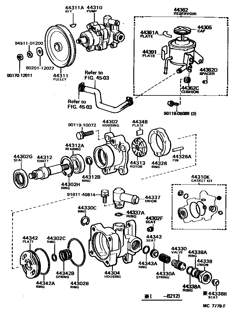
VANE PUMP & RESERVOIR (POWER STEERING)

Parts diagram
44302HOUSING SUB-ASSY, VANE PUMP, FRONT
main44302-12010i198108-198507
main44302-22020i198108-198512
44302BRING, O, NO.1(FOR VANE PUMP HOUSING)
main90301-60001i198108-198512
44302CRING, O, NO.2(FOR VANE PUMP HOUSING)
main96710-01016i198108-198112
main96711-19016i198112-198512
44302FSEAT, UNION(FOR VANE PUMP HOUSING)
main90410-05035i198108-198512
44302GSEAL, OIL, NO.2(FOR VANE PUMP HOUSING)
main90311-24001i198108-198512
44302HRING, SNAP, NO.1(FOR VANE PUMP HOUSING)
main90521-44002i198108-198512
44304HOUSING SUB-ASSY, VANE PUMP, REAR
main44304-14050i198208-198408
main44304-20030i198108-198308
main44304-22010i198108-198311
main44304-22011i198311-198512
main44304-35030i198408-198507
44305CAP SUB-ASSY, VANE PUMP OIL RESERVOIR
main44305-30020i198108-198512
44310PUMP ASSY, VANE
main44320-14110i198108-198308
main44320-14120i198108-198311
main44320-14121i198311-198409
main44320-14160i198208-198408
main44320-14161i198408-198507
main44320-22270i198409-198512
44310KGASKET KIT, POWER STEERING PUMP
main04446-14010i198108-198512
44311PULLEY, VANE PUMP
main44311-20010i198108-198507
main44311-22030i198108-198512
44311AKEY, VANE PUMP PULLEY
main90280-05008i198108-198512
44312SHAFT, VANE PUMP
main44312-12010i198108-198512
44312ABEARING(FOR VANE PUMP SHAFT)
main90363-17004i198108-198512
44312BRING, SNAP, NO.1(FOR VANE PUMP SHAFT)
main90520-15001i198108-198512
44313ROTOR, VANE PUMP
main44313-12010i198108-198512
NO MARK
main44313-12020i198108-198512
MARK 1,MARK 1
main44313-12030i198108-198512
MARK 2,MARK 2
main44313-12040i198108-198512
MARK 3,MARK 3
main44313-12050i198108-198512
MARK 4,MARK 4
44326RING, CAM(FOR VANE PUMP)
main44325-12010i198108-198512
NO MARK
main44325-12020i198108-198512
MARK 1,MARK 1
main44325-12030i198108-198512
MARK 2,MARK 2
main44325-12040i198108-198512
MARK 3,MARK 3
main44325-12050i198108-198512
MARK 4,MARK 4
44326APIN, STRAIGHT(FOR VANE PUMP CAM RING)
main90250-05008×2i198108-198512
L=25,OD=5.0
44330VALVE ASSY, FLOW CONTROL
main44330-12010i198108-198201
MARK A,MARK A
main44330-12020i198108-198201
MARK B,MARK B
main44330-12030i198108-198201
MARK C,MARK C
main44330-12040i198108-198201
MARK D,MARK D
main44330-12050i198108-198201
MARK E,MARK E
main44330-12060i198108-198201
MARK F,MARK F
main44330-12130i198207-198409
MARK A,MARK A
main44330-12140i198207-198409
MARK B,MARK B
main44330-12150i198207-198409
MARK C,MARK C
main44330-12160i198207-198409
MARK D,MARK D
main44330-12170i198207-198409
MARK E,MARK E
main44330-12180i198207-198409
MARK F,MARK F
main44330-14010i198207-198507
MARK A,MARK A
main44330-14020i198409-198512
MARK B,MARK B
main44330-14030i198207-198507
MARK C,MARK C
main44330-14040i198207-198507
MARK D,MARK D
main44330-14050i198207-198507
MARK E,MARK E
main44330-14060i198207-198507
MARK F,MARK F
main44330-24010i198108-198207
MARK A,MARK A
main44330-24020i198108-198207
MARK B,MARK B
main44330-24030i198108-198207
MARK C,MARK C
main44330-24040i198108-198207
MARK D,MARK D
main44330-24050i198108-198207
MARK E,MARK E
main44330-24060i198108-198207
MARK F,MARK F
main44330-35070i198201-198207
MARK A,MARK A
main44330-35080i198201-198207
MARK B,MARK B
main44330-35090i198201-198207
MARK C,MARK C
main44330-35100i198201-198207
MARK D,MARK D
main44330-35110i198201-198207
MARK E,MARK E
main44330-35120i198201-198207
MARK F,MARK F
44330ASPRING, COMPRESSION(FOR FLOW CONTROL VALVE)
main90501-12447i198108-198512
44330CRING, SNAP(FOR FLOW CONTROL VALVE)
main96151-01700×2i198108-198512
44337UNION, POWER STEERING SUCTION PORT
main90404-16016i198108-198507
44337ARING, O(FOR POWER STEERING SUCTION PORT)
main96710-01013i198108-198112
main96711-19013i198112-198507
44338UNION, PRESSURE PORT
main44308-14020i198108-198112
main44308-14040i198112-198405
main44308-14041i198405-198512
44338ARING, O(FOR PRESSURE PORT UNION)
main90301-22001i198108-198512
OD=25.5,ID=22.5,ID=22.5,OD=25.5
main96710-01014i198108-198112
ID=14,OD=17,ID=14,OD=17
main96711-19014i198112-198512
OD=17.0,ID=13.0,ID=13.8,OD=17.6
44338BSEAT, UNION(FOR PRESSURE PORT UNION)
main90410-06004i198108-198212
44342PLATE, VANE PUMP SIDE, REAR
main44341-12010i198108-198512
44342ARING, O(FOR VANE PUMP SIDE PLATE REAR)
main90301-53002i198108-198512
44342BSPRING, COMPRESSION(FOR VANE PUMP SIDE PLATE REAR)
main90501-23014i198108-198512
44343SEAT, FLOW CONTROL SPRING
main44343-12010i198108-198512
44343ARING, O(FOR FLOW CONTROL SPRING SEAT)
main96710-01014i198108-198112
main96711-19014i198112-198512
44348PLATE, VANE PUMP
main44345-12010×10i198108-198512
L=14.997,L=14.996-14.998,ROTOR NO MARK
main44345-12020×10i198108-198512
L=14.995,L=14.994-14.996,ROTOR MARK 1
main44345-12030×10i198108-198512
L=14.993,L=14.992-14.994,ROTOR MARK 2
main44345-12040×10i198108-198512
L=14.991,L=14.990-14.992,ROTOR MARK 3
main44345-12050×10i198108-198512
L=14.989,L=14.988-14.990,ROTOR MARK 4
44362RESERVOIR, OIL(FOR VANE PUMP)
main44306-22100i198108-198512
main44360-14020i198108-198507
44362CCUSHION(FOR VANE PUMP OIL RESERVOIR)
main90540-09004×3i198108-198507
44362DSPACER(FOR VANE PUMP OIL RESERVOIR)
main90560-06014×3i198112-198507
main90560-06238×3i198108-198112
44391PLATE, POWER STEERING OIL RESERVOIR CAUTION
main44391-30020i198108-198512
44391APLATE, OIL RESERVOIR CAUTION
main44391-20010i198108-198507
4503POWER STEERING TUBE
9011906089
9011910072
9017012011
9020112022
9161140814
9451101200

44 parts on this diagram · 2 diagrams in section

VANE PUMP & RESERVOIR (POWER STEERING) — Toyota Parts Diagram with OEM Numbers & Prices | EPC Data