E
EPC Data

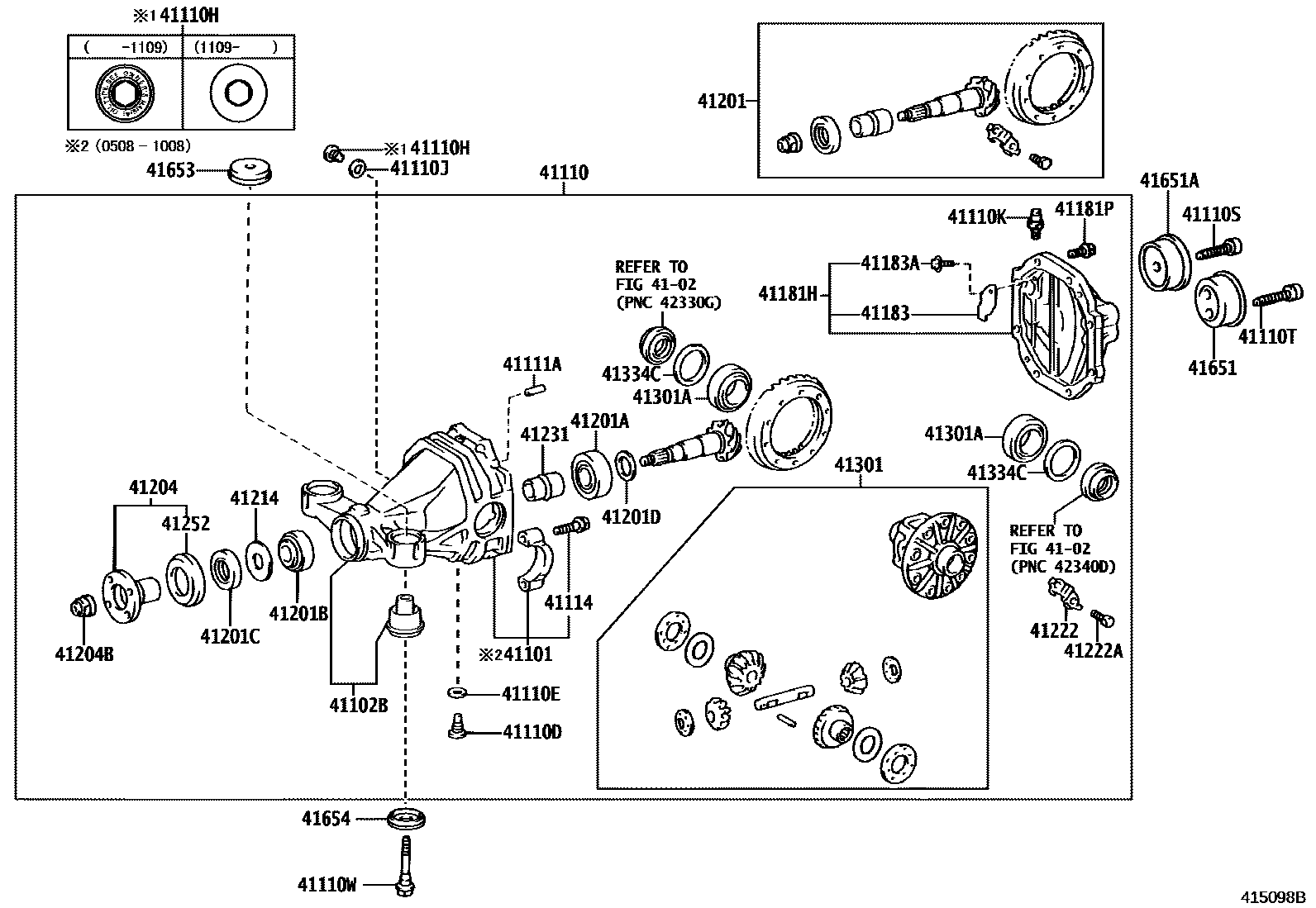
REAR AXLE HOUSING & DIFFERENTIAL

Parts diagram
4102
41101CARRIER SUB-ASSY, DIFFERENTIAL, REAR
main41101-53030i200508-201008
41102BCARRIER SUB-ASSY, DIFFERENTIAL W/MOUNT
main41102-22010i201110-201304
main41102-30030i200508-201304
41110CARRIER ASSY, DIFFERENTIAL, REAR
main41110-30A00i200808-201002
*FGR=41:10=4.100
main41110-30A01i201002-201011
*FGR=41:10=4.100
main41110-30A02i201011-201210
*FGR=41:10=4.100
main41110-30A03i201210-201304
*FGR=41:10=4.100
main41110-30A21i200508-200808
*FGR=41:10=4.100
main41110-50231i201008-201110
*FGR=49:13=3.769
main41110-50232i201110-201207
*FGR=49:13=3.769
main41110-50233i201207-201304
*FGR=49:13=3.769
main41110-53180i200508-201003
*FGR=49:12=4.083
main41110-53181i201003-201110
*FGR=49:12=4.083
main41110-53182i201110-201207
*FGR=49:12=4.083
main41110-53183i201207-201304
*FGR=49:12=4.083
main41110-53201i200509-200808
*FGR=41:11=3.727,SPORT PACKAGE
main41110-53201i200509-201002
*FGR=41:11=3.727
main41110-53202i201002-201011
*FGR=41:11=3.727
main41110-53203i201011-201208
*FGR=41:11=3.727
main41110-53221i200508-200808
*FGR=43:11=3.909,SPORT PACKAGE
main41110-53221i200508-201002
*FGR=43:11=3.909
main41110-53222i201002-201011
*FGR=43:11=3.909
main41110-53223i201011-201210
*FGR=43:11=3.909
main41110-53224i201210-201304
*FGR=43:11=3.909
41110DPLUG (FOR REAR DIFFERENTIAL DRAIN)
main90341-18035i200508-200808
SPORT PACKAGE
main90341-18035i200808-201008
41110EGASKET (FOR REAR DIFFERENTIAL DRAIN PLUG)
main12157-10010i200808-201008
main12157-10010i200508-200808
SPORT PACKAGE
41110HPLUG (FOR REAR DIFFERENTIAL FILLER)
main90341-18032i201109-201304
main90341-18066i200508-201110
41110JGASKET (FOR REAR DIFFERENTIAL FILLER PLUG)
main12157-10010i200508-200808
SPORT PACKAGE
main12157-10010i200808-201304
41110KPLUG, BREATHER (FOR REAR DIFFERENTIAL)
main90930-03077i200508-200808
SPORT PACKAGE
main90930-03077i200808-201008
41110SBOLT, NO.2 (FOR REAR DIFFERENTIAL CARRIER SET)
main90110-14003i200508-200609
main90110-14004i200508-200609
main90110-14006i200610-201008
main90110-14007i200610-201008
41110TBOLT, NO.3 (FOR REAR DIFFERENTIAL CARRIER SET)
main90110-14003i200508-200609
main90110-14004i200508-200609
main90110-14006i200610-201008
main90110-14007i200610-201008
41110WBOLT, NO.4 (FOR REAR DIFFERENTIAL CARRIER SET)
main90109-12081i200508-201008
41111CARRIER, REAR DIFFERENTIAL
main41111-30120i201110-201304
41111APIN, STRAIGHT (FOR REAR DIFFERENTIAL CARRIER)
main90250-08120i200508-200808
SPORT PACKAGE
main90250-08120i200808-201008
main90250-10017i200508-201008
41114BOLT, REAR DIFFERENTIAL BEARING CAP
main90105-12164i200808-201008
main90105-12164i200508-200808
SPORT PACKAGE
41181HCOVER, REAR DIFFERENTIAL CARRIER
main41108-50031i200508-201110
main41108-50050i201110
main41108-53010i200508-200808
main41108-53020i200508-200808
SPORT PACKAGE
main41108-53020i200808-201210
main41108-53021i201210
41181PBOLT (FOR REAR DIFFERENTIAL CARRIER COVER SETTING)
main90105-10417i200808-201008
main90105-10417i200508-200808
SPORT PACKAGE
41183DEFLECTOR, REAR DIFFERENTIAL BREATHER PLUG OIL
main41183-30020i201110
main41183-50010i200508-201110
main41183-53010i200508-200808
main41183-53020i200808-201008
main41183-53020i200508-200808
SPORT PACKAGE
41183ABOLT (FOR REAR DIFFERENTIAL BREATHER PLUG OIL DEFLECTOR)
main91611-B0614i200508-200808
SPORT PACKAGE
main91611-B0614i200808-201008
main91651-60614i200508-201008
41201FINAL GEAR KIT, DIFFERENTIAL, REAR
main41201-19605i200808-201008
*FGR=41:10=4.100
main41201-59065i201008
*FGR=49:13=3.769
main41201-59175i200508-201004
*FGR=49:12=4.083
main41201-59176i201004-201008
*FGR=49:12=4.083
main41201-59265i201205
*FGR=43:11=3.909
main41201-80050i200509-201208
*FGR=41:11=3.727
main41201-80052i200508-201205
*FGR=43:11=3.909
main41201-80054i200508-200808
*FGR=41:10=4.100
41201ABEARING (FOR REAR DRIVE PINION REAR)
main90366-35104i200508-200808
main90366-35133i200508-200808
SPORT PACKAGE
main90366-35133i200808-201210
main90366-35170i201210
main90366-45032i200508-201003
main90366-45035i201003-201207
main90366-45056i201207
41201BBEARING (FOR REAR DRIVE PINION FRONT)
main90366-30078i200508-200808
main90366-30093i200508-200808
SPORT PACKAGE
main90366-30093i200808-201210
main90366-30108i201210
main90366-34010i200508-201207
main90366-34024i201207
41201CSEAL, OIL (FOR REAR DIFFERENTIAL CARRIER)
main90311-38070i200508-200808
SPORT PACKAGE
main90311-38070i200808-201008
main90311-44005i200508-201008
41201DWASHER, PLATE (FOR REAR DIFFERENTIAL DRIVE PINION)
main90201-35497i200508-201008
OD=47,T=1.70
main90201-35497i200508-200808
OD=47,T=1.70,SPORT PACKAGE
main90201-35498i200508-201008
OD=47,T=1.73
main90201-35498i200508-200808
OD=47,T=1.73,SPORT PACKAGE
main90201-35499i200508-201008
OD=47,T=1.76
main90201-35499i200508-200808
OD=47,T=1.76,SPORT PACKAGE
main90201-35500i200508-200808
OD=47,T=1.79,SPORT PACKAGE
main90201-35500i200508-201008
OD=47,T=1.79
main90201-35501i200508-200808
OD=47,T=1.82,SPORT PACKAGE
main90201-35501i200508-201008
OD=47,T=1.82
main90201-35502i200508-201008
OD=47,T=1.85
main90201-35502i200508-200808
OD=47,T=1.85,SPORT PACKAGE
main90201-35503i200508-201008
OD=47,T=1.88
main90201-35503i200508-200808
OD=47,T=1.88,SPORT PACKAGE
main90201-35504i200508-201008
OD=47,T=1.91
main90201-35504i200508-200808
OD=47,T=1.91,SPORT PACKAGE
main90201-35505i200508-200808
OD=47,T=1.94,SPORT PACKAGE
main90201-35505i200508-201008
OD=47,T=1.94
main90201-35506i200508-201008
OD=47,T=1.97
main90201-35506i200508-200808
OD=47,T=1.97,SPORT PACKAGE
main90201-35507i200508-200808
OD=47,T=2.00,SPORT PACKAGE
main90201-35507i200508-201008
OD=47,T=2.00
main90201-35508i200508-200808
OD=47,T=2.03,SPORT PACKAGE
main90201-35508i200508-201008
OD=47,T=2.03
main90201-35509i200508-201008
OD=47,T=2.06
main90201-35509i200508-200808
OD=47,T=2.06,SPORT PACKAGE
main90201-35510i200508-201008
OD=47,T=2.09
main90201-35510i200508-200808
OD=47,T=2.09,SPORT PACKAGE
main90201-35511i200508-200808
OD=47,T=2.12,SPORT PACKAGE
main90201-35511i200508-201008
OD=47,T=2.12
main90201-35512i200508-201008
OD=47,T=2.15
main90201-35512i200508-200808
OD=47,T=2.15,SPORT PACKAGE
main90201-35513i200508-201008
OD=47,T=2.18
main90201-35513i200508-200808
OD=47,T=2.18,SPORT PACKAGE
main90201-35514i200508-200808
OD=47,T=2.21,SPORT PACKAGE
main90201-35514i200508-201008
OD=47,T=2.21
main90201-35515i200508-201008
OD=47,T=2.24,MARK 01
main90201-35515i200508-200808
OD=47,T=2.24,MARK 01,SPORT PACKAGE
main90201-35516i200508-200808
OD=47,T=2.27,MARK 02,SPORT PACKAGE
main90201-35516i200508-201008
OD=47,T=2.27,MARK 02
main90201-35517i200508-201008
OD=47,T=2.30,MARK 03
main90201-35517i200508-200808
OD=47,T=2.30,MARK 03,SPORT PACKAGE
main90201-35518i200508-201008
OD=47,T=2.33,MARK 04
main90201-35518i200508-200808
OD=47,T=2.33,MARK 04,SPORT PACKAGE
main90201-70001i200508-201106
T=1.87,MARK 87
main90201-70002i200508-201008
T=1.88,MARK 88
main90201-70003i200508-201106
T=1.89,MARK 89
main90201-70004i200508-201008
T=1.90,MARK 90
main90201-70005i200508-201106
T=1.91,MARK 91
main90201-70006i200508-201008
T=1.92,MARK 92
main90201-70007i200508-201106
T=1.93,MARK 93
main90201-70008i200508-201008
T=1.94,MARK 94
main90201-70009i200508-201106
T=1.95,MARK 95
main90201-70010i200508-201008
T=1.96,MARK 96
main90201-70011i200508-201106
T=1.97,MARK 97
main90201-70012i200508-201008
T=1.98,MARK 98
main90201-70013i200508-201106
T=1.99,MARK 99
main90201-70014i200508-201008
T=2.00,MARK 00
main90201-70015i200508-201106
T=2.01,MARK 01
main90201-70016i200508-201008
T=2.02,MARK 02
main90201-70017i200508-201106
T=2.03,MARK 03
main90201-70018i200508-201008
T=2.04,MARK 04
main90201-70019i200508-201106
T=2.05,MARK 05
main90201-70020i200508-201008
T=2.06,MARK 06
main90201-70021i200508-201106
T=2.07,MARK 07
main90201-70022i200508-201008
T=2.08,MARK 08
main90201-70023i200508-201106
T=2.09,MARK 09
main90201-70024i200508-201008
T=2.10,MARK 10
main90201-70025i200508-201106
T=2.11,MARK 11
main90201-70026i200508-201008
T=2.12,MARK 12
main90201-70027i200508-201106
T=2.13,MARK 13
main90201-70028i200508-201008
T=2.14,MARK 14
main90201-70029i200508-201106
T=2.15,MARK 15
main90201-70030i200508-201008
T=2.16,MARK 16
main90201-70031i200508-201106
T=2.17,MARK 17
main90201-70032i200508-201008
T=2.18,MARK 18
main90201-70033i200508-201106
T=2.19,MARK 19
main90201-70034i200508-201008
T=2.20,MARK 20
main90201-70035i200508-201106
T=2.21,MARK 21
main90201-70036i200508-201008
T=2.22,MARK 22
main90201-70037i200508-201106
T=2.23,MARK 23
main90201-70038i200508-201008
T=2.24,MARK 24
main90201-70039i200508-201106
T=2.25,MARK 25
main90201-70040i200508-201008
T=2.26,MARK 26
main90201-70041i200508-201106
T=2.27,MARK 27
main90201-70042i200508-201008
T=2.28,MARK 28
41204FLANGE SUB-ASSY, REAR DRIVE PINION COMPANION, REAR
main41204-30040i200508-201008
main41204-35041i200808-201008
main41204-35041i200508-200808
SPORT PACKAGE
main41204-35050i200508-200808
41204BNUT (FOR REAR DRIVE PINION)
main90179-18020i200508-200808
OD=33.5
main90179-20018i200508-201008
OD=37
main90179-20018i200508-200808
OD=37,SPORT PACKAGE
main90179-26005i200508-201008
OD=40.4
41214SLINGER, REAR DIFFERENTIAL DRIVE PINION OIL
main41214-26010i200508-200808
SPORT PACKAGE
main41214-26010i200808-201008
main41214-35020i200508-200808
main41214-50010i200508-201008
41222PLATE, REAR DIFFERENTIAL RING GEAR SET BOLT LOCK
main41222-22010i200508-200808
SPORT PACKAGE
main41222-22010i200808-201008
main41222-35030i200508-200808
41222ABOLT (FOR REAR DIFFERENTIAL RING GEAR SET)
main90101-11353i200508-200808
SPORT PACKAGE
main90101-11353i200808-201008
41231SPACER, REAR DIFFERENTIAL DRIVE PINION BEARING
main41231-22010i200508-200808
main41231-24010i200808-201008
main41231-24010i200508-200808
SPORT PACKAGE
main41231-30050i201207
main41231-50010i200508-201207
41252DEFLECTOR, DUST (FOR REAR DIFFERENTIAL)
main41252-24010i200508-201008
main41252-30010i200508-200808
main41252-35020i200508-200808
SPORT PACKAGE
main41252-35020i200808-201008
41301CASE SUB-ASSY, REAR DIFFERENTIAL
main41301-50030i200508-201003
main41301-50031i201003-201008
main41301-53030i200508-200808
SPORT PACKAGE
main41301-53030i200808-201002
main41301-53031i201002-201011
main41301-53032i201011
41301ABEARING(FOR REAR DIFFERENTIAL CASE)
main90366-50001i200508-200808
SPORT PACKAGE
main90366-50001i200808-201008
main90366-50087i200508-201008
main90368-50006i200508-200808
41334CWASHER, PLATE (FOR REAR DIFFERENTIAL SIDE GEAR SHAFT)
main90201-52001i200508-201008
T=2.58,MARK 01
main90201-52001i200508-200808
T=2.58,MARK 01,SPORT PACKAGE
main90201-52003i200508-201008
T=2.64,MARK 03
main90201-52003i200508-200808
T=2.64,MARK 03,SPORT PACKAGE
main90201-52005i200508-200808
T=2.70,MARK 05,SPORT PACKAGE
main90201-52005i200508-201008
T=2.70,MARK 05
main90201-52007i200508-201008
T=2.76,MARK 07
main90201-52007i200508-200808
T=2.76,MARK 07,SPORT PACKAGE
main90201-52009i200508-200808
T=2.82,MARK 09,SPORT PACKAGE
main90201-52009i200508-201008
T=2.82,MARK 09
main90201-52011i200508-201008
T=2.88,MARK 11
main90201-52011i200508-200808
T=2.88,MARK 11,SPORT PACKAGE
main90201-52013i200508-201008
T=2.94,MARK 13
main90201-52013i200508-200808
T=2.94,MARK 13,SPORT PACKAGE
main90201-52015i200508-200808
T=3.00,MARK 15,SPORT PACKAGE
main90201-52015i200508-201008
T=3.00,MARK 15
main90201-52017i200508-200808
T=3.06,MARK 17,SPORT PACKAGE
main90201-52017i200508-201008
T=3.06,MARK 17
main90201-52019i200508-200808
T=3.12,MARK 19,SPORT PACKAGE
main90201-52019i200508-201008
T=3.12,MARK 19
main90201-52021i200508-201008
T=3.18,MARK 21
main90201-52021i200508-200808
T=3.18,MARK 21,SPORT PACKAGE
main90201-52023i200508-200808
T=3.24,MARK 23,SPORT PACKAGE
main90201-52023i200508-201008
T=3.24,MARK 23
main90201-52025i200508-201008
T=3.30,MARK 25
main90201-52025i200508-200808
T=3.30,MARK 25,SPORT PACKAGE
main90201-52027i200508-201008
T=3.36,MARK 27
main90201-52027i200508-200808
T=3.36,MARK 27,SPORT PACKAGE
main90201-52029i200508-201008
T=3.42,MARK 29
main90201-52029i200508-200808
T=3.42,MARK 29,SPORT PACKAGE
main90201-52031i200508-201008
T=3.48,MARK 31
main90201-52031i200508-200808
T=3.48,MARK 31,SPORT PACKAGE
main90201-65007i200508-200808
T=2.58
main90201-65009i200508-200808
T=2.64
main90201-65011i200508-200808
T=2.70
main90201-65013i200508-200808
T=2.76
main90201-65015i200508-200808
T=2.82
main90201-65017i200508-200808
T=2.88
main90201-65019i200508-200808
T=2.94
main90201-65021i200508-200808
T=3.00
main90201-65023i200508-200808
T=3.06
main90201-65025i200508-200808
T=3.12
main90201-65027i200508-200808
T=3.18
main90201-65029i200508-200808
T=3.24
main90564-46014i200508-201008
T=2.60,MARK 32
main90564-46014i200508-200808
T=2.60,MARK 32,SPORT PACKAGE
main90564-46015i200508-201008
T=2.62,MARK 33
main90564-46015i200508-200808
T=2.62,MARK 33,SPORT PACKAGE
main90564-46016i200508-200808
T=2.66,MARK 34,SPORT PACKAGE
main90564-46016i200508-201008
T=2.66,MARK 34
main90564-46017i200508-201008
T=2.68,MARK 35
main90564-46017i200508-200808
T=2.68,MARK 35,SPORT PACKAGE
main90564-46018i200508-200808
T=2.72,MARK 36,SPORT PACKAGE
main90564-46018i200508-201008
T=2.72,MARK 36
main90564-46019i200508-201008
T=2.74,MARK 37
main90564-46019i200508-200808
T=2.74,MARK 37,SPORT PACKAGE
main90564-46020i200508-201008
T=2.78,MARK 38
main90564-46020i200508-200808
T=2.78,MARK 38,SPORT PACKAGE
main90564-46021i200508-200808
T=2.80,MARK 39,SPORT PACKAGE
main90564-46021i200508-201008
T=2.80,MARK 39
main90564-46022i200508-201008
T=2.84,MARK 40
main90564-46022i200508-200808
T=2.84,MARK 40,SPORT PACKAGE
main90564-46023i200508-201008
T=2.86,MARK 41
main90564-46023i200508-200808
T=2.86,MARK 41,SPORT PACKAGE
main90564-46024i200508-201008
T=2.90,MARK 42
main90564-46024i200508-200808
T=2.90,MARK 42,SPORT PACKAGE
main90564-46025i200508-201008
T=2.92,MARK 43
main90564-46025i200508-200808
T=2.92,MARK 43,SPORT PACKAGE
main90564-46026i200508-200808
T=2.96,MARK 44,SPORT PACKAGE
main90564-46026i200508-201008
T=2.96,MARK 44
main90564-46027i200508-201008
T=2.98,MARK 45
main90564-46027i200508-200808
T=2.98,MARK 45,SPORT PACKAGE
main90564-46028i200508-201008
T=3.02,MARK 46
main90564-46028i200508-200808
T=3.02,MARK 46,SPORT PACKAGE
main90564-46029i200508-201008
T=3.04,MARK 47
main90564-46029i200508-200808
T=3.04,MARK 47,SPORT PACKAGE
main90564-46030i200508-201008
T=3.08,MARK 48
main90564-46030i200508-200808
T=3.08,MARK 48,SPORT PACKAGE
main90564-46031i200508-201008
T=3.10,MARK 49
main90564-46031i200508-200808
T=3.10,MARK 49,SPORT PACKAGE
main90564-46032i200508-200808
T=3.14,MARK 50,SPORT PACKAGE
main90564-46032i200508-201008
T=3.14,MARK 50
main90564-46033i200508-201008
T=3.16,MARK 51
main90564-46033i200508-200808
T=3.16,MARK 51,SPORT PACKAGE
main90564-46034i200508-200808
T=3.20,MARK 52,SPORT PACKAGE
main90564-46034i200508-201008
T=3.20,MARK 52
main90564-46035i200508-201008
T=3.22,MARK 53
main90564-46035i200508-200808
T=3.22,MARK 53,SPORT PACKAGE
main90564-46036i200508-201008
T=3.26,MARK 54
main90564-46036i200508-200808
T=3.26,MARK 54,SPORT PACKAGE
main90564-46037i200508-201008
T=3.28,MARK 55
main90564-46037i200508-200808
T=3.28,MARK 55,SPORT PACKAGE
main90564-46038i200508-200808
T=3.32,MARK 56,SPORT PACKAGE
main90564-46038i200508-201008
T=3.32,MARK 56
main90564-46039i200508-200808
T=3.34,MARK 57,SPORT PACKAGE
main90564-46039i200508-201008
T=3.34,MARK 57
main90564-46040i200508-201008
T=3.38,MARK 58
main90564-46040i200508-200808
T=3.38,MARK 58,SPORT PACKAGE
main90564-46041i200508-200808
T=3.40,MARK 59,SPORT PACKAGE
main90564-46041i200508-201008
T=3.40,MARK 59
main90564-46042i200508-200808
T=3.44,MARK 60,SPORT PACKAGE
main90564-46042i200508-201008
T=3.44,MARK 60
main90564-46043i200508-201008
T=3.46,MARK 61
main90564-46043i200508-200808
T=3.46,MARK 61,SPORT PACKAGE
main90564-65001i200508-200808
T=2.60
main90564-65002i200508-200808
T=2.62
main90564-65003i200508-200808
T=2.66
main90564-65004i200508-200808
T=2.68
main90564-65005i200508-200808
T=2.72
main90564-65006i200508-200808
T=2.74
main90564-65007i200508-200808
T=2.78
main90564-65008i200508-200808
T=2.80
main90564-65009i200508-200808
T=2.84
main90564-65010i200508-200808
T=2.86
main90564-65011i200508-200808
T=2.90
main90564-65012i200508-200808
T=2.92
main90564-65013i200508-200808
T=2.96
main90564-65014i200508-200808
T=2.98
main90564-65015i200508-200808
T=3.02
main90564-65016i200508-200808
T=3.04
main90564-65017i200508-200808
T=3.08
main90564-65018i200508-200808
T=3.10
main90564-65019i200508-200808
T=3.14
main90564-65020i200508-200808
T=3.16
main90564-65021i200508-200808
T=3.20
main90564-65022i200508-200808
T=3.22
41651CUSHION, REAR DIFFERENTIAL MOUNT, NO.1
main41651-30060i200508-201008
main41651-30130i200508-201008
41651ACUSHION, REAR DIFFERENTIAL MOUNT, NO.2
main41651-30070i200508-201008
main41651-30140i200508-201008
41653STOPPER, REAR DIFFERENTIAL MOUNT, UPPER
main41653-30060i200508-201008
main41653-50060i200808-201008
main41653-53010i200508-200808
41654STOPPER, REAR DIFFERENTIAL MOUNT, LOWER
main41654-30040i200508-201111
main41654-30050i201111-201209
main41654-30051i201210
main41654-50030i200508-201209
main41654-50031i201210

38 parts on this diagram · 4 diagrams in section

REAR AXLE HOUSING & DIFFERENTIAL — Toyota Parts Diagram with OEM Numbers & Prices | EPC Data