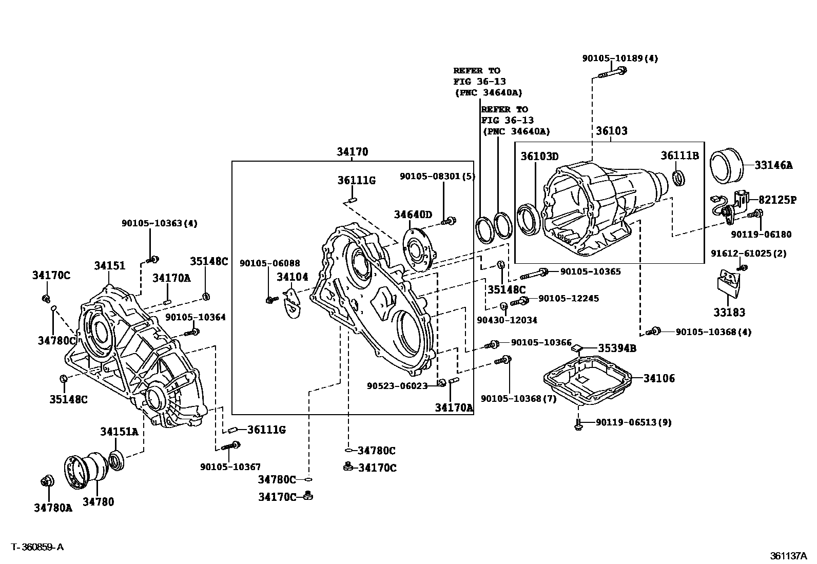
TRANSFER CASE & EXTENSION HOUSING

33146ADEFLECTOR, TRANSFER EXTENSION HOUSING DUST
33183DAMPER, TRANSFER DYNAMIC
34104VALVE SUB-ASSY, TRANSFER BAFFLE
34106PAN SUB-ASSY, TRANSFER OIL
34151CASE, TRANSFER CHAIN, FRONT
34151ASEAL, OIL (FOR TRANSFER CHAIN CASE)
34170CASE ASSY, TRANSFER CHAIN, REAR
34170APIN, STRAIGHT (FOR TRANSFER CHAIN CASE)
L=21,OD=10
L=23,OD=10
34170CPLUG (FOR TRANSFER CHAIN CASE)
34640DSUPPORT ASSY, TRANSFER CENTER
34780YOKE ASSY, FLANGE
34780ANUT (FOR FLANGE YOKE)
34780CRING, O (FOR FLANGE YOKE)
35148CGASKET, GOVERNOR APPLY (FOR ATM TRANSFER CHAIN CASE)
35394BMAGNET, OIL CLEANER (FOR TRANSFER)
36103CASE SUB-ASSY, TRANSFER
36103DBEARING (FOR TRANSFER CASE)
OD=85
36111BSEAL, OIL (FOR TRANSFER CASE)
36111GPIN, STRAIGHT (FOR TRANSFER CASE)
L=23,OD=10
L=18,OD=13
3613TRANSFER DIRECT CLUTCH, LOW BRAKE & SUPPORT
82125PTRANSMISSION WIRE(FOR TRANSFER)
9010506088
main90105-06088
9010508301
main90105-08301
9010510189
main90105-10189
9010510363
main90105-10363
9010510364
main90105-10364
9010510365
main90105-10365
9010510366
main90105-10366
9010510367
main90105-10367
9010510368
main90105-10368
9010512245
main90105-12245
9011906180
main90119-06180
9011906513
main90119-06513
9043012034
main90430-12034
9052306023
main90523-06023
9161261025
main91612-61025
36 parts on this diagram · 1 diagram in section