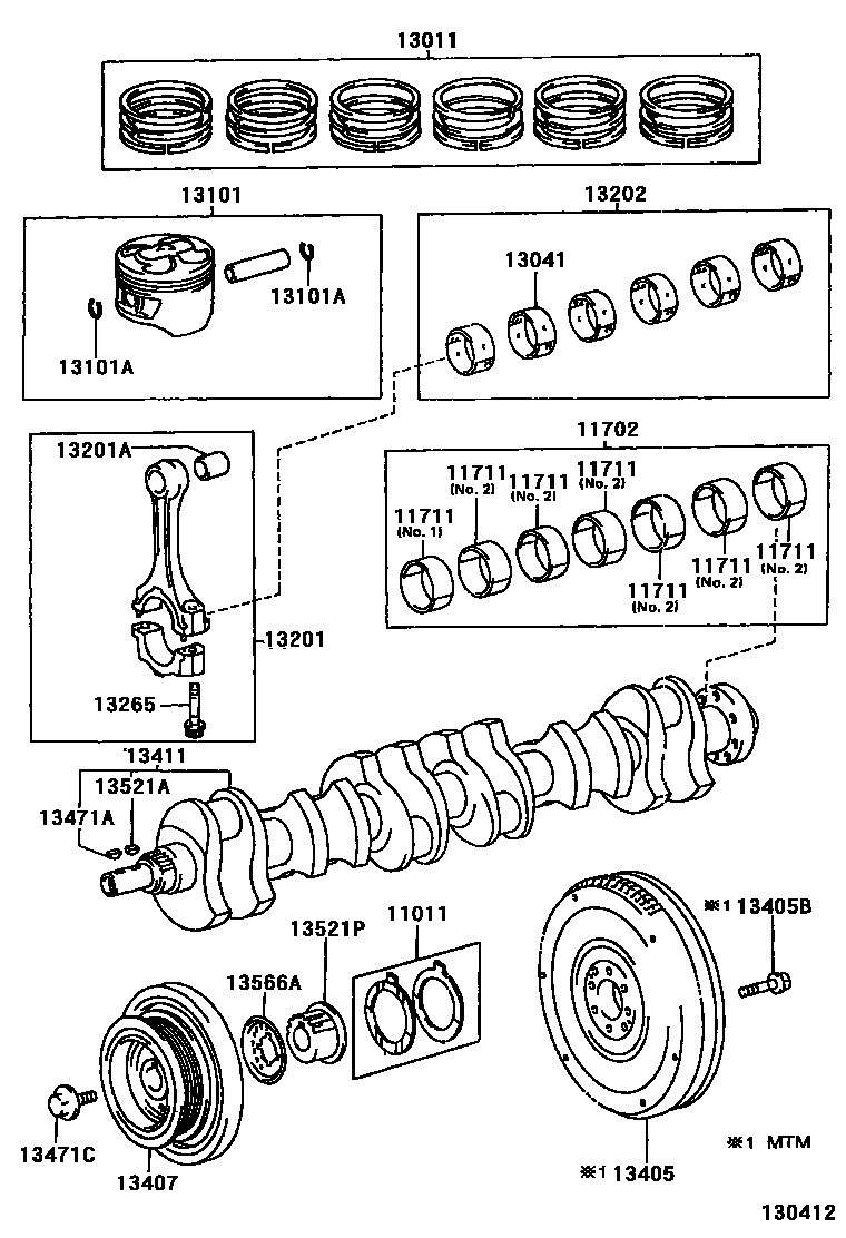
CRANKSHAFT & PISTON

11011WASHER SET, CRANKSHAFT THRUST
STD
11702BEARING SET, CRANKSHAFT
U/S 0.25
U/S 0.25
11711BEARING, CRANKSHAFT
MARK 1,NO.1,REFER R/M
MARK 2,NO.1,REFER R/M
MARK 3,NO.1,REFER R/M
MARK 4,NO.1,REFER R/M
MARK 5,NO.1,REFER R/M
MARK 1,NO.1,REFER R/M
MARK 2,NO.1,REFER R/M
MARK 3,NO.1,REFER R/M
MARK 4,NO.1,REFER R/M
MARK 5,NO.1,REFER R/M
MARK 1,NO.2,REFER R/M
MARK 2,NO.2,REFER R/M
MARK 3,NO.2,REFER R/M
MARK 4,NO.2,REFER R/M
MARK 5,NO.2,REFER R/M
13011RING SET, PISTON
STD
13041BEARING, CONNECTING ROD
MARK 1,REFER REPAIR MANUAL
MARK 2,REFER REPAIR MANUAL
MARK 3,REFER REPAIR MANUAL
MARK 4,REFER REPAIR MANUAL
MARK 5,REFER REPAIR MANUAL
MARK 1,REFER REPAIR MANUAL
MARK 2,REFER REPAIR MANUAL
MARK 3,REFER REPAIR MANUAL
MARK 4,REFER REPAIR MANUAL
MARK 5,REFER REPAIR MANUAL
13101PISTON SUB-ASSY, W/PIN
STD
13101ARING, HOLE SNAP(FOR PISTON PIN)
13201ROD SUB-ASSY, CONNECTING
13201ABUSH(FOR CONNECTING ROD SMALL END)
13202BEARING SET, CONNECTING ROD
U/S 0.25
U/S 0.25
13265BOLT, CONNECTING ROD
13405FLYWHEEL SUB-ASSY
13405BBOLT, FLYWHEEL SETTING
13407DAMPER SUB-ASSY, CRANKSHAFT
13471AKEY, CRANKSHAFT(FOR CRANKSHAFT PULLEY SET)
13471CBOLT(FOR CRANKSHAFT PULLEY SET)
13521AKEY(FOR CRANKSHAFT TIMING GEAR)
13521PPULLEY, CRANKSHAFT TIMING
13566AGUIDE, TIMING BELT
20 parts on this diagram · 1 diagram in section