E
EPC Data

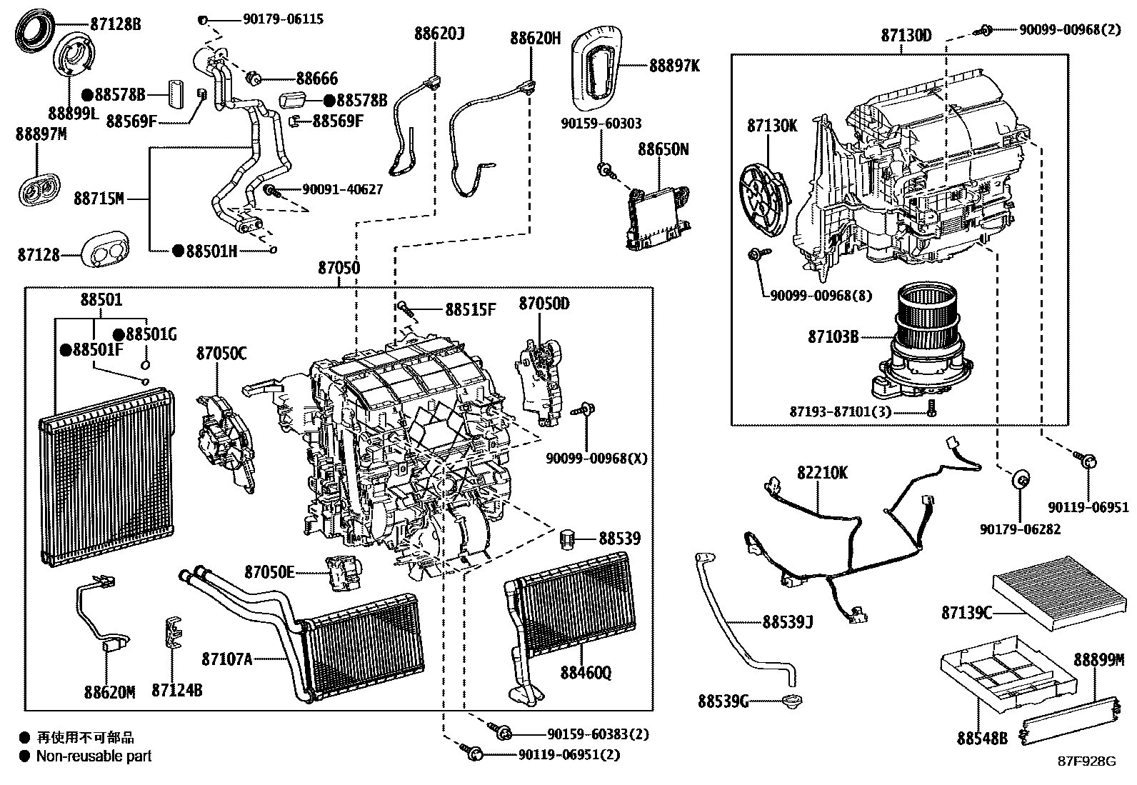
HEATING & AIR CONDITIONING - COOLER UNIT

Parts diagram
82210KHARNESS ASSY, AIR CONDITIONER
main82212-47040i201905
87050RADIATOR ASSY, AIR CONDITIONER
main87050-47400i201609-201904
87050CDAMPER SERVO SUB-ASSY, AIR CONDITIONER RADIATOR, NO.1
main87106-47210i201609-201904
87050DDAMPER SERVO SUB-ASSY, AIR CONDITIONER RADIATOR, NO.2
main87106-47180i201609-201904
87050EDAMPER SERVO SUB-ASSY, AIR CONDITIONER RADIATOR, NO.3
main87106-47200i201905
87103BMOTOR SUB-ASSY, BLOWER W/FAN
main87103-42120i202007
main87103-58080i201905-202007
87107AUNIT SUB-ASSY, HEATER RADIATOR
main87107-47080i201905
87124BCLAMP, HEATER
main87124-33070i201609-201904
87128GROMMET, HEATER
main87128-28020i201609-201904
87128BGROMMET, HEATER, NO.2
main87128-47030i201609-201904
87130DBLOWER ASSY
main87130-42470i202007
main87130-47290i201905-202007
87130KDAMPER SERVO SUB-ASSY, BLOWER, NO.1
main87106-58050i201609-201904
87139CFILTER, CLEAN AIR
main87139-28020i201609-201904
POLLEN FILTER,OE PART
main87139-58010i201905
DEODORANT FILTER
88460QCONDENSER ASSY
main88490-47010i201609-201904
88501EVAPORATOR SUB-ASSY, COOLER, NO.1
main88501-10160i201609-201904
main88501-10180i202003
88501FO-RING, COOLER EVAPORATOR NO.1(DISCHARGE)
main90099-14120i201609-201904
ID=10.8,OD=15.6
88501GO-RING, COOLER EVAPORATOR NO.1(SUCTION)
main90099-14121i202007
ID=13.4,OD=18.2
88501HO-RING, COOLER EVAPORATOR NO.2(DISCHARGE)
main90099-14120×2i201609-201904
ID=10.8,OD=15.6
88515FBOLT(FOR COOLER EXPANSION VALVE)
main90099-04542×2i201609-201904
88539HOSE, COOLER UNIT DRAIN, NO.1
main88899-10110i201609-201904
88539GGROMMET (FOR COOLER UNIT DRAIN HOSE)
main88888-47010i201609-201904
88539JHOSE, DRAIN COOLER
main88539-47060i201609-201904
88548BCASE, AIR FILTER
main88899-47090i201609-201904
88569FCLAMP
main88569-74090×2i201609-201904
88578BPACKING, COOLING UNIT, NO.1
main88578-47080×2i201609-201904
88620HSENSOR, INTERNAL CONDENSER TEMPERATURE
main88620-47050i201609-201904
88620JSENSOR, DISCHARGE TEMPERATURE
main88620-47040i201609-201904
88620MSENSOR, EVAPORATOR TEMPERATURE
main88620-28050i201609-201904
88650NAMPLIFIER ASSY, AIR CONDITIONER
main88650-47290i201609-201711
main88650-47560i201712-201904
main88650-47600i201905-202007
main88650-47690i202007-202106
main88650-47790i202106
88666SPACER (FOR COOLER UNIT)
main88467-47040i201609-201904
88715MTUBE, DISCHARGE, NO.1
main88705-47050i201609-201904
88897KGROMMET, (FOR COOLER PIPE)
main88899-47100i201609-201904
88897MGROMMET (FOR HEATER PIPE)
main87128-28010i201609-201904
88899LPARTS, COOLING UNIT
main88899-47110i201609-201904
88899MPLATE, COVER(FOR AIR FILTER)
main88899-28620i201609-201706
main88899-47120i201707-201904
8719387101
9009140627
9009900968
9011906951
9015960303
9015960383
9017906115
9017906282

43 parts on this diagram · 1 diagram in section

HEATING & AIR CONDITIONING - COOLER UNIT — Toyota Parts Diagram with OEM Numbers & Prices | EPC Data