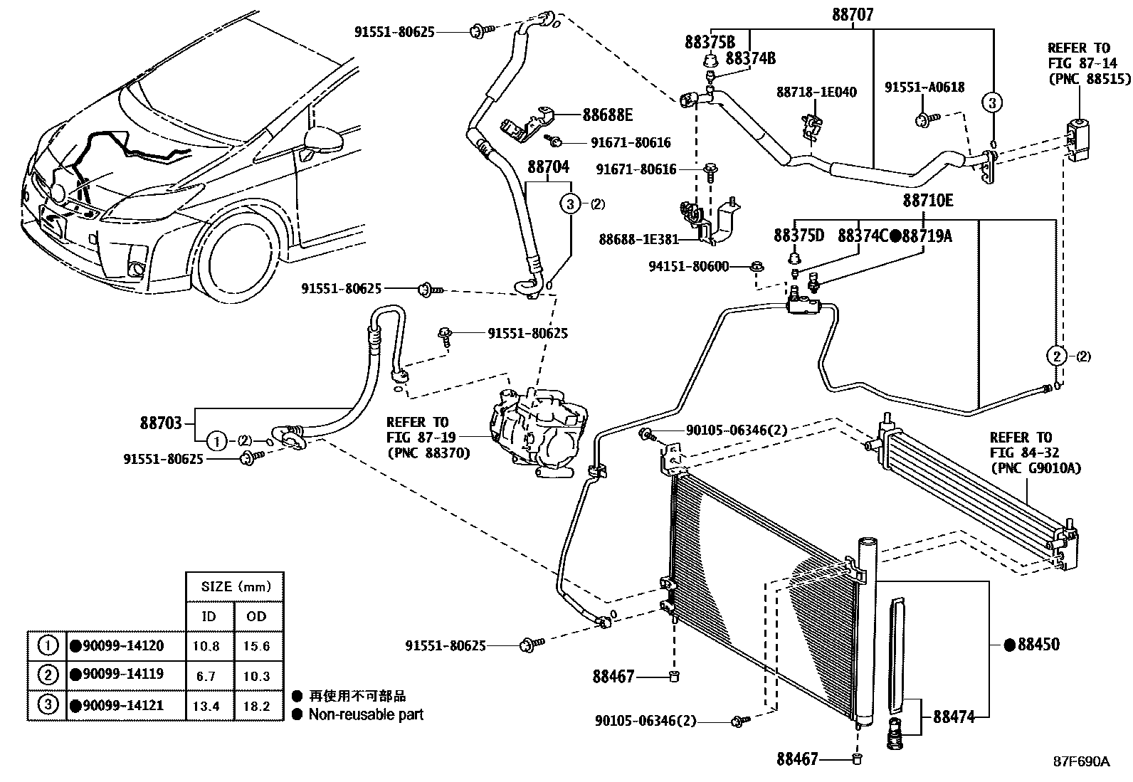
HEATING & AIR CONDITIONING - COOLER PIPING

8432INVERTER COOLING
8714HEATING & AIR CONDITIONING - COOLER UNIT
8719HEATING & AIR CONDITIONING - COMPRESSOR
88374BVALVE, SERVICE, NO.1
88374CVALVE, SERVICE, NO.2
88375BCAP, SERVICE VALVE, NO.1
88375DCAP, SERVICE VALVE, NO.2
88450CONDENSER ASSY, W/RECEIVER
88467CUSHION, COOLER CONDENSER, NO.1
88474DRYER, COOLER
88688EBRACKET, COOLER REFRIGERANT HOSE, NO.1
88703HOSE SUB-ASSY, DISCHARGE
88704HOSE SUB-ASSY, SUCTION
88707PIPE SUB-ASSY, SUCTION
88710ETUBE & ACCESSORY ASSY, AIR CONDITIONER
88719ASENSOR, AIR CONDITIONER PRESSURE
886881E381BRACKET, COOLER DIAPHRAGM
main88688-1E381
887181E040PIPE, COOLER REFRIGERANT SUCTION, NO.2
main88718-1E040
9009914119
main90099-14119
9009914120
main90099-14120
9009914121
main90099-14121
9010506346
main90105-06346
9155180625
main91551-80625
91551A0618
main91551-A0618
9167180616
main91671-80616
9415180600
main94151-80600
26 parts on this diagram · 1 diagram in section