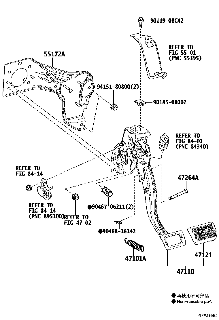
BRAKE PEDAL & BRACKET

4702BRAKE MASTER CYLINDER
47101ASPRING(FOR BRAKE PEDAL RETURN)
47110SUPPORT ASSY, BRAKE PEDAL
47121PAD, BRAKE PEDAL
47264APIN(FOR PUSH ROD)
5501INSTRUMENT PANEL & GLOVE COMPARTMENT
8401SWITCH & RELAY & COMPUTER
8414ABS & VSC
9011908C42
main90119-08C42
9018508002
main90185-08002
9046706211
main90467-06211
9046816142
main90468-16142
9415180800
main94151-80800
14 parts on this diagram · 2 diagrams in section