E
EPC Data

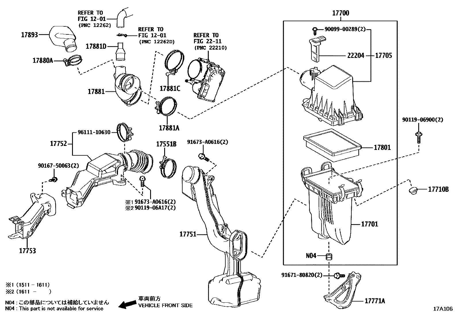
AIR CLEANER

Parts diagram
1201VENTILATION HOSE
17551BCLAMP(FOR AIR CLEANER INLET, NO.1)
main96111-10650i201511-201812
17700CLEANER ASSY, AIR
main17700-37340i201511-201812
17701CASE SUB-ASSY, AIR CLEANER
main17701-37230i201511-201812
17705CAP SUB-ASSY, AIR CLEANER
main17705-37200i201511-201812
17710BGROMMET
main90480-18006i201511-201812
17751INLET, AIR CLEANER, NO.1
main17751-37110i201511-201812
17752INLET, AIR CLEANER, NO.2
main17752-37120i201511-201612
main17752-37121i201701-201812
17753INLET, AIR CLEANER, NO.3
main17753-37010i201511-201812
main17753-37070i201812
17771ABRACKET, AIR CLEANER
main17771-37020i201511-201812
17801ELEMENT SUB-ASSY, AIR CLEANER FILTER
main17801-21060i201511-201812
17880ACLAMP, HOSE
main96111-10430i201511-201812
17881HOSE, AIR CLEANER, NO.1
main17881-37330i201511-201812
17881ACLAMP(FOR AIR CLEANER HOSE, NO.1)
main96111-10650i201511-201812
17881CCLAMP(FOR AIR CLEANER HOSE, NO.1)
main96111-10750i201511-201812
17881DTUBE, UNION(FOG AIR CLEANER HOSE)
main90904-06008i201511-201812
17893RESONATOR, INTAKE AIR
main17893-37130i201511-201812
2211FUEL INJECTION SYSTEM
22204METER SUB-ASSY, INTAKE AIR FLOW
main22204-75030i201511-201812
9009900289
9011906900
9011906A17
9016750063
9167180820
91673A0616
9611110630

26 parts on this diagram · 1 diagram in section

AIR CLEANER — Toyota Parts Diagram with OEM Numbers & Prices | EPC Data