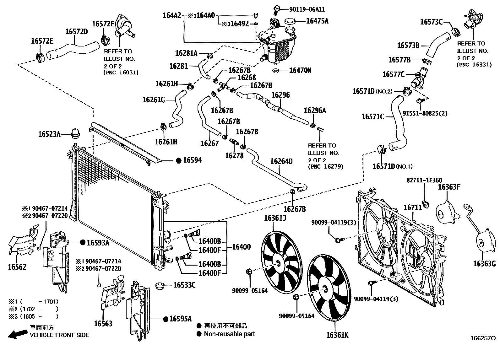
RADIATOR & WATER OUTLET

16261HOSE, WATER BY-PASS
16261GHOSE, WATER BY-PASS, NO.1
16261HCLIP(FOR WATER BY-PASS HOSE NO.1)
16264HOSE, WATER BY-PASS, NO.2
16264DHOSE, WATER BY-PASS, NO.2
16267HOSE, WATER BY-PASS, NO.3
16267BCLIP(FOR WATER BY-PASS HOSE)
16268PIPE, WATER BY-PASS, NO.1
16278PIPE, WATER BY-PASS, NO.2
16281HOSE, WATER BY-PASS, NO.4
16281ACLAMP OR CLIP(FOR WATER BY-PASS HOSE NO.4)
16296HOSE, WATER BY-PASS, NO.8
16296ACLIP(FOR WATER BY-PASS HOSE NO.8)
16361JFAN, RH
16361KFAN, LH
16363FMOTOR, COOLING FAN, RH
16363GMOTOR, COOLING FAN, LH
16400RADIATOR ASSY
GUAM,SAIPAN SPEC
16400BPLUG, RADIATOR DRAIN COCK
16400FPACKING(FOR RADIATOR DRAIN COCK)
16470TANK ASSY, RADIATOR RESERVE
16470MGROMMET
16475ACAP, RESERVE TANK
16492RING, O(FOR RADIATOR RESERVE TANK COCK)
164A0COCK ASSY, RESERVE TANK
164A2TANK, RESERVE SEALED W/O CAP
16523ACUSHION, RADIATOR SUPPORT
16533CGROMMET(FOR RADIATOR SUPPORT)
16562SEAL, RADIATOR TO SUPPORT, NO.2
16563SEAL, RADIATOR TO SUPPORT, NO.3
16571CHOSE, RADIATOR, NO.1
16571DCLIP, RADIATOR HOSE, NO.1
NO.2
NO.1
16572DHOSE, RADIATOR, NO.2
16572ECLIP, RADIATOR HOSE, NO.2
16573BHOSE, RADIATOR, NO.3
16573CCLAMP OR CLIP, RADIATOR HOSE, NO.3
16577BCLAMP OR CLIP, HOSE(FOR RADIATOR PIPE)
16577CPIPE, RADIATOR
16593AGUIDE, RADIATOR AIR, NO.1 RH
16594GUIDE, RADIATOR AIR, NO.2
16595AGUIDE, RADIATOR AIR, NO.1 LH
16711SHROUD, FAN
827111E360WIRE, FUSE TO FUSE(FOR COMBUSTION HEATER)
main82711-1E360
9009904119
main90099-04119
9009905164
main90099-05164
9011906A11
main90119-06A11
9046707214
main90467-07214
9046707220
main90467-07220
9155180825
main91551-80825
49 parts on this diagram · 3 diagrams in section