E
EPC Data

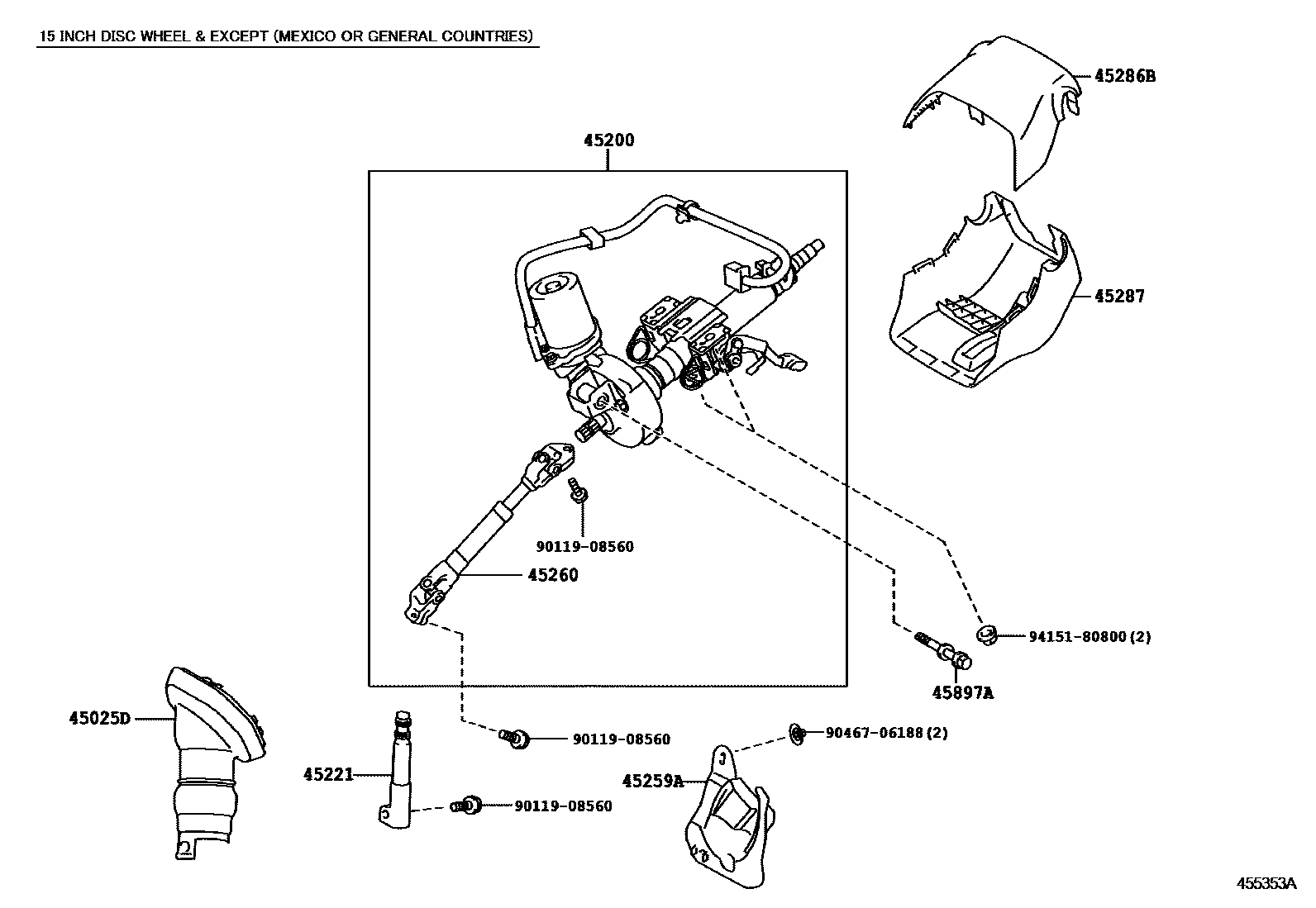
STEERING COLUMN & SHAFT

Parts diagram
45025DCOVER SUB-ASSY, STEERING COLUMN HOLE, NO.1
main45025-12300i200904-201112
45200POST ASSY, STEERING
main45200-47140i201112
main45250-47230i200904-201112
MEXICO SPEC&TIRE & DISC WHEEL-195/65R15 6J GENERAL COUNTRIES; TIRE & DISC WHEEL-215/45R17 7J
45221SHAFT, STEERING INTERMEDIATE
main45221-12330i200904-201112
45259ASHEET, COLUMN HOLE COVER SILENCER
main45259-47030i200904-201112
45260SHAFT ASSY, STEERING INTERMEDIATE, NO.2
main45260-12710i201211
main45260-47060i201112-201210
45286BCOVER, STEERING COLUMN, UPR
main45286-47040-B0i200904-201112
MIST GRAY,TRIM6#
main45286-47040-C0i201112-201511
BLACK,TRIM1#,2#; BLACK,TRIM1#,2#,4#,6#
45287COVER, STEERING COLUMN, LWR
main45287-12590-B1i200904-201112
MIST GRAY,TRIM6#
main45287-12590-C0i200904-201112
BLACK,TRIM1#,4#
main45287-47090-C0i201208-201511
BLACK,TRIM1#; BLACK,TRIM1#,2#,4#,6#; BLACK,TRIM1#,4#,6#
45897ABOLT, TILT STEERING PAWL SET
main45897-42010i200904-201112
main90119-10980i201212
9011908560
9046706188
9415180800

11 parts on this diagram · 2 diagrams in section

STEERING COLUMN & SHAFT — Toyota Parts Diagram with OEM Numbers & Prices | EPC Data