E
EPC Data

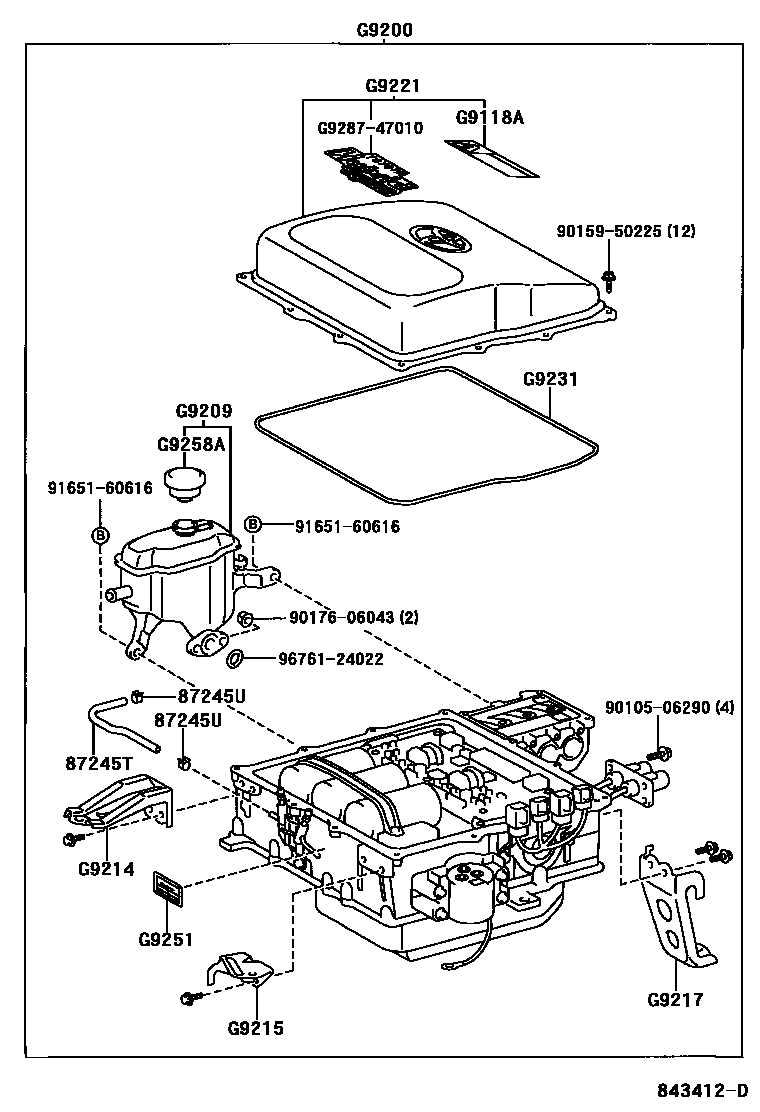
HEV INVERTER

Parts diagram
87245THOSE, INVERTER WATER, NO.2
main87245-47170i200005
87245UCLAMP OR CLIP (FOR WATER HOSE)
main90467-11009i200005-200204
main96135-51100i200204
G9118ALABEL, HV MOTOR CONTROL INVERTER CAUTION
mainG911847010i200005
G9200INVERTER ASSY, W/CONVERTER
mainG920047070i200005
PART NUMBER LABEL=G9200-47070
G9209TANK SUB-ASSY, INVERTER RESERVE
mainG920947020i200005
G9214BRACKET, INVERTER, NO.1
mainG921447020i200005
G9215BRACKET, INVERTER, NO.2
mainG921547020i200005
G9217BRACKET, INVERTER, NO.4
mainG921747020i200005
G9221COVER, INVERTER
mainG902247010i200005
G9231GASKET, INVERTER COVER
mainG923147020i200005
G9251SEAT, INVERTER NAME
mainG925147010i200005
G9258ACAP, INVERTER RESERVE TANK
mainG925830010i200005
9010506290
9015950225
9017606043
9165160616
9676124022
G928747010PLATE, INVERTER COVER

18 parts on this diagram · 2 diagrams in section

HEV INVERTER — Toyota Parts Diagram with OEM Numbers & Prices | EPC Data