E
EPC Data

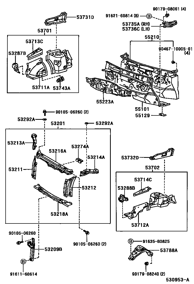
FRONT FENDER APRON & DASH PANEL

Parts diagram
53201SUPPORT SUB-ASSY, RADIATOR
main53201-47030i200005
53209BBRACE SUB-ASSY, HOOD LOCK SUPPORT
main53209-47010i200005
53211SUPPORT, RADIATOR, RH
main53211-47020i200005
53212SUPPORT, RADIATOR, LH
main53212-47010i200005
53213ASUPPORT, RADIATOR, UPPER RH
main53213-47010i200005
53214ASUPPORT, RADIATOR, UPPER LH
main53214-47010i200005
53216ASUPPORT, RADIATOR, UPPER
main53216-47010i200005
53218ASUPPORT, RADIATOR, LOWER
main53218-47010i200005
53274AREINFORCEMENT, RADIATOR SUPPORT, LH
main53274-47010i200005
53287BEXTENSION, RADIATOR SUPPORT, RH
main53287-47010i200005
53288BEXTENSION, RADIATOR SUPPORT, LH
main53288-47010i200005
53292ASEAL, RADIATOR SUPPORT, UPPER
main53292-47010×9i200005
53701APRON SUB-ASSY, FRONT FENDER, RH
main53701-47020i200005
53702APRON SUB-ASSY, FRONT FENDER, LH
main53702-47020i200005
53711AAPRON, FRONT FENDER, W/SUPPORT, FRONT RH
main53711-47010i200005
53712AAPRON, FRONT FENDER, W/SUPPORT, FRONT LH
main53712-47020i200005
53713CEXTENSION, FRONT FENDER APRON, FRONT RH
main53713-47010i200005
53714CEXTENSION, FRONT FENDER APRON, FRONT LH
main53714-47010i200005
53731DMEMBER, FRONT APRON TO COWL SIDE, UPPER RH
main53731-47010i200005
53732DMEMBER, FRONT APRON TO COWL SIDE, UPPER LH
main53732-47010i200005
53735AMEMBER, FRONT APRON TO COWL SIDE, LOWER RH
main53735-47010i200005
53736CMEMBER, FRONT APRON TO COWL SIDE, LOWER LH
main53736-47010i200005
53743AREINFORCEMENT, FRONT FENDER APRON, FRONT RH
main57233-47010i200005
53788AGUSSET, FRONT FENDER APRON, LOWER LH
main53708-47020i200005
55101PANEL SUB-ASSY, DASH
main55101-47030i200005
55129COVER, DASH PANEL HOLE
main55129-12030×4i200005
55210INSULATOR ASSY, DASH PANEL
main55210-47020i200005
55223AINSULATOR, DASH PANEL, OUTER
main55223-47010i200005
9010506260
9017908061
9017908240
904671000501
9161160614
9162160814
91635B0825

35 parts on this diagram · 1 diagram in section

FRONT FENDER APRON & DASH PANEL — Toyota Parts Diagram with OEM Numbers & Prices | EPC Data