HEATING & AIR CONDITIONING - COOLER PIPING

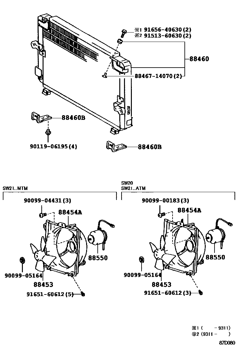
88453FAN, COOLING (FOR CONDENSER)
88454ASHROUD, FAN
88460CONDENSER ASSY, COOLER
88460BBRACKET, COOLER CONDENSER, NO.1
88550MOTOR ASSY, BLOWER (FOR CONDENSER)
8846714070CUSHION, COOLER CONDENSER, NO.1
main88467-14070
9009900183
main90099-00183
9009904431
main90099-04431
9009905164
main90099-05164
9011906195
main90119-06195
9151360630
main91513-60630
9165160612
main91651-60612
9165640630
main91656-40630
13 parts on this diagram · 6 diagrams in section