E
EPC Data

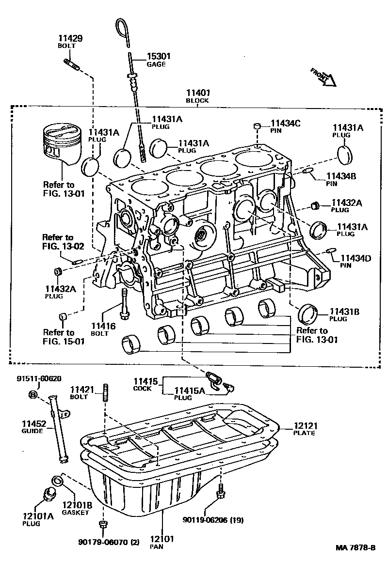
CYLINDER BLOCK

Parts diagram
11401BLOCK SUB-ASSY, CYLINDER
main11401-19265i198412-198803
main11401-19266i198803-198912
main11401-19385i198803-198912
main11401-19455i198708-198803
11415COCK SUB-ASSY, WATER DRAIN(FOR CYLINDER BLOCK)
main90910-09075i198412-198912
11415APLUG, WATER DRAIN COCK(FOR CYLINDER BLOCK)
main90910-09087i198412-198912
11416BOLT(FOR CRANKSHAFT BEARING CAP SET)
main90105-10007×10i198412-198803
*10-1.25PX61-18
11421BOLT, STUD(FOR OIL PAN)
main90116-06022×2i198803-198912
main90116-06049×2i198412-198803
11429BOLT, STUD(FOR ALTERNATOR BRACKET)
main90116-08170i198412-198912
11431APLUG, TIGHT, NO.1(FOR CYLINDER BLOCK)
main96411-43500×6i198803-198912
11431BPLUG, TIGHT, NO.2(FOR CYLINDER BLOCK)
main96411-44000i198412-198803
OD=40
11432APLUG, W/HEAD TAPER SCREW, NO.1
main90344-53008×2i198412-198912
11434BPIN, STRAIGHT(FOR CLUTCH HOUSING SET)
main90250-10113×2i198412-198803
L=22,OD=10
11434CPIN, STRAIGHT (FOR CYLINDER HEAD SET)
main90253-13017×2i198412-198803
L=12,OD=13
11434DPIN, STRAIGHT(FOR ENGINE REAR OIL SEAL)
main90250-06003×2i198412-198803
L=14,OD=6
11452GUIDE, OIL LEVEL GAGE
main11452-15010i198412-198708
main11452-16010i198708-198908
main11452-16030i198908-198912
12101PAN SUB-ASSY, OIL
main12101-15070i198911-198912
main12101-15090i198412-198708
main12101-16030i198412-198708
W/OIL COOLER OR COOLER
main12101-16060i198803-198905
W(ENGINE OIL COOLER)
main12101-16080i198905-198911
main12101-16090i198905-198911
W(ENGINE OIL COOLER)
12101APLUG(FOR OIL PAN DRAIN)
main90341-12012i198412-198912
12101BGASKET(FOR OIL PAN DRAIN PLUG)
main90430-12011i198412-198607
main90430-12019i198607-198912
12121PLATE, OIL PAN BAFFLE, NO.1
main12122-16011i198608-198803
main12122-16020i198605-198608
1301CRANKSHAFT & PISTON
1302CAMSHAFT & VALVE
1501ENGINE OIL PUMP
15301GAGE SUB-ASSY, OIL LEVEL
main15301-15030i198412-198505
main15301-16030i198505-198708
main15301-16040i198708-198711
main15301-16041i198711-198905
main15301-16060i198905-198912
9011906206
9017906070
9151160620

24 parts on this diagram · 1 diagram in section

CYLINDER BLOCK — Toyota Parts Diagram with OEM Numbers & Prices | EPC Data