E
EPC Data

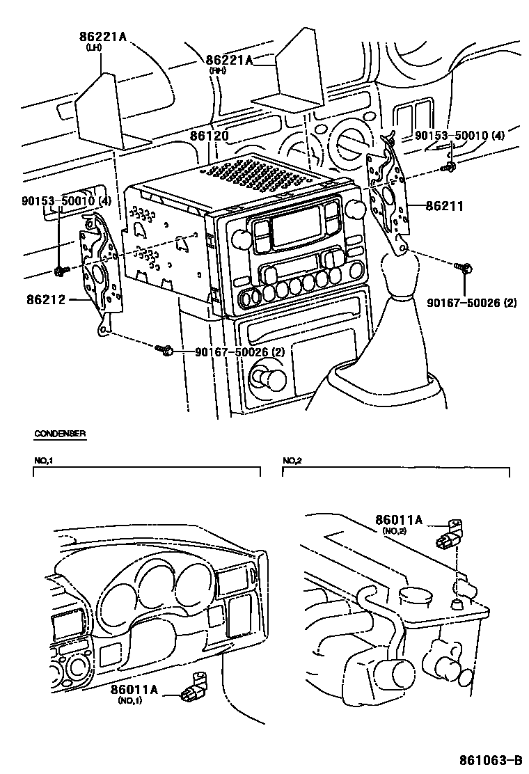
RADIO RECEIVER & AMPLIFIER & CONDENSER

Parts diagram
86011ACONDENSER, RADIO SETTING
main90980-04150i199912-200208
NO.1
main90980-04151i199912-200208
NO.2
86120RECEIVER ASSY, RADIO
main86120-28351i200008-200208
FUJITSU TEN,ID=18303,TYPE A:REFER TO ILLUSTRATION
main86120-28381i200008-200208
MATSUSHITA, ID=58803,TYPE B:REFER TO ILLUSTRATION
main86120-42050i200208-200509
FUJITSU TEN,ID=18302,TYPE A:REFER TO ILLUSTRATION
main86120-42061i200208-200509
MATSUSHITA,ID=58806,TYPE B:REFER TO ILLUSTRATION
86211BRACKET, RADIO, NO.1
main86211-17050i199912-200208
86212BRACKET, RADIO, NO.2
main86212-17050i199912-200208
86221APANEL, RADIO RECEIVER
main86221-17020i200008-200208
RH
main86221-17030i200008-200208
LH
main86221-17040i200208-200509
LH
9015350010
9016750026

7 parts on this diagram · 2 diagrams in section

RADIO RECEIVER & AMPLIFIER & CONDENSER — Toyota Parts Diagram with OEM Numbers & Prices | EPC Data