E
EPC Data

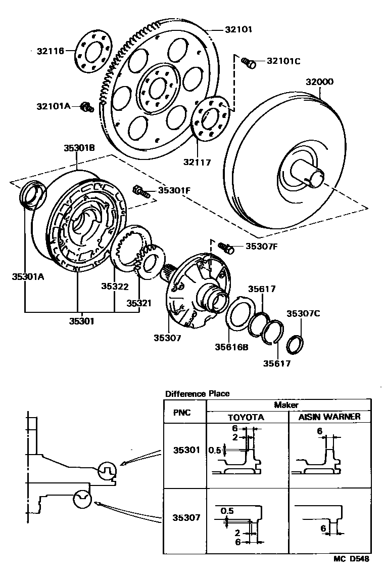
TORQUE CONVERTER, FRONT OIL PUMP & CHAIN (ATM)

Parts diagram
32000CONVERTER ASSY, TORQUE
main32000-12101i198609-198702
main32000-12121i198702-198803
main32000-12122i198803-198808
main32000-12140i198708-198802
main32000-12141i198802-198808
main32000-17011i198704-198708
32101GEAR SUB-ASSY, DRIVE PLATE & RING
main32101-12060i198702-198808
main32101-17010i198609-198808
32101ABOLT(FOR DRIVE PLATE & TORQUE CONVERTER SETTING)
main90109-08113i198609-198808
*8-1.25PX12-8.4,OLIVE GREEN
main90119-08498×5i198609-198808
*8-1.25PX12-8,BLACK
32101CBOLT, HEXAGON(FOR DRIVE PLATE SETTING)
main90105-10048×8i198609-198808
*10-1.25PX18-13
32116SPACER, DRIVE PLATE, FRONT
main32116-12010i198702-198808
main32116-17010i198609-198808
32117SPACER, DRIVE PLATE, REAR
main32117-12010i198702-198808
main32117-17010i198609-198808
35301BODY SUB-ASSY, FRONT OIL PUMP
main35035-20010i198609-198808
main35035-32010i198702-198808
AISIN WARNER
main35035-32020i198702-198808
TOYOTA
35301ASEAL, OIL (FOR FRONT OIL PUMP)
main90311-38020i198609-198808
35301BRING, O (FOR FRONT OIL PUMP BODY)
main90301-99024i198609-198808
35301FBOLT (FOR FRONT OIL PUMP SETTING)
main90105-08050×7i198609-198808
*8-1.25PX28-28
35307SHAFT SUB-ASSY, STATOR
main35370-32022i198609-198808
AISIN WARNER
main35370-32031i198702-198808
TOYOTA
35307CRACE, THRUST BEARING (FOR STATOR SHAFT)
main35789-32020i198609-198808
T=0.8,T=0.8
main35789-32030i198609-198808
T=1.4,T=1.4
35307FBOLT (FOR STATOR SHAFT)
main90119-06180×10i198609-198808
35321GEAR, FRONT OIL PUMP DRIVE
main35321-32040i198609-198808
T=9.440-9.456,MARK A OR D
main35321-32050i198609-198808
T=9.456-9.474,MARK B OR E
main35321-32060i198609-198808
T=9.474-9.490,MARK C OR F
35322GEAR, FRONT OIL PUMP DRIVEN
main35322-32040i198609-198808
T=9.440-9.456,MARK A OR D
main35322-32050i198609-198808
T=9.456-9.474,MARK B OR E
main35322-32060i198609-198808
T=9.474-9.490,MARK C OR F
35616BWASHER, CLUTCH DRUM THRUST (FOR STATOR SHAFT)
main35616-32010i198609-198808
35617RING, CLUTCH DRUM OIL SEAL
main35617-12020×2i198710-198808
main35617-32010×2i198609-198710
main35617-32011×2i198710-198808

17 parts on this diagram · 1 diagram in section

TORQUE CONVERTER, FRONT OIL PUMP & CHAIN (ATM) — Toyota Parts Diagram with OEM Numbers & Prices | EPC Data