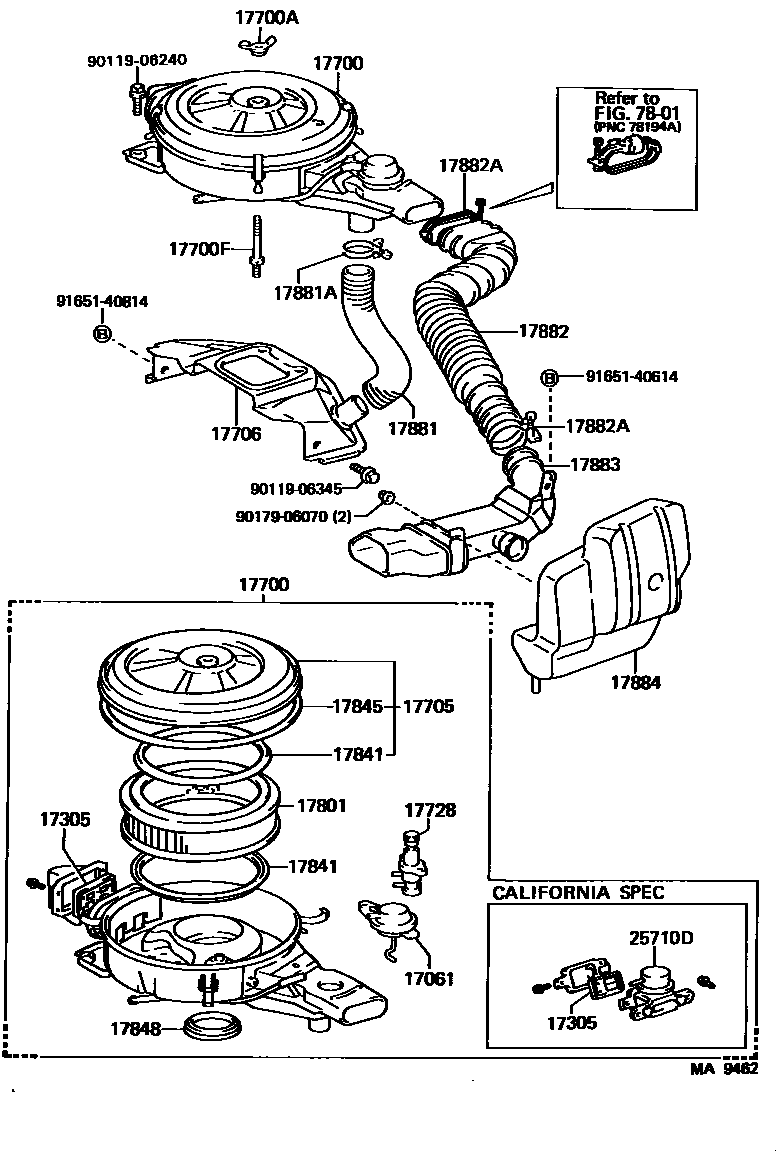
AIR CLEANER

17061DIAPHRAGM SUB-ASSY
17305VALVE SUB-ASSY, REED
CALIFORNIA SPEC
17700CLEANER ASSY, AIR
CALIFORNIA SPEC
17700ANUT, WING(FOR AIR CLEANER)
17700FBOLT, STUD(FOR AIR CLEANER SETTING)
17705CAP SUB-ASSY, AIR CLEANER
17706INLET SUB-ASSY, AIR CLEANER, NO.2
sub17902-16011
17728VALVE, THERMOSTATIC
17841GASKET, FILTER ELEMENT
17845GASKET, AIR CLEANER CAP
*G,L=1060
17848GASKET, AIR CLEANER TO CARBURETOR
sub17848-10020
17881ACLAMP(FOR AIR CLEANER HOSE, NO.1)
17882HOSE, AIR CLEANER, NO.2
17882ACLAMP(FOR AIR CLEANER HOSE, NO.2)
AIR CLEANER SIDE
BODY SIDE
17883HOSE, AIR CLEANER, NO.3
17884HOSE, AIR CLEANER, NO.4
25710DVALVE ASSY, AIR SWITCHING
CALIFORNIA SPEC
7801
9011906240
main90119-06240
9011906345
main90119-06345
9017906070
main90179-06070
9165140614
main91651-40614
9165140814
main91651-40814
25 parts on this diagram · 2 diagrams in section