E
EPC Data

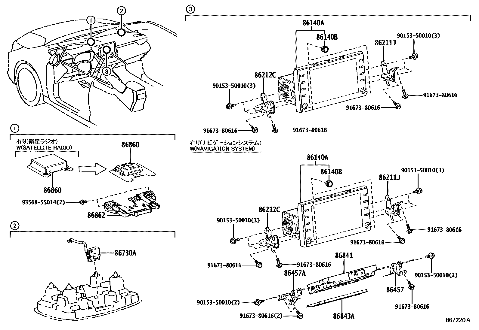
NAVIGATION & FRONT MONITOR DISPLAY

Parts diagram
86140ARECEIVER ASSY, RADIO & DISPLAY
main86140-12210i201806-201810
PIONEER
main86140-12211i201810-201909
PIONEER
main86140-12530i201909-202107
PIONEER
main86140-12530i201909-202107
PIONEER,PUERTO RICO SPEC&AUDIO(OVERSEAS MARKET)-T0 (8INCH) 6SPEAKER&SATELLITE RADIO-WITHOUT&DATA COMMUNICATION MODULE-WITHOUT
main86140-12530i201909-202107
PIONEER,HAWAII SPEC&AUDIO(OVERSEAS MARKET)-T0 (8INCH) 6SPEAKER&SATELLITE RADIO-WITHOUT&DATA COMMUNICATION MODULE-WITHOUT
main86140-12530i201909-202107
PIONEER,USA POSSESSION SPEC&AUDIO(OVERSEAS MARKET)-T0 (8INCH) 6SPEAKER&SATELLITE RADIO-WITHOUT&DATA COMMUNICATION MODULE-WITHOUT
main86140-12531i202107-202209
PIONEER,PUERTO RICO SPEC&AUDIO(OVERSEAS MARKET)-T0 (8INCH) 6SPEAKER&DATA COMMUNICATION MODULE-WITHOUT
main86140-12531i202107-202209
PIONEER,HAWAII SPEC&AUDIO(OVERSEAS MARKET)-T0 (8INCH) 6SPEAKER&DATA COMMUNICATIONMODULE-WITHOUT
main86140-12531i202107-202209
PIONEER
main86140-12531i202107-202209
PIONEER,USA POSSESSION SPEC&AUDIO(OVERSEAS MARKET)-T0 (8INCH) 6SPEAKER&DATA COMMUNICATION MODULE-WITHOUT
main86140-12600i201909-202107
PIONEER
main86140-12601i202107-202209
PIONEER
main86140-12C60i202209
DENSO TEN
main86140-12C80i202209
DENSO TEN
86140BKNOB, RADIO & DISPLAY RECEIVER SWITCH
main90010-22129i201806-202107
main90010-22139i202107-202209
main90010-23068i202209
86211JBRACKET, RADIO RECEIVER, NO.1
main86211-12470i201806-202209
86212CBRACKET, RADIO RECEIVER, NO.2
main86212-12460i201806-202209
86457BRACKET, MULTI-MEDIA MODULE NO.1
86457ABRACKET, MULTI-MEDIA MODULE NO.2
86730AMICROPHONE ASSY, TELEPHONE
main86730-12081i201810-202209
main86730-16010i202209
main86730-47040i201806-201810
86843ACOVER, NAVIGATION COMPUTER
86860ANTENNA ASSY, NAVIGATION
main86860-78010i201806-201909
DATA COMMUNICATION MODULE-WITHOUT
main86860-78010i201806-201909
USA POSSESSION SPEC
main86860-78010i201806-201909
PUERTO RICO SPEC
main86860-78010i201806-201909
HAWAII SPEC
main86880-42010i202209
main86880-47090i201806-201909
HAWAII SPEC&AUDIO(OVERSEAS MARKET)-T0 (8INCH) 6SPEAKER&SATELLITE RADIO-WITHOUT
main86880-47090i201806-201909
USA POSSESSION SPEC&AUDIO(OVERSEAS MARKET)-T0 (8INCH) 6SPEAKER&SATELLITE RADIO-WITHOUT
main86880-47090i201806-201909
PUERTO RICO SPEC
main86880-47090i201806-201909
PUERTO RICO SPEC&AUDIO(OVERSEAS MARKET)-T1 (8INCH) 6SPEAKER
main86880-47090i201806-201909
PUERTO RICO SPEC&AUDIO(OVERSEAS MARKET)-T2 (8INCH) NAVI 6SPEAKER
main86880-47090i201806-201909
USA POSSESSION SPEC
main86880-47090i201806-201909
AUDIO(OVERSEAS MARKET)-T1 (8INCH) 6SPEAKER
main86880-47090i201806-201909
AUDIO(OVERSEAS MARKET)-T2 (8INCH) NAVI 6SPEAKER
main86880-47090i201806-201909
AUDIO(OVERSEAS MARKET)-T2 (8INCH) NAVI JBL 8SPEAKER
main86880-47090i201806-201909
PUERTO RICO SPEC&AUDIO(OVERSEAS MARKET)-T0 (8INCH) 6SPEAKER
main86880-47090i201806-201909
HAWAII SPEC&AUDIO(OVERSEAS MARKET)-T0 (8INCH) 6SPEAKER
main86880-47090i201806-201909
USA POSSESSION SPEC&AUDIO(OVERSEAS MARKET)-T0 (8INCH) 6SPEAKER
main86880-47090i201806-201909
PUERTO RICO SPEC&AUDIO(OVERSEAS MARKET)-T0 (8INCH) 6SPEAKER&SATELLITE RADIO-WITHOUT
main86880-52020i201909
USA POSSESSION SPEC
main86880-52020i201909
PUERTO RICO SPEC
86862BRACKET, NAVIGATION ANTENNA
main86862-42010i202001
PUERTO RICO SPEC
main86862-42010i202001
USA POSSESSION SPEC
main86862-42010i202209
main86862-58020i201806-201912
HAWAII SPEC&AUDIO(OVERSEAS MARKET)-T0 (8INCH) 6SPEAKER&SATELLITE RADIO-WITHOUT
main86862-58020i201806-201912
USA POSSESSION SPEC&AUDIO(OVERSEAS MARKET)-T0 (8INCH) 6SPEAKER&SATELLITE RADIO-WITHOUT
main86862-58020i201806-201912
PUERTO RICO SPEC&AUDIO(OVERSEAS MARKET)-T0 (8INCH) 6SPEAKER
main86862-58020i201806-201912
HAWAII SPEC&AUDIO(OVERSEAS MARKET)-T0 (8INCH) 6SPEAKER
main86862-58020i201806-201912
USA POSSESSION SPEC&AUDIO(OVERSEAS MARKET)-T0 (8INCH) 6SPEAKER
main86862-58020i201806-201912
PUERTO RICO SPEC&AUDIO(OVERSEAS MARKET)-T0 (8INCH) 6SPEAKER&SATELLITE RADIO-WITHOUT
main86862-58020i201806-201909
DATA COMMUNICATION MODULE-WITHOUT
9015350010
9167380616
9356855014

14 parts on this diagram · 3 diagrams in section

NAVIGATION & FRONT MONITOR DISPLAY — Toyota Parts Diagram with OEM Numbers & Prices | EPC Data