E
EPC Data

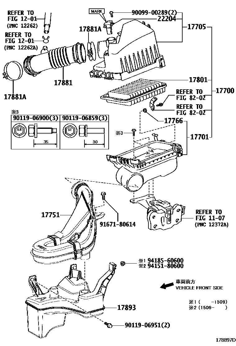
AIR CLEANER

Parts diagram
1201VENTILATION HOSE
17700CLEANER ASSY, AIR
main17700-37350i201506
17701CASE SUB-ASSY, AIR CLEANER
main17701-21110i201506-201805
17705CAP SUB-ASSY, AIR CLEANER
main17705-37220i201506
17751INLET, AIR CLEANER, NO.1
main17751-37120i201506
17766STAY, AIR CLEANER, NO.2
main17706-21010i201506
17801ELEMENT SUB-ASSY, AIR CLEANER FILTER
main17801-21050i201506
17881HOSE, AIR CLEANER, NO.1
main17880-37210i201506
17881ACLAMP(FOR AIR CLEANER HOSE, NO.1)
main96111-10750×2i201506
17893RESONATOR, INTAKE AIR
main17893-37060i201506
22204METER SUB-ASSY, INTAKE AIR FLOW
main22204-0T040i201506
MARK 22204-0T040
main22204-0V010i201506
MARK 22204-0V010
main22204-0V020i201506
MARK 22204-0V020
main22204-28010i201506
MARK 22204-28010
8202WIRING & CLAMP
9009900289
9011906859
9011906900
9011906951
9167180614
9415180600
9418560600

20 parts on this diagram · 1 diagram in section

AIR CLEANER — Toyota Parts Diagram with OEM Numbers & Prices | EPC Data