E
EPC Data

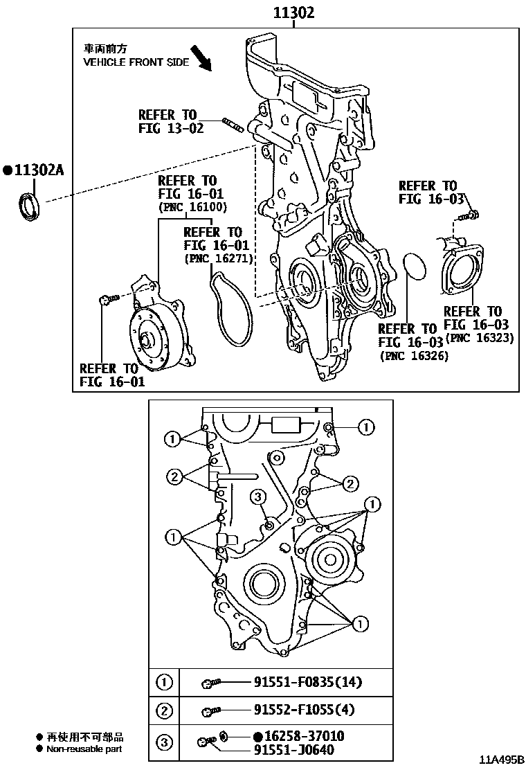
TIMING GEAR COVER & REAR END PLATE

Parts diagram
11302COVER SUB-ASSY, TIMING CHAIN OR BELT
main11310-37040i201506
11302ASEAL, OIL(FOR TIMING CHAIN OR BELT COVER)
main90311-38096i201506
1302CAMSHAFT & VALVE
1601WATER PUMP
1603RADIATOR & WATER OUTLET
1625837010GASKET(FOR HEATER RETURN)
91551F0835
91551J0640
91552F1055

9 parts on this diagram · 1 diagram in section

TIMING GEAR COVER & REAR END PLATE — Toyota Parts Diagram with OEM Numbers & Prices | EPC Data