E
EPC Data

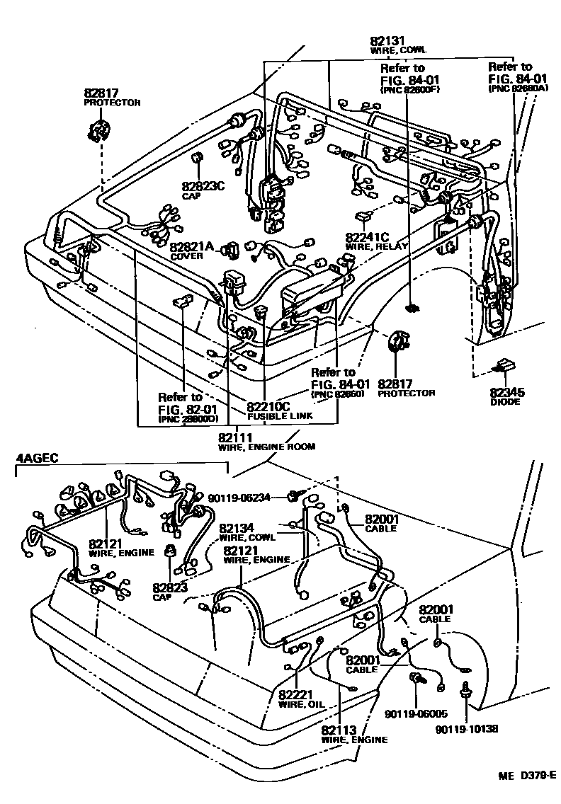
WIRING & CLAMP

Parts diagram
82001CABLE, BOND, NO.1
main90980-07147i198408-198412
ENGINE-COWL
main90980-07148i198308-198707
MISSION-MEMBER
main90980-07200i198308-198309
ENGINE-COWL
main90980-07226i198308-198707
CLACH-FLOOR
main90980-07233i198309-198707
ENGINE-COWL
main90980-07253i198412-198707
ENGINE-COWL
8201BATTERY & BATTERY CABLE
82111WIRE, ENGINE ROOM MAIN
main82111-12450i198308-198408
main82111-12451i198408-198508
main82111-12500i198308-198408
main82111-12501i198408-198508
main82111-12580i198408-198508
main82111-1A020i198508-198604
main82111-1A021i198604-198707
main82111-1A040i198508-198604
main82111-1A041i198604-198707
main82111-1A060i198508-198604
main82111-1A061i198604-198608
main82111-1A062i198608-198609
main82111-1A063i198609-198707
82113WIRE, ENGINE ROOM, NO.3
main82113-12090i198308-198707
82121WIRE, ENGINE
main82121-12220i198308-198508
main82121-12230i198308-198502
main82121-12231i198502-198508
main82121-12400i198408-198508
main82121-12810i198508-198707
main82121-12820i198508-198707
main82121-12870i198508-198707
82131WIRE, COWL
main82131-12620i198308-198401
main82131-12621i198401-198408
main82131-12622i198408-198502
main82131-12623i198502-198502
main82131-12624i198502-198508
main82131-12720i198308-198401
main82131-12721i198401-198408
main82131-12722i198408-198502
main82131-12723i198502-198502
main82131-12724i198502-198508
main82131-12830i198408-198502
main82131-12831i198502-198502
main82131-12832i198502-198508
main82131-1A310i198508-198604
main82131-1A311i198604-198608
main82131-1A312i198608-198707
main82131-1A390i198508-198604
main82131-1A391i198604-198608
main82131-1A392i198608-198707
main82131-1A400i198508-198604
main82131-1A401i198604-198608
main82131-1A402i198608-198707
82134WIRE, COWL, NO.4
main82134-12060i198308-198707
82210CFUSIBLE LINK
main90982-08188i198308-198707
30A,TERM.:FEMALE,PNK,30A,AM2; 30A,TERM.:FEMALE,PNK,30A,RTR
main90982-08189i198308-198508
40A,TERM.:FEMALE,GRN,40A
main90982-08190i198308-198707
60A,TERM.:FEMALE,YEL,60A
main90982-08203i198408-198707
80A,TERM.:MALE,BLK,80A
main90982-08223i198408-198707
30A,TERM.:MALE,PNK,30A,AM2
82221WIRE, OIL PRESSURE SWITCH
main82221-16030i198308-198707
82241CWIRE, RELAY
main82241-12100i198408-198707
82345DIODE
main82345-12020i198508-198707
2 POLE CONNECTOR,BROWN
main82345-12050i198408-198707
2 POLE CONNECTOR,BRACK
main82345-22010i198508-198707
4 POLE CONNECTOR
main82345-32020i198508-198707
3 POLE CONNECTOR
82817PROTECTOR, WIRING HARNESS, NO.1
main82817-32010×2i198308-198707
82821ACOVER, CONNECTOR
main82821-12210i198408-198707
82823CAP, TERMINAL, NO.1
main82823-14040i198408-198508
main82823-22060i198608-198707
82823CCAP, TERMINAL, NO.4
main82823-30010i198308-198707
8401SWITCH & RELAY & COMPUTER
9011906005
9011906234
9011910138

19 parts on this diagram · 4 diagrams in section

WIRING & CLAMP — Toyota Parts Diagram with OEM Numbers & Prices | EPC Data