E
EPC Data

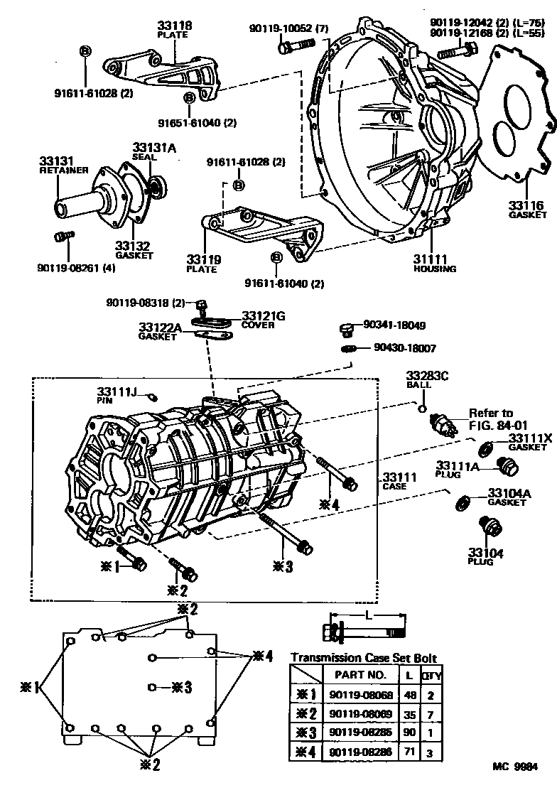
CLUTCH HOUSING & TRANSMISSION CASE (MTM)

Parts diagram
31111HOUSING, CLUTCH
main31111-12040i198308-198707
main31111-12050i198408-198707
33104PLUG SUB-ASSY, DRAIN(MTM)
main90341-18081i198308-198707
33104AGASKET, DRAIN PLUG(MTM)
main90430-18007i198308-198408
main90430-18008i198408-198707
33111CASE, MANUAL TRANSMISSION
main33101-14040i198308-198608
main33101-14051i198608-198707
33111APLUG, MANUAL TRANSMISSION CASE
main90341-18006i198308-198707
33111JPIN, STRAIGHT(FOR MANUAL TRANSMISSION CASE)
main90250-08030×2i198308-198707
L=16,OD=8
33111XGASKET, TRANSMISSION CASE PLUG
main90430-18007i198308-198408
main90430-18008i198408-198707
33116GASKET, MANUAL TRANSMISSION CASE
main33116-14020i198308-198707
33118PLATE, STIFFENER, RH(MTM)
main33118-14040i198308-198707
33119PLATE, STIFFENER, LH(MTM)
main33119-12081i198308-198707
33121GCOVER, MANUAL TRANSMISSION CASE
main33121-14010i198308-198707
33122AGASKET, MANUAL TRANSMISSION CASE COVER
main33122-14010i198308-198707
33131RETAINER, BEARING, FRONT(MTM)
main33131-14020i198308-198707
33131ASEAL, OIL(FOR TRANSMISSION FRONT BEARING RETAINER)
main90311-25003i198308-198707
33132GASKET, FRONT BEARING RETAINER(MTM)
main33132-14020i198308-198707
33283CBALL, REVERSE RESTRICT
main90360-10003i198308-198707
8401SWITCH & RELAY & COMPUTER
9011908068
9011908069
9011908261
9011908285
9011908286
9011908318
9011910052
9011912042
9011912168
9034118049
9043018007
9161161028
9161161040
9165161040

31 parts on this diagram · 1 diagram in section

CLUTCH HOUSING & TRANSMISSION CASE (MTM) — Toyota Parts Diagram with OEM Numbers & Prices | EPC Data