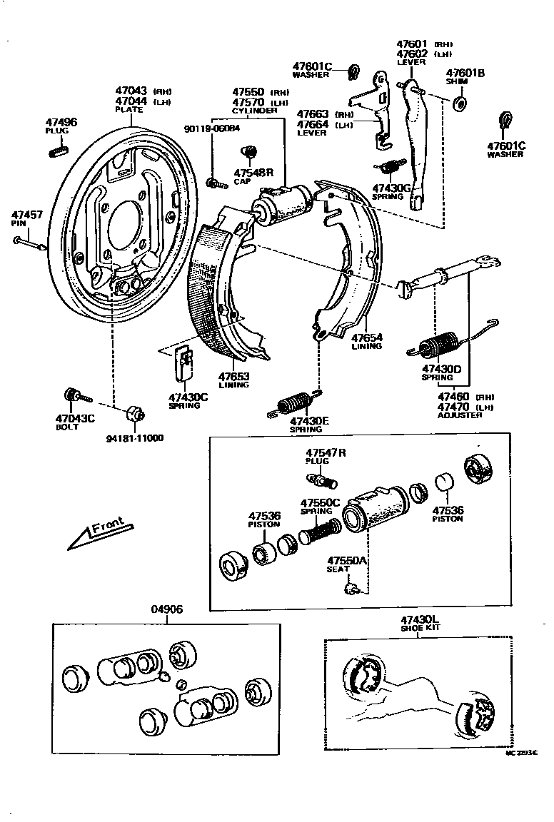
REAR DRUM BRAKE WHEEL CYLINDER & BACKING PLATE

04906CUP KIT, REAR WHEEL CYLINDER
47043PLATE SUB-ASSY, BRAKE BACKING, REAR RH
47043CBOLT(FOR BACKING PLATE TO REAR AXLE HOUSING SETTING)
*10-1.25PX37-15
*10-1.25PX26-10
47044PLATE SUB-ASSY, BRAKE BACKING, REAR LH
47430CSPRING(FOR REAR BRAKE SHOE HOLD DOWN)
47430DSPRING, TENSION(FOR REAR BRAKE SHOE RETURN)
RH.
LH.
47430ESPRING, TENSION(FOR REAR BRAKE SHOE RETURN)
47430GSPRING, TENSION(FOR REAR BRAKE AUTOMATIC ADJUST LEVER)
47457PIN, SHOE HOLD DOWN SPRING(FOR REAR BRAKE)
47460ADJUSTER ASSY, SHOE, RH(FOR REAR BRAKE)
47470ADJUSTER ASSY, SHOE, LH(FOR REAR BRAKE)
47496PLUG, HOLE(FOR REAR BRAKE)
47536PISTON, WHEEL BRAKE CYLINDER(FOR REAR BRAKE)
47547RPLUG, BLEEDER(FOR DRUM BRAKE, REAR)
47548RCAP, BLEEDER PLUG(FOR DRUM BRAKE, REAR)
47550CYLINDER ASSY, REAR WHEEL BRAKE(FOR RH, FRONT OR UPPER)
47550ASEAT, UNION(FOR REAR WHEEL BRAKE CYLINDER)
47550CSPRING, COMPRESSION(FOR REAR WHEEL BRAKE CYLINDER)
47570CYLINDER ASSY, REAR WHEEL BRAKE(FOR LH, FRONT OR UPPER)
47601LEVER SUB-ASSY, PARKING BRAKE SHOE, RH(FOR REAR BRAKE)
47601BSHIM, REAR PARKING BRAKE SHOE LEVER
T=0.3,T=0.3
T=0.6,T=0.6
T=0.9,T=0.9
T=0.2,T=0.2
T=0.4,T=0.4
T=0.5,T=0.5
47601CWASHER, C(FOR REAR BRAKE)
T=1.2
47602LEVER SUB-ASSY, PARKING BRAKE SHOE, LH (FOR REAR BRAKE)
47653LINING, REAR BRAKE SHOE(FOR FRONT OR UPPER)
47654LINING, REAR BRAKE SHOE(FOR REAR OR LOWER)
47663LEVER, AUTOMATIC ADJUST, RH(FOR REAR BRAKE)
47664LEVER, AUTOMATIC ADJUST, LH(FOR REAR BRAKE)
9011906084
main90119-06084
9418111000
main94181-11000
30 parts on this diagram · 2 diagrams in section