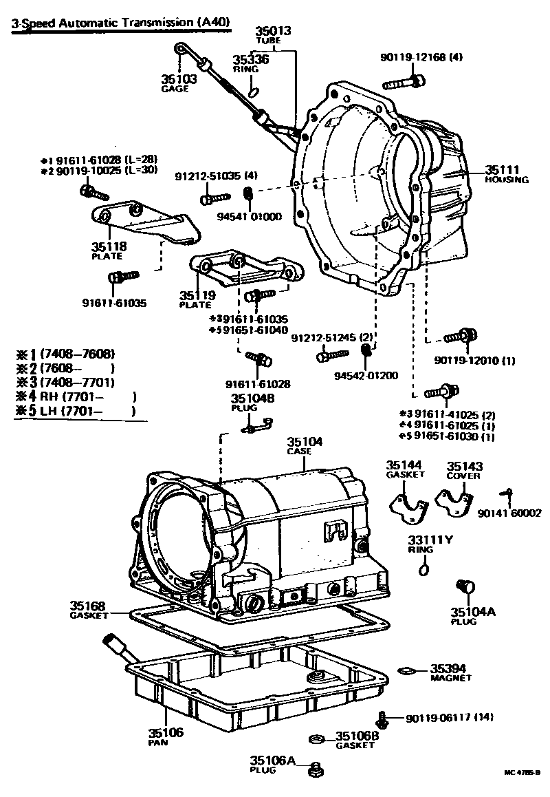
TRANSMISSION CASE & OIL PAN (ATM)

33111YSEAL, OIL(FOR TRANSMISSION CASE)
35013TUBE SUB-ASSY, TRANSMISSION OIL FILLER
35103GAGE SUB-ASSY, TRANSMISSION OIL LEVEL
35104CASE SUB-ASSY, AUTOMATIC TRANSMISSION
35104APLUG, AUTOMATIC TRANSMISSION CASE
35104BPLUG, BREATHER, NO.1 (ATM)
35106PAN SUB-ASSY, AUTOMATIC TRANSMISSION OIL
35106APLUG SUB-ASSY, DRAIN (ATM)
35106BGASKET, DRAIN PLUG (ATM)
35111HOUSING, AUTOMATIC TRANSMISSION
35118PLATE, STIFENER, RH (ATM)
35119PLATE, STIFENER, LH (ATM)
35143COVER, TRANSMISSION CASE, REAR
35144GASKET, TRANSMISSION CASE REAR COVER
35168GASKET, AUTOMATIC TRANSMISSION OIL PAN
35336RING, O (FOR TRANSMISSION OIL FILLER TUBE)
35394MAGNET, OIL CLEANER (FOR TRANSMISSION)
9011906117
main90119-06117
9011910025
main90119-10025
9011912010
main90119-12010
9011912168
main90119-12168
9014160002
main90141-60002
9121251035
main91212-51035
9121251245
main91212-51245
9161141025
main91611-41025
9161161025
main91611-61025
9161161028
main91611-61028
9161161035
main91611-61035
9165161030
main91651-61030
9165161040
main91651-61040
9454101000
main94541-01000
9454201200
main94542-01200
32 parts on this diagram · 1 diagram in section