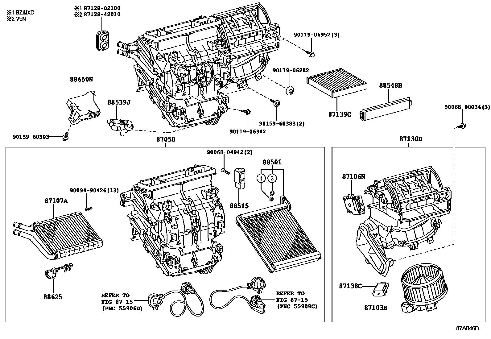
HEATING & AIR CONDITIONING - COOLER UNIT

87050RADIATOR ASSY, AIR CONDITIONER
main87050-02D40iZZE14#..CE,XLI; ZZE142..MTM..HTWC..BZ; ZZE142..XEGLI;ZZE142..MTM..HTWC..BZ; ZZE142..XEI..BZ200803
LATIN AMERICA SPEC; LATIN AMERICA SPEC&LOW GRADE PACKAGE; LOW GRADE PACKAGE
COLOMBIA SPEC; LOW GRADE PACKAGE
87103BMOTOR SUB-ASSY, BLOWER W/FAN
87106NSERVO SUB-ASSY, DAMPER(FOR RECIRCULATION)
main87106-02430supersedes 87106-02440iZZE14#..CE,XLI; ZZE142..MTM..HTWC..BZ; ZZE142..XEGLI;ZZE142..MTM..HTWC..BZ; ZZE142..XEI..BZ200803
LATIN AMERICA SPEC; LATIN AMERICA SPEC&LOW GRADE PACKAGE; LOW GRADE PACKAGE
87107AUNIT SUB-ASSY, HEATER RADIATOR
87130DBLOWER ASSY
main87130-02630supersedes 87130-02640iZZE14#..CE,XLI; ZZE142..MTM..HTWC..BZ; ZZE142..XEGLI;ZZE142..MTM..HTWC..BZ; ZZE142..XEI..BZ200803
LATIN AMERICA SPEC; LATIN AMERICA SPEC&LOW GRADE PACKAGE; LOW GRADE PACKAGE
87138CRESISTOR, BLOWER
main87138-26160iZZE141;ZZE142..(CE,XEI)..HTWC..(MXC,VEN); ZZE142..MTM..HTWC..BZ; ZZE142..XEGLI;ZZE142..MTM..HTWC..BZ; ZZE142..XEI..BZ200803
LATIN AMERICA SPEC; LATIN AMERICA SPEC&LOW GRADE PACKAGE; LOW GRADE PACKAGE
87139CFILTER, CLEAN AIR
8715HEATING & AIR CONDITIONING - CONTROL & AIR DUCT
88501EVAPORATOR SUB-ASSY, COOLER, NO.1
88515VALVE, COOLER EXPANSION
88548BCASE, AIR FILTER
88625THERMISTOR, COOLER, NO.1
88650NAMPLIFIER ASSY, AIR CONDITIONER
COLOMBIA SPEC; LOW GRADE PACKAGE
8712802100GROMMET, HEATER
main87128-02100
8712842010GROMMET, HEATER
main87128-42010
9006800034
main90068-00034
9006804042
main90068-04042
9009490426
main90094-90426
9011906942
main90119-06942
9011906952
main90119-06952
9015960303
main90159-60303
9015960383
main90159-60383
9017906282
main90179-06282
24 parts on this diagram · 3 diagrams in section