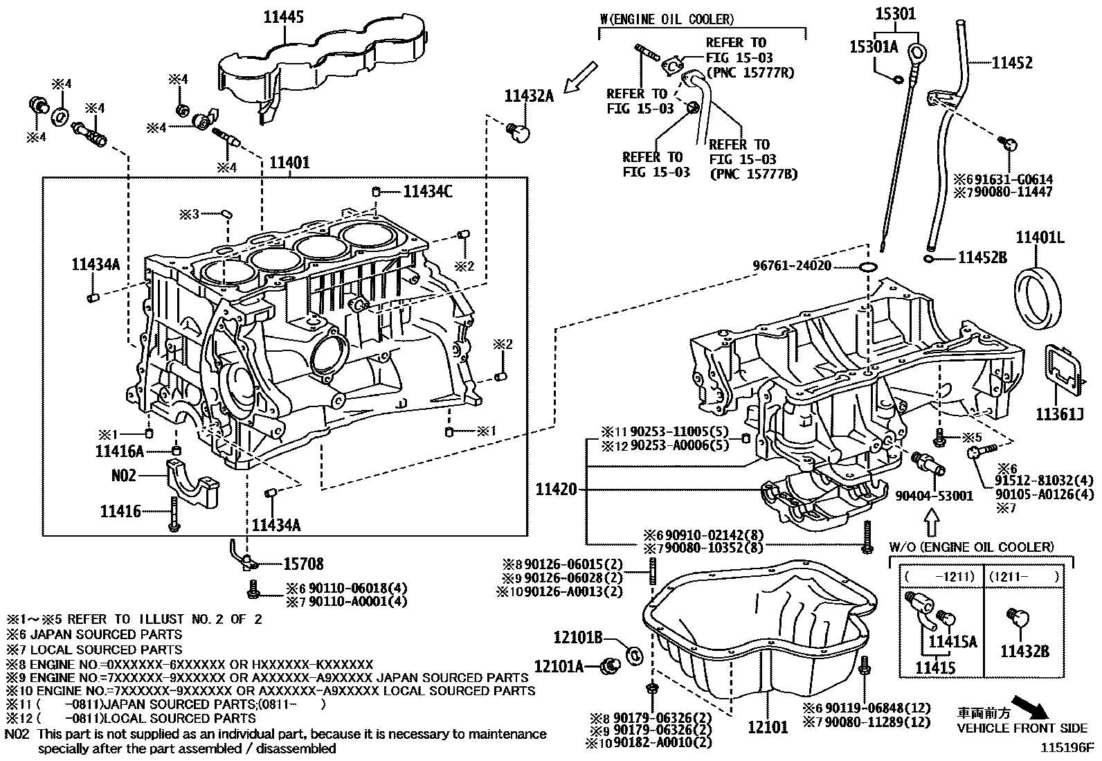
CYLINDER BLOCK

11361JCOVER, FLYWHEEL HOUSING UNDER
(L)
(J)
11415COCK SUB-ASSY, WATER DRAIN(FOR CYLINDER BLOCK)
*108
*195,*108
11415APLUG, WATER DRAIN COCK(FOR CYLINDER BLOCK)
*195,*108
*108
11416APIN, RING(FOR CRANKSHAFT BEARING CAP SET)
*108
(J),*195,(J),*108
11420CRANKCASE ASSY, STIFFENING
(L),*195
(L)
(J),*195
(J)
11432APLUG, W/HEAD TAPER SCREW, NO.1
*195,*108
NO.2
*108
NO.1
11432BPLUG, W/HEAD TAPER SCREW, NO.2
11434APIN, STRAIGHT(FOR TIMING GEAR COVER SET)
L=12,OD=4.0
L=18,OD=8,*108
L=18,OD=8
L=18,OD=8,*195
L=18,OD=8,(J),*108
11434CPIN, STRAIGHT (FOR CYLINDER HEAD SET)
L=12,OD=4.0
L=12,OD=14,*108
L=12,OD=14,(J),*108
L=12,OD=14,*195
L=12,OD=14
11445SPACER, CYLINDER BLOCK WATER JACKET
*195,*108
*108
11452BRING, O(FOR OIL LEVEL GAGE GUIDE)
*195,*108
*108
12101PAN SUB-ASSY, OIL
*108
(L),*108
*195
(J),*108
12101APLUG(FOR OIL PAN DRAIN)
*195,*108
*108
12101BGASKET(FOR OIL PAN DRAIN PLUG)
*195,*108
*108
1503
15301ARING, O(FOR OIL LEVEL GAGE)
*195,*108
*108
9008010352
main90080-10352
9008011289
main90080-11289
9008011447
main90080-11447
90105A0126
main90105-A0126
9011006018
main90110-06018
90110A0001
main90110-A0001
9011906848
main90119-06848
9012606015
main90126-06015
9012606028
main90126-06028
90126A0013
main90126-A0013
9017906326
main90179-06326
90182A0010
main90182-A0010
9025311005
main90253-11005
90253A0006
main90253-A0006
9040453001
main90404-53001
9091002142
main90910-02142
9151281032
main91512-81032
91631G0614
main91631-G0614
9676124020
main96761-24020
41 parts on this diagram · 4 diagrams in section