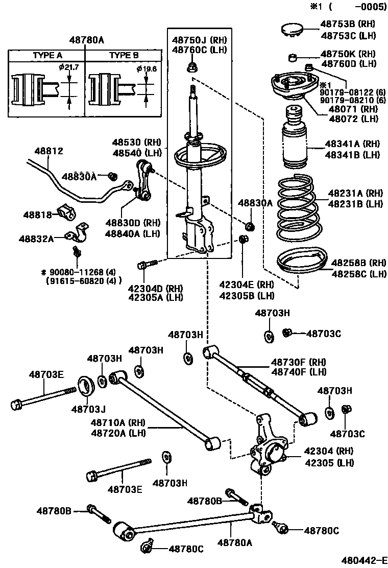
REAR SPRING & SHOCK ABSORBER

42304CARRIER SUB-ASSY, REAR AXLE, RH
W(ABS)
42304ENUT (FOR REAR AXLE CARRIER RH)
42305CARRIER SUB-ASSY, REAR AXLE, LH
W(ABS)
42305BNUT (FOR REAR AXLE CARRIER LH)
48071SUPPORT SUB-ASSY, REAR SUSPENSION, RH
48072SUPPORT SUB-ASSY, REAR SUSPENSION, LH
48231ASPRING, COIL, REAR RH
48231BSPRING, COIL, REAR LH
48258BINSULATOR, REAR COIL SPRING, LOWER RH
48258CINSULATOR, REAR COIL SPRING, LOWER LH
48341ABUMPER, REAR SPRING, NO.1 RH
48341BBUMPER, REAR SPRING, NO.1 LH
48703CNUT(FOR REAR SUSPENSION ARM)
48703EBOLT(FOR REAR SUSPENSION ARM)
*14-1.5PX222-29
48703HWASHER, NO.1(FOR REAR SUSPENSION ARM)
48703JWASHER, NO.2(FOR REAR SUSPENSION ARM)
48710AARM ASSY, REAR SUSPENSION, NO.1 RH
48720AARM ASSY, REAR SUSPENSION, NO.1 LH
48730FARM ASSY, REAR SUSPENSION, NO.2 RH
48740FARM ASSY, REAR SUSPENSION, NO.2 LH
48750JNUT(FOR REAR SUPPORT TO REAR SHOCK ABSORBER RH)
48750KCOLLAR(FOR REAR SUPPORT TO REAR SHOCK ABSORBER RH)
48753BCOVER, REAR SUSPENSION SUPOPORT, NO.1 RH
48753CCOVER, REAR SUSPENSION SUPOPORT, NO.1 LH
48760CNUT(FOR REAR SUPPORT TO REAR SHOCK ABSORBER LH)
48760DCOLLAR(FOR REAR SUPPORT TO REAR SHOCK ABSORBER LH)
48780AROD ASSY, STRUT, REAR
TYPE A:REFER TO ILLUSTRATION
TYPE B:REFER TO ILLUSTRATION
48780BBOLT(FOR STRUT ROD)
48780CNUT(FOR STRUT ROD)
48812BAR, STABILIZER, REAR
HANDLING PACKAGE
48830ANUT(FOR REAR STABILIZER LINK)
48830DLINK ASSY, REAR STABILIZER, RH
sub48830-20010
48832ABRACKET, REAR STABILIZER BAR, NO.1
48840ALINK ASSY, REAR STABILIZER, LH
sub48830-20010
9008011268
main90080-11268
9017908122
main90179-08122
9017908210
main90179-08210
9161560820
main91615-60820
43 parts on this diagram · 1 diagram in section