E
EPC Data

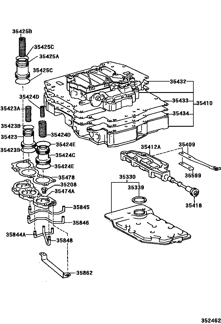
VALVE BODY & OIL STRAINER (ATM)

Parts diagram
35208SPRING SUB-ASSY, B-2 ACCUMULATOR
main35208-20040i199603-199708
35330STRAINER ASSY, VALVE BODY OIL
main35330-12030i199209
main35330-20012i199209
35339GASKET, OIL STRAINER
main35339-12020i199209
main35339-32010i199209
35409SPRING SUB-ASSY, MANUAL DETENT
main35409-12030i199209
main35409-32030i199209
35410BODY ASSY, TRANSMISSION VALVE
main35410-12311i199603
main35410-12370i199209-199304
main35410-12372i199304
main35410-12430i199508
35412ABODY, MANUAL VALVE
main35412-32010i199209
35418VALVE, MANUAL
main35418-12030i199209
main35418-32010i199209
35423PISTON, B-2 ACCUMULATOR
main35403-20010i199209-199508
main35423-12010i199209
main35423-20030i199603
35423ASPRING, COMPRESSION (FOR B-2 ACCUMULATOR PISTON)
main90501-20116i199209-199610
main90501-20128i199610
main90501-23110i199603
main90501-23126i199209-199408
main90501-25045i199408-199505
35423BRING, O (FOR B-2 ACCUMULATOR PISTON)
main90301-22185i199209
UPR
main90301-29187i199209
LWR
35424CPISTON, C-1 ACCUMULATOR
main35424-12030i199209-199708
main35424-12040i199603-199708
main35424-20020i199209-199508
main35424-20021i199706-199708
35424DSPRING, COMPRESSION (FOR C-1 ACCUMULATOR PISTON)
main90501-20129i199209-199706
OUTER
main90501-20133i199209-199304
main90501-20136i199304-199708
OUTER
main90501-20141i199706-199708
main90501-24027i199304-199708
INNER
main90501-26079i199603-199708
AISIN AW:ILLUSTRATION FIG.35-01,INNER
main90501-27023i199209-199508
INNER
35424ERING, O (FOR C-1 ACCUMULATOR PISTON)
main90301-23194i199209-199706
UPR
main90301-24009i199706-199708
UPR
main90301-29011i199706-199708
LWR
main90301-29187i199706-199708
LWR
35425APISTON, C-2 ACCUMULATOR
main35405-12010i199209-199508
main35425-12040i199209
main35425-32010i199603
35425BSPRING, COMPRESSION (FOR C-2 ACCUMULATOR PISTON)
main90501-23124i199209
main90501-24013i199603
main90501-25043i199209-199508
35425CRING, O (FOR C-2 ACCUMULATOR PISTON)
main90301-26190i199209
UPR
main90301-29187i199209
LWR
35432PLATE, VALVE BODY, NO.1
main35432-12140i199209-199304
main35432-12170i199603
main35432-12210i199304
main35432-12250i199705
main35432-20220i199209-199508
35433GASKET, VALVE BODY, NO.1
main35433-12030i199603
main35433-12050i199209
main35433-20020i199508
35434GASKET, VALVE BODY, NO.2
main35434-12030i199209
main35434-32020i199209
35474ACOVER, ACCUMULATOR
main35474-12010i199603
main35474-20010i199209-199508
35478GASKET, ACCUMULATOR COVER
main35478-32010i199209
35599COVER, MANUAL DETENT SPRING
main35599-12020i199209
main35599-32010i199209
35844ATUBE, ACCUMULATOR BACK PRESSURE, NO.1
main35844-12020i199603
main35844-32021i199209-199508
35845TUBE, RR CLUTCH ACCUMULATOR
main35845-32012i199209
35846TUBE, BRAKE ACCUMULATOR
main35846-20020i199209
35848TUBE, FORWARD CLUTCH ACCUMULATOR
main35848-12020i199603
main35848-32011i199508
35862BRACKET, ACCUMULATOR APPLY TUBE
main35862-12011i199603
main35862-32011i199209-199508

27 parts on this diagram · 9 diagrams in section

VALVE BODY & OIL STRAINER (ATM) — Toyota Parts Diagram with OEM Numbers & Prices | EPC Data