E
EPC Data

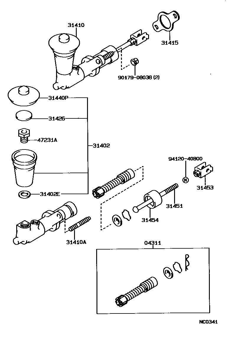
CLUTCH MASTER CYLINDER

Parts diagram
04311CYLINDER KIT, CLUTCH MASTER
main04311-12060i198908-199205
main04311-12080i199205-199209
main04311-22040i198905-198908
main04311-32030i198809-198905
31402RESERVOIR SUB-ASSY, CLUTCH MASTER CYLINDER
main31402-12020i198809-198905
main31402-12040i198905-199209
31402ERING(FOR CLUTCH MASTER CYLINDER RESERVOIR)
main90562-18151i198809-198905
31410CYLINDER ASSY, CLUTCH MASTER
main31410-12201i198809-198905
main31410-12330i198905-199209
31410ABOLT(FOR CLUTCH MASTER CYLINDER SETTING)
main90116-08146×2i198809-199209
31415GASKET, CLUTCH MASTER CYLINDER
main31415-10010i198809-199209
31426FLOAT, CLUTCH MASTER CYLINDER RESERVOIR
main31426-22020i198905-199209
main31426-30011i198809-198905
31440PCAP ASSY, CLUTCH MASTER CYLINDER RESERVOIR FILLER
main47230-20040i198809-199209
31451ROD, CLUTCH MASTER CYLINDER PUSH
main31451-12050i198809-198905
main31451-35070i198905-199209
31453CLEVIS, CLUTCH MASTER CYLINDER PUSH ROD
main31453-10020i198809-199209
31454BOOT, CLUTCH MASTER CYLINDER
main31454-14010i198809-199209
47231ABOLT, CLUTCH MASTER CYLINDER RESERVOIR SET
main47231-20010i198809-198905
9017908038
9412040800

14 parts on this diagram · 2 diagrams in section

CLUTCH MASTER CYLINDER — Toyota Parts Diagram with OEM Numbers & Prices | EPC Data