E
EPC Data

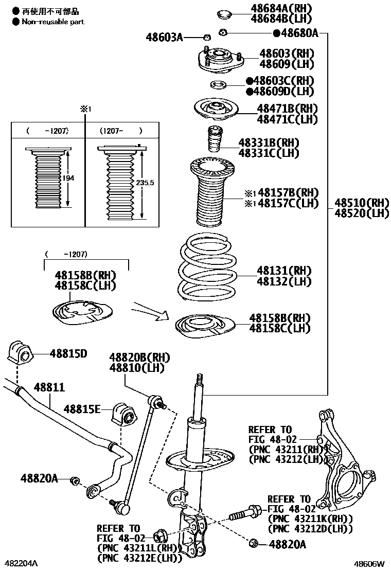
FRONT SPRING & SHOCK ABSORBER

Parts diagram
4802FRONT AXLE ARM & STEERING KNUCKLE
48131SPRING, FRONT COIL, RH
main48131-12A70i200703-200705
main48131-12D20i201003
main48131-12D30i200705-201003
main48131-12D40i200703-200705
48132SPRING, FRONT COIL, LH
main48131-12A70i200703-200705
main48131-12D20i201003
main48131-12D30i200705-201003
main48131-12D40i200703-200705
48157BINSULATOR, FRONT COIL SPRING, UPPER RH
main48157-42030i200703-201003
main48157-76010i201207
48157CINSULATOR, FRONT COIL SPRING, UPPER LH
main48157-42030i201003-201207
main48157-76010i201207
48158BINSULATOR, FRONT COIL SPRING, LOWER RH
main48158-12040i200703-201003
main48158-76010i201207
48158CINSULATOR, FRONT COIL SPRING, LOWER LH
main48158-12040i200703-201003
main48158-76010i201207
48331BBUMPER, FRONT SPRING, RH
main48331-12220i200703-201003
48331CBUMPER, FRONT SPRING, LH
main48331-12220i200703-201003
48471BSEAT, FRONT COIL SPRING, UPPER RH
main48044-42010i200703-201003
48471CSEAT, FRONT COIL SPRING, UPPER LH
main48044-42010i200703-201003
48510ABSORBER ASSY, SHOCK, FRONT RH
main48510-80363i201003-201512
MARK 48510-12D70
48520ABSORBER ASSY, SHOCK, FRONT LH
main48520-80127i200703-201003
MARK 48520-12C70
48603SUPPORT SUB-ASSY, FRONT SUSPENSION, RH
main48609-12500i200703-201001
main48609-12570i201002-201003
48603ANUT(FOR FRONT SUSPENSION SUPPORT)
main90178-10030×6i200703-201003
48603CSEAL, DUST(FOR FRONT SUSPENSION SUPPORT RH)
main90303-22002i200703-201003
48609SUPPORT SUB-ASSY, FRONT SUSPENSION, LH
main48609-12500i200703-201001
main48609-12570i201002-201003
48609DSEAL, DUST(FOR FRONT SUSPENSION SUPPORT LH)
main90303-22002i200703-201003
48680ANUT(FOR FRONT SUPPORT TO FRONT SHOCK ABSORBER)
main90179-14015×2i200703-201003
48684ACOVER, FRONT SUSPENSION SUPPORT DUST, RH
main48684-52010i200703-201003
48684BCOVER, FRONT SUSPENSION SUPPORT DUST, LH
main48684-52010i200703-201003
48810LINK ASSY, FRONT STABILIZER, LH
main48820-42030i200703-201003
48811BAR, STABILIZER, FRONT
main48811-12A50i200703-201003
48815DBUSH, FRONT STABILIZER BAR, RH
main48815-28190i200703-201003
48815EBUSH, FRONT STABILIZER BAR, LH
main48815-28180i200703-201003
48820ANUT(FOR FRONT STABILIZER LINK)
main90179-12151×4i200703-201003
48820BLINK ASSY, FRONT STABILIZER, RH
main48820-42030i200703-201003

27 parts on this diagram · 1 diagram in section

FRONT SPRING & SHOCK ABSORBER — Toyota Parts Diagram with OEM Numbers & Prices | EPC Data