E
EPC Data

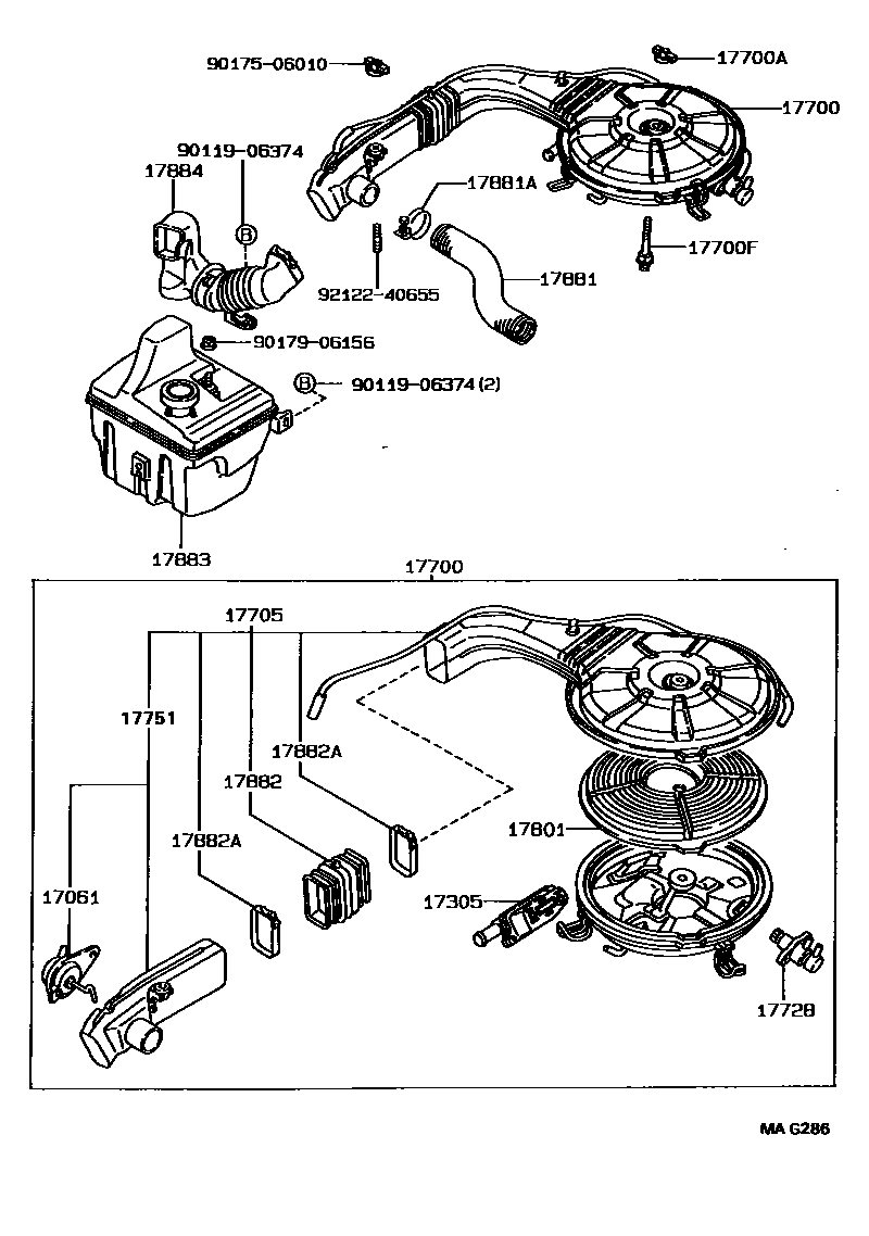
AIR CLEANER

Parts diagram
17061DIAPHRAGM SUB-ASSY
main17061-15040i198708-198908
17305VALVE SUB-ASSY, REED
main17305-37010i198709-198908
main17350-15100i198708-198709
main17350-15100i198709-198908
EX. EMISSION CONTROL(FOR USA CALIFORNIA)
17700CLEANER ASSY, AIR
main17700-16380i198708-198908
main17700-16450i198709-198803
main17700-16450i198708-198908
EX. EMISSION CONTROL(FOR USA CALIFORNIA)
main17700-16490i198708-198709
main17700-16600i198803-198908
main17700-16650i198908-198912
main17700-16680i198908-199106
main17700-16700i198912-199106
17700ANUT, WING(FOR AIR CLEANER)
main90175-06010i198708-198908
17700FBOLT, STUD(FOR AIR CLEANER SETTING)
main90116-06018i198708-198908
17705CAP SUB-ASSY, AIR CLEANER
main17705-15150i198708-198709
main17705-16170i198708-198908
main17705-16190i198709-198908
main17705-16330i198908-198912
main17705-16360i198908-199106
main17705-16400i198912-199106
17728VALVE, THERMOSTATIC
main17728-16020i198708-198908
17751INLET, AIR CLEANER, NO.1
main17751-15010i198708-198908
17801ELEMENT SUB-ASSY, AIR CLEANER FILTER
main17801-15060i198708-198908
main17801-16020i198708-198908
main17801-16040i198908-199106
main17801-74020i198908-199106
17881HOSE, AIR CLEANER, NO.1
main17881-15120i198708-198710
main17881-15150i198710-198910
main17881-15160i198908-199106
main17881-16130i198708-199106
17881ACLAMP(FOR AIR CLEANER HOSE, NO.1)
main90460-73005i198908-199106
main90460-80002i198905-199106
main96111-10460i198708-198910
main96111-10800i198708-198905
17882HOSE, AIR CLEANER, NO.2
main17881-15140i198708-198908
17882ACLAMP(FOR AIR CLEANER HOSE, NO.2)
main17786-15010i198708-198908
17883HOSE, AIR CLEANER, NO.3
main17883-16030i198708-198805
main17883-16031i198805-198908
main17883-16040i198708-198805
main17883-16041i198805-199106
17884HOSE, AIR CLEANER, NO.4
main17880-16010i198708-198908
main17882-16100i198708-199106
main17882-16130i198908-199106
9011906374
9017506010
9017906156
9212240655

19 parts on this diagram · 4 diagrams in section

AIR CLEANER — Toyota Parts Diagram with OEM Numbers & Prices | EPC Data