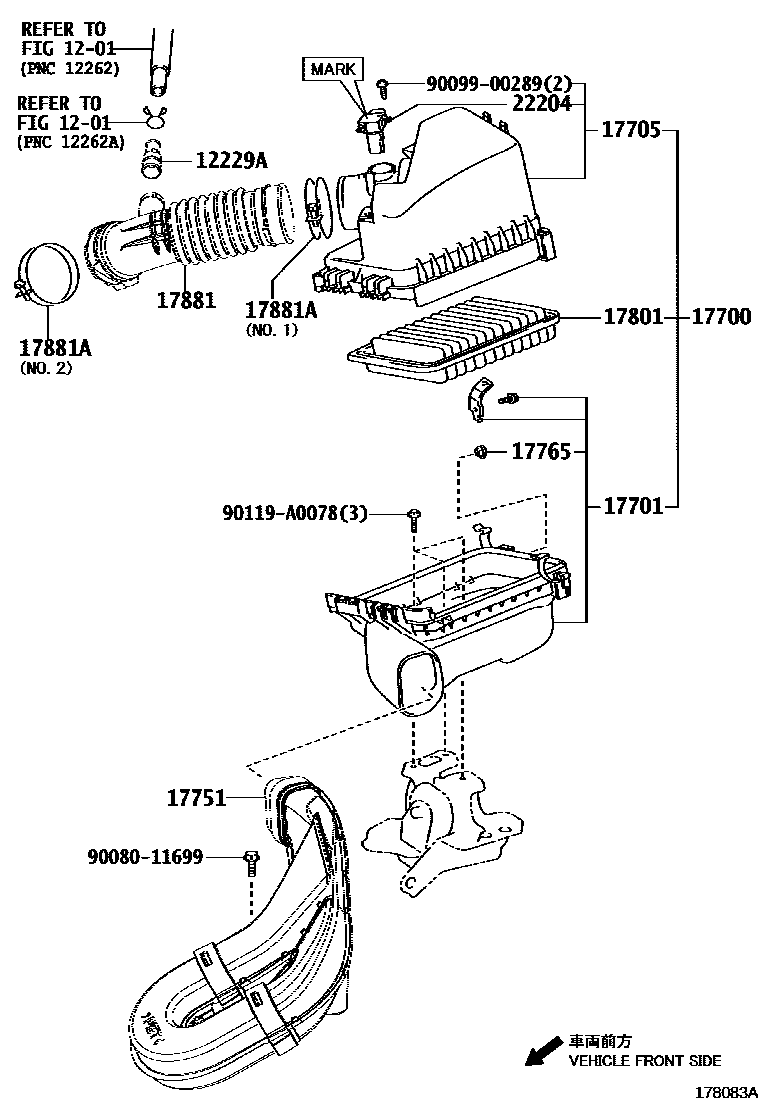
AIR CLEANER

1201VENTILATION HOSE
12229APIPE, VENTILATION
17700CLEANER ASSY, AIR
17701CASE SUB-ASSY, AIR CLEANER
17705CAP SUB-ASSY, AIR CLEANER
17751INLET, AIR CLEANER, NO.1
17765STAY, AIR CLEANER, NO.1
17801ELEMENT SUB-ASSY, AIR CLEANER FILTER
17881HOSE, AIR CLEANER, NO.1
17881ACLAMP(FOR AIR CLEANER HOSE, NO.1)
NO.1
NO.2
22204METER SUB-ASSY, INTAKE AIR FLOW
MARK 22204-0V010
MARK 22204-0V020
MARK 22204-28010
9008011699
main90080-11699
9009900289
main90099-00289
90119A0078
main90119-A0078
14 parts on this diagram · 2 diagrams in section