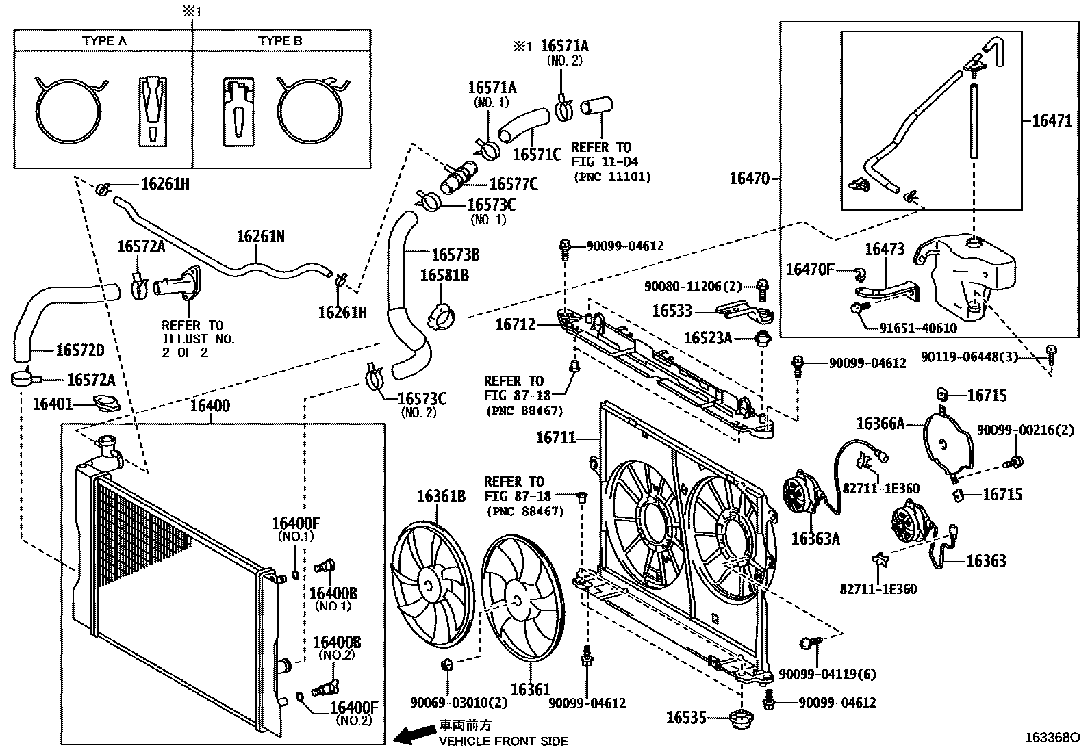
RADIATOR & WATER OUTLET

1104
16261HCLIP(FOR WATER BY-PASS HOSE NO.1)
16261NHOSE, WATER BY-PASS, NO.2
16361BFAN, NO.2
16363AMOTOR, COOLING FAN, NO.2
sub16363-64250
16366AINSULATOR, COOLING FAN MOTOR
16400BPLUG, RADIATOR DRAIN COCK
NO.2
NO.1
16400FPACKING(FOR RADIATOR DRAIN COCK)
NO.1
AIR CONDITIONER-WITHOUT,NO.1
NO.2
16470TANK ASSY, RADIATOR RESERVE
16470FCLAMP, RADIATOR RESERVE TANK HOSE
16471CAP SUB-ASSY, RESERVE TANK
16473SUPPORT(FOR RADIATOR RESERVE TANK)
16523ACUSHION, RADIATOR SUPPORT
16533SUPPORT, RADIATOR, UPPER
16535SUPPORT, RADIATOR, LOWER
16571ACLAMP OR CLIP, HOSE(FOR RADIATOR INLET)
NO.2T/P A:REF.ILLUST
NO.1,TYPE A
NO.2
(L),NO.2
NO.1,TYPE B
NO.2T/P B:REF.ILLUST
(J),NO.2
NO.2
NO.1
16571CHOSE, RADIATOR, NO.1
16572ACLAMP OR CLIP, HOSE(FOR RADIATOR OUTLET NO.1)
(L)
(J)
16572DHOSE, RADIATOR, NO.2
16573BHOSE, RADIATOR, NO.3
16573CCLAMP OR CLIP, RADIATOR HOSE, NO.3
(L)
(L),NO.2
(J)
NO.1,NO.2
(J),NO.2
16577CPIPE, RADIATOR
16581BCLAMP, HOSE(FOR RADIATOR HOSE)
16711SHROUD, FAN
16712SHROUD, FAN, NO.2
16715BRACKET, FAN SHROUD
8718
827111E360WIRE, FUSE TO FUSE(FOR COMBUSTION HEATER)
main82711-1E360
9006903010
main90069-03010
9008011206
main90080-11206
9009900216
main90099-00216
9009904119
main90099-04119
9009904612
main90099-04612
9011906448
main90119-06448
9165140610
main91651-40610
40 parts on this diagram · 5 diagrams in section