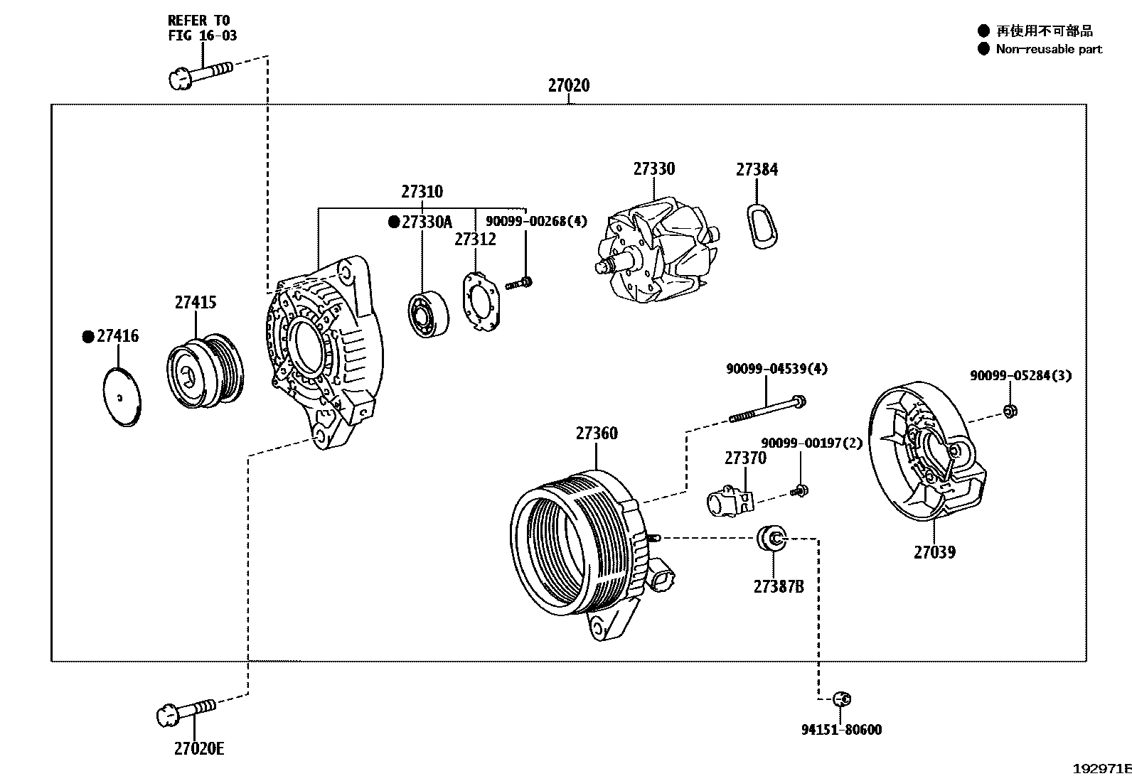
ALTERNATOR

1603
27020ALTERNATOR ASSY
12V 100A
12V 100A
27020EBOLT(FOR ALTERNATOR)
27039COVER, ALTERNATOR REAR END
27310FRAME ASSY, DRIVE END, ALTERNATOR
27312PLATE, RETAINER
27330ROTOR ASSY, ALTERNATOR
27330ABEARING(FOR ALTERNATOR ROTOR)
27360COIL ASSY, ALTERNATOR
27370HOLDER ASSY, ALTERNATOR BRUSH
27384WASHER
27387BINSULATOR, ALTERNATOR TERMINAL
27415PULLEY, ALTERNATOR W/CLUTCH
sub27415-0T011
27416CAP, ALTERNATOR PULLEY
9009900197
main90099-00197
9009900268
main90099-00268
9009904539
main90099-04539
9009905284
main90099-05284
9415180600
main94151-80600
19 parts on this diagram · 1 diagram in section