E
EPC Data

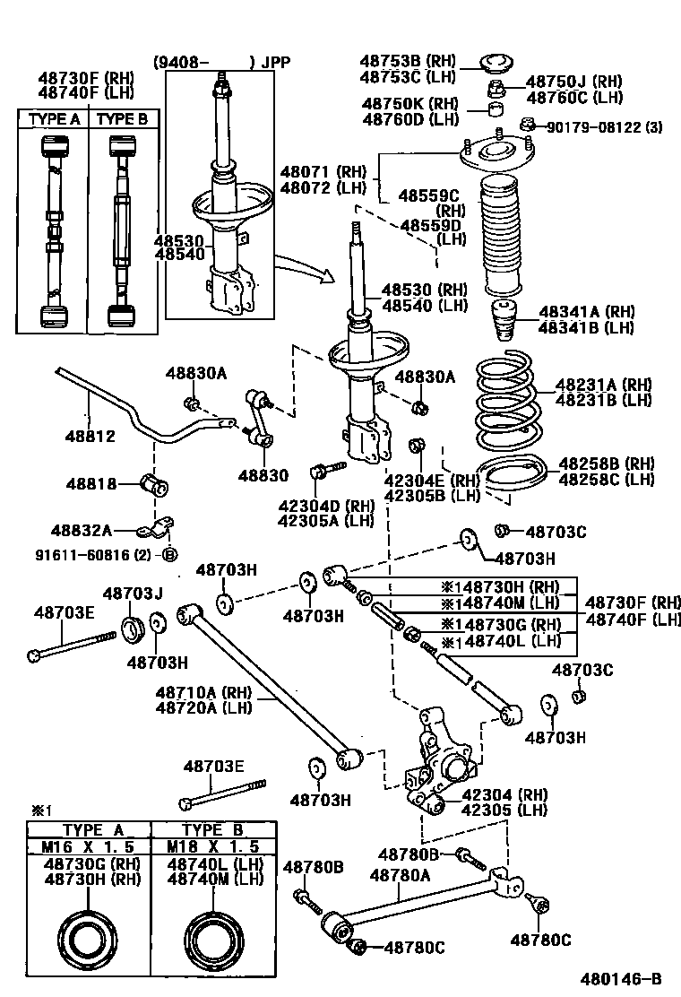
REAR SPRING & SHOCK ABSORBER

Parts diagram
42304CARRIER SUB-ASSY, REAR AXLE, RH
main42304-12090i199206-199505
W(*66)
main42304-12130i199206-199505
42304DBOLT (FOR REAR AXLE CARRIER RH)
main90105-12102×2i199206
42304ENUT (FOR REAR AXLE CARRIER RH)
main90179-12025×2i199206
42305CARRIER SUB-ASSY, REAR AXLE, LH
main42305-12090i199608
W(*66)
main42305-12130i199608
42305ABOLT (FOR REAR AXLE CARRIER LH)
main90105-12102×2i199206
42305BNUT (FOR REAR AXLE CARRIER LH)
main90179-12025×2i199206
48071SUPPORT SUB-ASSY, REAR SUSPENSION, RH
main48071-12080i199206-199505
main48071-12130i199505
48072SUPPORT SUB-ASSY, REAR SUSPENSION, LH
main48072-12080i199206-199505
main48072-12130i199505
48231ASPRING, COIL, REAR RH
main48231-1E090i199408
main48231-1E410i199206-199408
main48231-1E860i199206-199408
main48231-1E890i199408
48231BSPRING, COIL, REAR LH
main48231-1E090i199408
main48231-1E410i199206-199408
main48231-1E860i199206-199408
main48231-1E890i199408
48258BINSULATOR, REAR COIL SPRING, LOWER RH
main48258-12030i199206-199505
main48258-12040i199505
48258CINSULATOR, REAR COIL SPRING, LOWER LH
main48258-12030i199206-199505
main48258-12040i199505
48341ABUMPER, REAR SPRING, NO.1 RH
main48341-12120i199206-199505
main48341-12180i199505
48341BBUMPER, REAR SPRING, NO.1 LH
main48341-12120i199206-199505
main48341-12180i199505
48530ABSORBER ASSY, SHOCK, REAR RH
main48530-12550i199206-199408
main48530-19625i199408
48540ABSORBER ASSY, SHOCK, REAR LH
main48540-12490i199206-199408
main48540-19085i199408
48559CCOVER, REAR SHOCK ABSORBER DUST, RH NO.1
main48559-12070i199206-199505
48559DCOVER, REAR SHOCK ABSORBER DUST, LH NO.1
main48559-12070i199206-199505
48703CNUT(FOR REAR SUSPENSION ARM)
main90179-14019×4i199206
48703EBOLT(FOR REAR SUSPENSION ARM)
main90105-14083×4i199206-199505
*14-1.50PX225-32
main90105-14099×4i199505
*14-1.5PX222-29
48703HWASHER, NO.1(FOR REAR SUSPENSION ARM)
main90201-14017×12i199206
48703JWASHER, NO.2(FOR REAR SUSPENSION ARM)
main90209-15002×2i199206
48710AARM ASSY, REAR SUSPENSION, NO.1 RH
main48710-12190i199206-199505
main48710-12200i199505
48720AARM ASSY, REAR SUSPENSION, NO.1 LH
main48710-12190i199206-199505
main48710-12200i199505
48730FARM ASSY, REAR SUSPENSION, NO.2 RH
main48730-12060i199206-199401
main48730-12090i199401-199505
main48730-12110i199505-199611
main48730-13020i199611-199704
TYPE B:REFER TO ILLUSTRATION
48730GNUT, NO.1(FOR REAR SUSPENSION ARM NO.2 RH)
main90179-16022i199206
TYPE A:REFER TO ILLUSTRATION
main90179-18016i199611
TYPE B:REFER TO ILLUSTRATION
48730HNUT, NO.2(FOR ARM ASSY, REAR SUSPENSION, NO.2 RH)
main90179-16021i199206-199704
TYPE A:REFER TO ILLUSTRATION
main90179-18017i199611-199704
TYPE B:REFER TO ILLUSTRATION
48740FARM ASSY, REAR SUSPENSION, NO.2 LH
main48730-12060i199206-199401
main48730-12090i199401-199505
main48730-12110i199505-199611
main48730-13020i199611-199704
TYPE B:REFER TO ILLUSTRATION
48740LNUT, NO.1(FOR REAR SUSPENSION ARM NO.2 LH)
main90179-16022i199206
TYPE A:REFER TO ILLUSTRATION
main90179-18016i199611
TYPE B:REFER TO ILLUSTRATION
48740MNUT, NO.2(FOR ARM ASSY, REAR SUSPENSION, NO.2 LH)
main90179-16021i199206
TYPE A:REFER TO ILLUSTRATION
main90179-18017i199611
TYPE B:REFER TO ILLUSTRATION
48750JNUT(FOR REAR SUPPORT TO REAR SHOCK ABSORBER RH)
main90179-14015i199206
48750KCOLLAR(FOR REAR SUPPORT TO REAR SHOCK ABSORBER RH)
main90387-15012i199206-199312
main90387-15027i199312
48753BCOVER, REAR SUSPENSION SUPOPORT, NO.1 RH
main48753-12010i199206-199505
main48753-12050i199505
48753CCOVER, REAR SUSPENSION SUPOPORT, NO.1 LH
main48753-12010i199206-199505
main48753-12050i199505
48760CNUT(FOR REAR SUPPORT TO REAR SHOCK ABSORBER LH)
main90179-14015i199206
48760DCOLLAR(FOR REAR SUPPORT TO REAR SHOCK ABSORBER LH)
main90387-15012i199206-199312
main90387-15027i199312
48780AROD ASSY, STRUT, REAR
main48780-12010×2i199408-199505
main48780-12020×2i199206-199408
main48780-12080×2i199505
48780BBOLT(FOR STRUT ROD)
main90119-12152×4i199206
48780CNUT(FOR STRUT ROD)
main90179-12062×2i199206-199505
CARRIER SIDE
main90179-12063×2i199206
BODY SIDE
main90179-12091×2i199505
CARRIER SIDE
48812BAR, STABILIZER, REAR
main48812-12170i199206
48818BUSH, STABILIZER, REAR
main48818-12150×2i199206-199211
48830LINK ASSY, REAR STABILIZER
main48830-12060×2i199508
main48830-20010×2i199206-199508
48830ANUT(FOR REAR STABILIZER LINK)
main90179-10183×4i199206
48832ABRACKET, REAR STABILIZER BAR, NO.1
main48832-20030×2i199206
9017908122
9161160816

46 parts on this diagram · 1 diagram in section

REAR SPRING & SHOCK ABSORBER — Toyota Parts Diagram with OEM Numbers & Prices | EPC Data