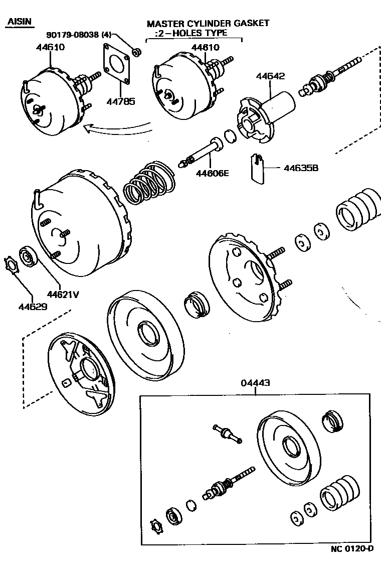
BRAKE BOOSTER & VACUUM TUBE

44606EROD SUB-ASSY, BRAKE BOOSTER PISTON
44610BOOSTER ASSY, BRAKE
MASTER CYLINDER GASKET:2 HOLES
MASTER CYLINDER GASKET:3 HOLES
44621VSEAL, BOOSTER BODY
44629RING, CIRCULAR INTERNAL
44635BKEY, VALVE STOPPER
MASTER CYLINDER GASKET:3 HOLES
MASTER CYLINDER GASKET:2 HOLES
44642PISTON, BRAKE BOOSTER
MASTER CYLINDER GASKET:2 HOLES
MASTER CYLINDER GASKET:3 HOLES
44785GASKET, BRAKE BOOSTER
9017908038
main90179-08038
9 parts on this diagram · 2 diagrams in section