E
EPC Data

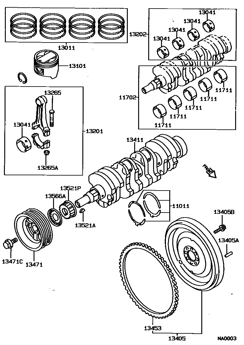
CRANKSHAFT & PISTON

Parts diagram
11011WASHER SET, CRANKSHAFT THRUST
main11011-15010i198708-199206
STD
11702BEARING SET, CRANKSHAFT
main11704-15050i198708-198808
U/S 0.25
main11704-16010i198808-199206
U/S 0.25
11711BEARING, CRANKSHAFT
main11701-15050-01×5i198708-198808
MARK 1
main11701-15050-02×5i198708-198808
MARK 2
main11701-15050-03×5i198708-198808
MARK 3
main11701-15050-04×5i198708-198808
MARK 4
main11701-15050-05×5i198708-198808
MARK 5
main11701-16010-01×5i198808-199206
MARK 1
main11701-16010-02×5i198808-199206
MARK 2
main11701-16010-03×5i198808-199206
MARK 3
main11701-16010-04×5i198808-199206
MARK 4
main11701-16010-05×5i198808-199206
MARK 5
13011RING SET, PISTON
main13011-16120i198708-199206
STD
main13013-16120i198708-199206
O/S 0.50
13041BEARING, CONNECTING ROD
main13041-15030-01×4i198708-199206
MARK 1
main13041-15030-02×4i198708-199206
MARK 2
main13041-15030-03×4i198708-199206
MARK 3
13101PISTON SUB-ASSY, W/PIN
main13101-16090×4i198708-198801
STD
main13101-16090-01×4i198801-199206
STD,MARK 1
main13101-16090-02×4i198801-199206
STD,MARK 2
main13101-16090-03×4i198801-199206
STD,MARK 3
main13103-16090×4i198708-199206
O/S 0.50
13201ROD SUB-ASSY, CONNECTING
main13201-19055×4i198708-199201
main13201-19056×4i199201-199206
13202BEARING SET, CONNECTING ROD
main13204-15030i198708-199206
U/S 0.25
13265BOLT, CONNECTING ROD
main13265-15030×8i199106-199206
main13265-16010×8i198708-199106
13265ANUT, HEXAGON(FOR CONNECTING ROD BOLT)
main90170-09001×8i198708-199106
main90170-09005×8i199106-199201
main90179-09008×8i199201-199206
13405FLYWHEEL SUB-ASSY
main13405-15030i198708-199206
main13405-16060i198802-199009
13405APIN, STRAIGHT(FOR FLYWHEEL)
main90250-08120×3i198708-199206
L=18,OD=8
13405BBOLT, FLYWHEEL SETTING
main90105-10042×6i198708-199206
13411CRANKSHAFT
main13411-15040i198708-198905
main13411-15050i199106-199108
main13411-15900i199108-199206
13453GEAR, FLYWHEEL RING
main13453-10010i198708-199206
13471PULLEY, CRANKSHAFT
main13470-15070i198708-198908
main13470-16060i198908-199202
main13470-16061i199202-199206
13471CBOLT(FOR CRANKSHAFT PULLEY SET)
main90119-12101i198708-199107
main90119-12230i199107-199206
13521AKEY(FOR CRANKSHAFT TIMING GEAR)
main90280-05005i199106-199206
main90280-05010i198708-198901
main95161-20519i198901-199106
13521PPULLEY, CRANKSHAFT TIMING
main13521-15010i198708-199206
13566AGUIDE, TIMING BELT
main13566-15010i198708-199206

20 parts on this diagram · 1 diagram in section

CRANKSHAFT & PISTON — Toyota Parts Diagram with OEM Numbers & Prices | EPC Data