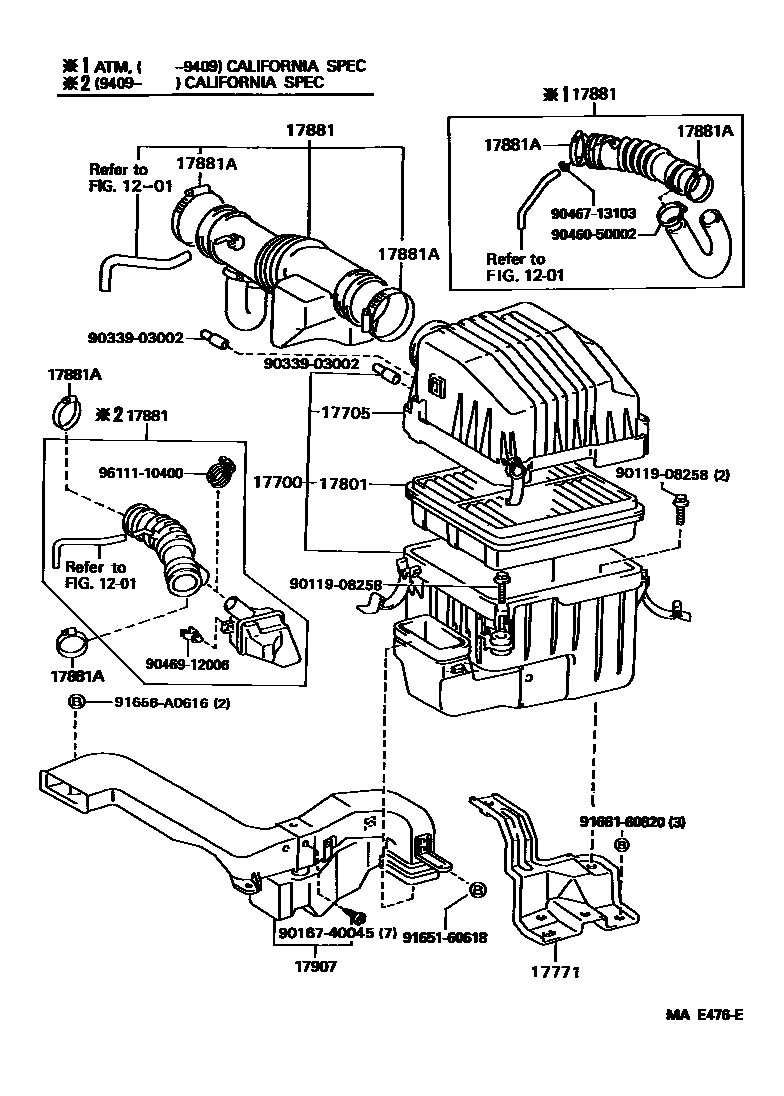
AIR CLEANER

1201VENTILATION HOSE
17700CLEANER ASSY, AIR
17705CAP SUB-ASSY, AIR CLEANER
17771BRACKET, AIR CLEANER INLET DUCT
17801ELEMENT SUB-ASSY, AIR CLEANER FILTER
17881HOSE, AIR CLEANER, NO.1
CALIFORNIA PACKAGE
CALIFORNIA PACKAGE
17881ACLAMP(FOR AIR CLEANER HOSE, NO.1)
CALIFORNIA SPEC
17907INLET SUB-ASSY, COOL AIR
9011908258
main90119-08258
9016740045
main90167-40045
9033903002
main90339-03002
9046050002
main90460-50002
9046713103
main90467-13103
9046912006
main90469-12006
9165160618
main91651-60618
91656A0616
main91656-A0616
9166160820
main91661-60820
9611110400
main96111-10400
18 parts on this diagram · 1 diagram in section