E
EPC Data

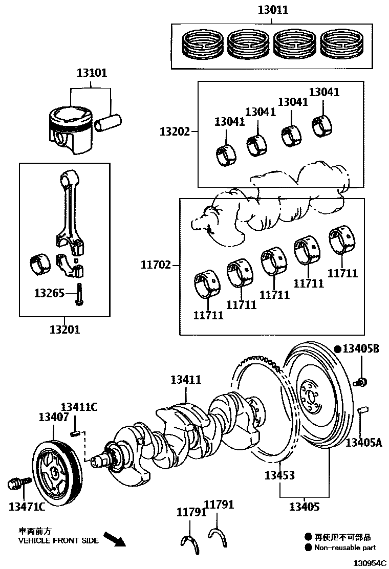
CRANKSHAFT & PISTON

Parts diagram
11702BEARING SET, CRANKSHAFT
main11704-21031i200602-200808
U/S 0.25
main11704-21032i201308-201401
U/S 0.25
main11704-21033i201401
U/S 0.25
11711BEARING, CRANKSHAFT
main11701-21031-01×5i200808-201308
MARK1,REFER REPAIR MANUAL
main11701-21031-02×5i200602-200808
MARK2,REFER REPAIR MANUAL
main11701-21031-03×5i200808-201308
MARK3,REFER REPAIR MANUAL
main11701-21031-04×5i200808-201308
MARK4,REFER REPAIR MANUAL
main11701-21032-01×5i201308-201312
MARK 1,REFER REPAIR MANUAL
main11701-21032-02×5i201308-201312
MARK 2,REFER REPAIR MANUAL
main11701-21032-03×5i201308-201312
MAKR 3,REFER REPAIR MANUAL
main11701-21032-04×5i201308-201312
MARK 4,REFER REPAIR MANUAL
main11701-21033-01×5i201401
MARK 1,REFER REPAIR MANUAL
main11701-21033-02×5i201401
MARK 2,REFER REPAIR MANUAL
main11701-21033-03×5i201401
MARK 3,REFER REPAIR MANUAL
main11701-21033-04×5i201401
MARK 4,REFER REPAIR MANUAL
11791WASHER, CRANKSHAFT THRUST, UPPER
main11791-22020×2i200602-200808
STD
main11791-37010×2i200808
STD
main11792-22020×2i200602-200808
O/S 0.125
main11792-37010×2i201310
O/S 0.125
main11793-22020×2i200808-201310
O/S 0.25
main11793-37010×2i201310
O/S 0.25
13011RING SET, PISTON
main13011-21041i200602-200808
STD
main13011-21120i201210-201506
STD
main13011-21140i201506
STD
13041BEARING, CONNECTING ROD
main13041-21022-01×4i200808-201308
MARK1,REFER REPAIR MANUAL
main13041-21022-02×4i200808-201308
MARK2,REFER REPAIR MANUAL
main13041-21022-03×4i200808-201308
MARK3,REFER REPAIR MANUAL
main13041-21033-01×4i201308
MARK 1,REFER REPAIR MANUAL
main13041-21033-02×4i201308
MARK 2,REFER REPAIR MANUAL
main13041-21033-03×4i201308
MARK 3,REFER REPAIR MANUAL
13101PISTON SUB-ASSY, W/PIN
main13101-21070×4i200808-201210
STD
main13101-21160×4i201210
STD
13201ROD SUB-ASSY, CONNECTING
main13201-29735×4i200602-200808
main13201-29736×4i201308-201401
main13201-29737×4i201401
13202BEARING SET, CONNECTING ROD
main13204-21022i200602-200808
U/S 0.25
main13204-21033i201308
U/S 0.25
13265BOLT, CONNECTING ROD
main13265-21020×8i200808
13405FLYWHEEL SUB-ASSY
main13405-21030i200602-200808
13405APIN, STRAIGHT(FOR FLYWHEEL)
main90250-08120×3i200602-200808
L=18,OD=8
13405BBOLT, FLYWHEEL SETTING
main90913-01024×6i200602-200808
13407DAMPER SUB-ASSY, CRANKSHAFT
main13407-21031i200602-200808
main13407-21032i201205
13411CRANKSHAFT
main13401-21020i200602-200808
13411CPIN, STRAIGHT(FOR CRANKSHAFT)
main90254-03025i200602-200808
13453GEAR, FLYWHEEL RING
main13453-10010i200602-200808
13471CBOLT(FOR CRANKSHAFT PULLEY SET)
main90119-12345i200602-200808

17 parts on this diagram · 1 diagram in section

CRANKSHAFT & PISTON — Toyota Parts Diagram with OEM Numbers & Prices | EPC Data