E
EPC Data

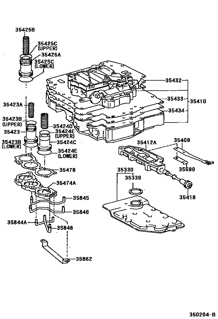
VALVE BODY & OIL STRAINER (ATM)

Parts diagram
35330STRAINER ASSY, VALVE BODY OIL
main35330-12020i199409
main35330-20012i199409
35339GASKET, OIL STRAINER
main35339-12010i199409
main35339-32010i199409
35409SPRING SUB-ASSY, MANUAL DETENT
main35409-20010i199409
main35409-32030i199409
35410BODY ASSY, TRANSMISSION VALVE
main35410-12430i199409
main35410-16190i199409-199510
main35410-16191i199510
35412ABODY, MANUAL VALVE
main35412-32010i199409
35418VALVE, MANUAL
main35418-12020i199409
main35418-32010i199409
35423PISTON, B-2 ACCUMULATOR
main35403-20010i199409
main35423-20030i199510
main35423-32010i199409-199510
35423ASPRING, COMPRESSION (FOR B-2 ACCUMULATOR PISTON)
main90501-20110i199409
main90501-23106i199409
35423BRING, O (FOR B-2 ACCUMULATOR PISTON)
main90301-22185i199409
UPPER
main90301-29011i199712
LOWER
main90301-29187i199409-199712
LOWER
35424CPISTON, C-1 ACCUMULATOR
main35424-20020i199409-199706
main35424-20021i199706
main35424-20030i199409
35424DSPRING, COMPRESSION (FOR C-1 ACCUMULATOR PISTON)
main90501-19023i199508-199511
INNER
main90501-19024i199409-199508
INNER
main90501-19027i199511
main90501-20129i199409-199706
main90501-20141i199706
main90501-25044i199409-199511
OUTER
35424ERING, O (FOR C-1 ACCUMULATOR PISTON)
main90301-23194i199409-199706
UPPER
main90301-24009i199706
UPPER
main90301-29011i199706
LOWER
main90301-29187i199706
LOWER
35425APISTON, C-2 ACCUMULATOR
main35405-12010i199409
main35425-12020i199409
35425BSPRING, COMPRESSION (FOR C-2 ACCUMULATOR PISTON)
main90501-23063i199409
main90501-23106i199409
35425CRING, O (FOR C-2 ACCUMULATOR PISTON)
main90301-23194i199409
UPPER
main90301-26190i199409
UPPER
main90301-29011i199712
LOWER
main90301-29187i199409-199712
LOWER
35432PLATE, VALVE BODY, NO.1
main35432-12250i199705
main35432-16020i199409
main35432-20220i199409-199705
35433GASKET, VALVE BODY, NO.1
main35433-20020i199409
main35433-20030i199409
35434GASKET, VALVE BODY, NO.2
main35434-20010i199409
main35434-32020i199409
35474ACOVER, ACCUMULATOR
main35474-12010i199409
main35474-20010i199409
35478GASKET, ACCUMULATOR COVER
main35478-32010i199409
35599COVER, MANUAL DETENT SPRING
main35599-12010i199409
main35599-32010i199409
35844ATUBE, ACCUMULATOR BACK PRESSURE, NO.1
main35844-12030i199409
main35844-32021i199409
35845TUBE, RR CLUTCH ACCUMULATOR
main35845-32012i199409
35846TUBE, BRAKE ACCUMULATOR
main35846-12040i199409
main35846-20020i199409
35848TUBE, FORWARD CLUTCH ACCUMULATOR
main35848-12030i199409
main35848-32011i199409
35862BRACKET, ACCUMULATOR APPLY TUBE
main35862-12020i199409
main35862-32011i199409

26 parts on this diagram · 9 diagrams in section

VALVE BODY & OIL STRAINER (ATM) — Toyota Parts Diagram with OEM Numbers & Prices | EPC Data